Car wont start after doing spark plugs.

Tiny
GINALANGSTON1
  • MEMBER
  • 2001 CHRYSLER SEBRING
  • 2.7L
  • V6
  • 2WD
  • AUTOMATIC
  • 159,000 MILES
I have a 2001 Chrysler Sebring Convertible 2.7 v6. I purchased from an Auto auction a couple of years ago. At which time I changed the spark plugs and did a compression test on it, which tested all good. A few months ago it started over heating while I was driving it. I had to pull over a couple times to let it cool down before starting up again. It never got as high up as the red line on the temperature guage, however it did get close. Finiallly I just pulled over and parked it. A couple of hours later a friend gave me a ride back to get my car, we put water in it and checked the oil, which looked fine and he followed me to the shop where I left it to find out why it was over heating. Next thing I know the Mechanic is telling me that I have a blown head gasket and then he tells me that the gears on my timing chain are broke and I need new ones, then it was my broken water pump and bad alternator. To make it kind of short, I had to buy a new Head gasket kit. Pay $180 to have heads resurfaced, a New Timing chain kit, New Water Pump and Alternator, EGR valve and spent a Good $1200 just on parts, not including another $200 cash for parts that he said he had to buy as well without my prior knowledge. Which included new spark plugs. Anyways a Month if not longer went by and I got my car back, still running like crap. Last month my tags were due, but check engine light still on, and would not pass Emissions. It said that the Evap system and Catalys was not ready. A OBD auto zone Test is showied EGR and Air temp sensor(which he worked on). Then it read an O2 sensor, then the #4 spark plug misfireing then it showed all spark plugs or coil wires were bad (all different tests). The problem now is I was going to do a Compression test on it the #1 spark plug after 3 turns of the key read 100psi, #2 it went to 60 after 3 turns, then went to 100 after the next 3 turns. I bought a new spark plug for #4 and the gap was set at 45 so I set them all at 45. While checking #2 spark plug I think I maybe cranked it too far or something but it shot out of the hole. I drove the car after that all day and then went back and checked #2 again and thats when I got the readings listed above. I did not go any further than that as far as compression testing because I was not sure if when the tester shot out of the spark plug hole if its threads may have been damaged by it and I did not want to ruin the threading on the Head, as I may have done to #2 when I attempted that second test. After all that, I started the car and it seemed to be fine. However, the next morning I tried to start it and Nothing! I checked the fuses and the start/fuel fuse was burnt out, I then replaced it and tried starting it again and this time it tried to start but wouldnt. Then I tried a second time and it sounded like maybe my starter was bad or something. What do you think may be the problem? Did I Blow it up or what? Also when I got my car back from shop my whole air cleaner assembly was not even connected, 2 wires to ground were un hooked(which were very important to the cars operation) and when I did check the spark plugs they sure did not look at all new. Making me believe even more so that all those parts I bought never actually went on my car. I still owe him Labor fees.
What do you think I should do to get my car running again? PLEASE HELP. I need my car for work in a couple days or I lose my job. Thanks
Tuesday, October 13th, 2015 AT 10:34 AM

14 Replies

Tiny
RIVERMIKERAT
  • MECHANIC
  • 6,110 POSTS
First I would contact your state's Bureau of Automotive Repair or Consumer Affairs Division.

I can believe a blown head gasket, but if the gears on the timing chain were broken it wouldn't run. At all. The camshafts wouldn't be able to open and close the valves. Meaning no air or fuel gets into the cylinders to be burned.

Next I would go through it with a fine tooth comb and make sure everything is properly connected-electrical and vacuum. Next make sure the plugs are connected correctly and to the correct terminal on the coil module/distributor cap. The codes that pop up different every time you run tests tells me either things are hooked up properly or the ECM is about to die.
Was this
answer
helpful?
Yes
No
Tuesday, October 13th, 2015 AT 12:24 PM
Tiny
GINALANGSTON1
  • MEMBER
  • 66 POSTS
Okay, Thanks for the reply, However, I have been trying to go through and check that all is connected correctly but I cant seem to find anywhere the correct wiring and vacuum diagrams for it. It is the Convertible model. Do you know where I can get all the schematics for it by any chance? Now as far as the plugs go I don't have a Distributor cap and I am unsure of where the coil module is that your talking about. So what do you think caused the Starter/Fuel fuse to burn out and now car wont start because starter sounds to be bad? Also when I remove the ignition coil fuse it resets the check engine light is that normal?
Now about the Timing chain, I totally agree with that but he insisted, same thing would go with the water pump being all busted up and the Alternator being no good. All those things I would of had to know about right? And the oil looked like only oil to me. My car did not leak water anywhere nor had problems starting. I really believe I spent close to $1700 for parts for another vehicle he was working on. Now will the state's Bureau of Automotive Repair or Consumer Affairs Division even take the complaint seeing how according to him, I have not paid him any labor yet.. And to top it all off, he wont fix all the things he messed up unless I pay him some money first. Well Please get back to me with info. Where you think that I may be able to get the Electrical and Vacuum Diagrams for my car and about the starter issues. Thank you again for your help.
Was this
answer
helpful?
Yes
No
+1
Tuesday, October 13th, 2015 AT 2:34 PM
Tiny
RIVERMIKERAT
  • MECHANIC
  • 6,110 POSTS
Yes. It is currently in "Dispute status." You dispute that he did the work he says he did.

As for the vacuum and wiring diagrams, I can get you the wiring diagrams quite easily.

I got lucky. Our reference had the vacuum diagram as well. Basic routing.

Follow the plug wires from the plugs. They'll lead to the coil module. It should be labelled 1-4 for what plug wire goes where.

Make sure the main battery cable to the starter is good and tight and not frayed. Make sure you've got a good solid connection to ground. Tap on the side of the starter with a hammer or mallet to see if maybe the bendix is going bad. If you can, do a starter draw test on it and do a battery load test also.
Was this
answer
helpful?
Yes
No
Tuesday, October 13th, 2015 AT 3:48 PM
Tiny
GINALANGSTON1
  • MEMBER
  • 66 POSTS
Thanks. My car does not have spark plug wires running off them. Instead they each have there own Ignition coils.. Which I have been trying to find somewhere online how to diagnose if they are bad or not but unsuccessful. From what I have heard they are very costly per ignition coil. Is there any way to tell if they are no good for sure before having to purchase new ones?
Was this
answer
helpful?
Yes
No
Tuesday, October 13th, 2015 AT 5:17 PM
Tiny
RIVERMIKERAT
  • MECHANIC
  • 6,110 POSTS
Yes. Check primary side resistance. It should be between.4 and.6 ohms. Or thereabouts.
Was this
answer
helpful?
Yes
No
Tuesday, October 13th, 2015 AT 7:26 PM
Tiny
GINALANGSTON1
  • MEMBER
  • 66 POSTS
Okay Thank you. Now I got the car to start but after running for a few minutes the Resivoir to the Radiator which is where I fill my radiator as well, starts Boiling real bad and then the motor starts smoking real bad. However my Temp. Guage does not go up showing hot at all, when I start the car and it runs for a couple minutes the guage goes up to half way mark and stays. I think maybe that Mechanic guy did something to it because when I first got the car back it did not work at all and I told him "Bull****, I need that Temp guage working right now". And he did something to it but I am not sure it is working. Cuz it didnt read hot when that resivoir was boiling. Anyways, Thought it was the Thermostat ( I just bought a brand new Water pump a couple months ago which that Mechanic said he replaced with mine because mine was no good, yet it did not leak or anything. So I dont know what is wrong now. QUESTION is: I supposedly had a New Water Pump put in a couple months ago, I just removed and checked my Thermostat and it is working properly so WHY is my car Overheating so bad like the water isnt running all through it? It just sits in that resivoir and Boils and bubbles and smokes.
Was this
answer
helpful?
Yes
No
Saturday, October 24th, 2015 AT 12:33 PM
Tiny
RIVERMIKERAT
  • MECHANIC
  • 6,110 POSTS
THAT description sounds like a blown head gasket. Bubbling and boiling in the reservoir sounds like a blown head gasket. But I would have to question why immediately following the work you describe as being done, which was to fix that exact problem. It sounds like he didn't do anything to it but charged you for it.

Here's what I would do:
Find a few shops in your area and check them out. Yelp (although not very reliable), maybe Angie's List, local area forums, BBB, etc. See what the majority of opinions about the shop are. Find one that has no complaints or at least fewer than the rest. Then call them and describe your issue, including the other shop, to them and ask them what help they can give you. While you're there, look around the customer areas for references to state regulatory bodies and get in contact with them as well.

It definitely sounds like you've got a blown head gasket. But you describe having paid for a list of work to rectify that problem already. That tells me he threw some Bar's Leak or cooling system sealant into the cooling system and called it good. In my book, that's enough to lose your business license.

Hit his Facebook page as well. Ask flat out: "How come you charged me to fix a blown head gasket but my car still has a blown head gasket? What exactly did I pay $1200 (or whatever) for if I'm still having the exact problem I took it to you for and that you said you fixed? How come another mechanic tells me that all you did was toss a can of cooling system sealer into my car when you charged me for all this work?"
Was this
answer
helpful?
Yes
No
Saturday, October 24th, 2015 AT 1:38 PM
Tiny
GINALANGSTON1
  • MEMBER
  • 66 POSTS
Thank you very much for your reply, I will definitely do what you said. Ya know when I asked him for a receipt and list for all the work he done and for the money I gave him for heads to be resurfaced $200 and another $200 for parts he said he bought and needed without my prior approval ya wanna know what he told me? I don't do that I am Commercial. I haven't been back up there because I am extremely pissed and if I do I know I will go to jail, But now that you informed me on whom I need to contact to help me with this ( My state's Bureau of Automotive Repair or Consumer Affairs Division. ) Then will do that first. Thank you so much again, You doing a Great job.
Was this
answer
helpful?
Yes
No
Saturday, October 24th, 2015 AT 6:11 PM
Tiny
RIVERMIKERAT
  • MECHANIC
  • 6,110 POSTS
Federal law requires a complete listing of the parts he installed and the work he did be given to you when you pick up the car. It also requires he receive prior authorization from you for any work he deems "necessary." By law, he can't do work and install parts without your prior authorization to do so, and that includes your knowing how much the parts and labor will cost. It sounds like that didn't happen.

Thank you. I do my best.
Was this
answer
helpful?
Yes
No
Sunday, October 25th, 2015 AT 6:35 AM
Tiny
GINALANGSTON1
  • MEMBER
  • 66 POSTS
Okay now, just a few more Questions please? But first I just want to remind you that this is a 2001 Chrysler sebring Lx Convertible with a 2.7 liter V6 Motor. It does not have a cap for the Radiator, it only has a coolant pressure bottle/resivoir which is where I fill the radiator through. Now as I mentioned in our earlier conversation that when I started the car and let it run for approx. 5 minutes or so, it would start smoking up on top around the upper intake manifold and the coolant bleeder valve area and the water inside the coolant pressure bottle starts boiling and bubbling like crazy, so I changed the Thermostat only to find out when I boiled the old one that it seemed to work just fine as it opened and closed like it should. Now you mentioned a Blown head gasket, well I then changed the oil and it was dark brown but not at all milky like it would be if Head gasket was blown. Correct? So then I went to try the next step by Bleeding the coolant system. However, being told and reading different directions on how to do it I still unable to be given proper procedure on my vehicle that does not have a radiator cap directly on it, or a fancy bleeder funnel. So following directions buy an Auto Zone Employee what I did was first open the Bleeder valve, then I undid the top of the radiator hose and filled it with water, then put hose back on and started filling the coolant pressure bottle all the way up until coolant started to push out of bleeder valve in a stream, but that never happened. Now I have a totally full radiator and my coolant pressure bottle is full to the top on both sides in bottle and nothing coming out of bleeder valve. So I went back to Auto zone and was told to go home and start the car and let it run for a few minutes and then open bleeder valve and let it run until coolant comes out, then close it. So I went home and first I undid the hose on the coolant bottle, was going to try to drain some of that water from bottle, but then noticed the water went down itself on the one side, so I started the car and let it run at specified rpm for a few minutes, noticing that that side of bottle that went down, was up again, then opened valve, soon the driver side fan kicked on but not the other fan and still running for a while I noticed that there was coolant that came out of bleeder valve but no stream. A couple minutes later the top started to smoke again, but now this time the power steering cap I guess shot off and there was power steering fluid (?) A dark orange liquid all around it and the coolant bottle so I shut off motor and done for night. No Boiling in coolant bottle this time but Temp gauge went up not even half way, coolant bottle was cool but radiator hose was real hot and bottle still full. Now thinking back to draining the system and coolant from the one half of the coolant bottle, the coolant that was in that half of bottle was also a dark orange looking color as well. I am thinking that maybe the bottle itself is clogged up, not letting the water run through the system correctly. Could that be right or no? If no, what do you think the problem is? And how do I fix it? And PLEASE, how do I bleed this thing? Without special tools and funnels, that is. One more question. While I was checking fuses a couple weeks ago, I removed the fuse labeled EGR/O2sensor and when I put it back in and started the car it made a loud weird noise and smoke rushed out, smelled like something burned up. And when I talk about the smoke on top above upper intake manifold when it starts to run hot, well it is in the same spot that it smoked that day with the fuse thing. Any ideas about what I fried under my intake manifold.? Please Help Me!? I will Donate $ on my next reply after these questions are answered. As payday is tomorrow. Lol. Thanks again so much. I will be waiting for your reply.
#1. What is the cooling system problem and how do I fix it?
#2. What is the correct procedure to bleeding a car with no radiator cap, just one on coolant pressure bottle? Without that special funnel
#3. What do you think that I may have fried underneath the Intake manifold after removing and re inserting the EGR/O2 Sensor Fuse in engine compartment?
#4. What is the Orange fluid and did it come out of power steering and if so why? It feels kind of oily.
#5. Do you think my coolant bottle or Radiator could be clogged up? Or water pump? ( I just purchased one a few months ago, but as with everything else I bought, it too probably all went into someone else vehicle and not mine.
Also a #6. Caps. Since I got my car back from that waste of mechanic, I noticed that none of my caps fit securely on the brake fluid container, the power steering fluid container, or the oil cap and wiper fluid. #6. Would that cause any problems with the performance of any of those item I listed, besides the brakes?
I will wait for your reply before I do anything else to car. Thanks
Was this
answer
helpful?
Yes
No
Wednesday, October 28th, 2015 AT 10:27 AM
Tiny
RIVERMIKERAT
  • MECHANIC
  • 6,110 POSTS
"Back in the day" when I was younger, the color of the coolant could tell us quite a bit about the condition of the cooling system and the engine. That was when coolant was either bright flourescent green, or clear (water) if you were brave. Nowadays, they've got "Long Life" coolant that can be orange or black, as well as the old green.

The cooling system problem could be air in the system or it could be a blown head gasket between the combustion chamber and the water jacket. That wouldn't mix the oil and coolant.

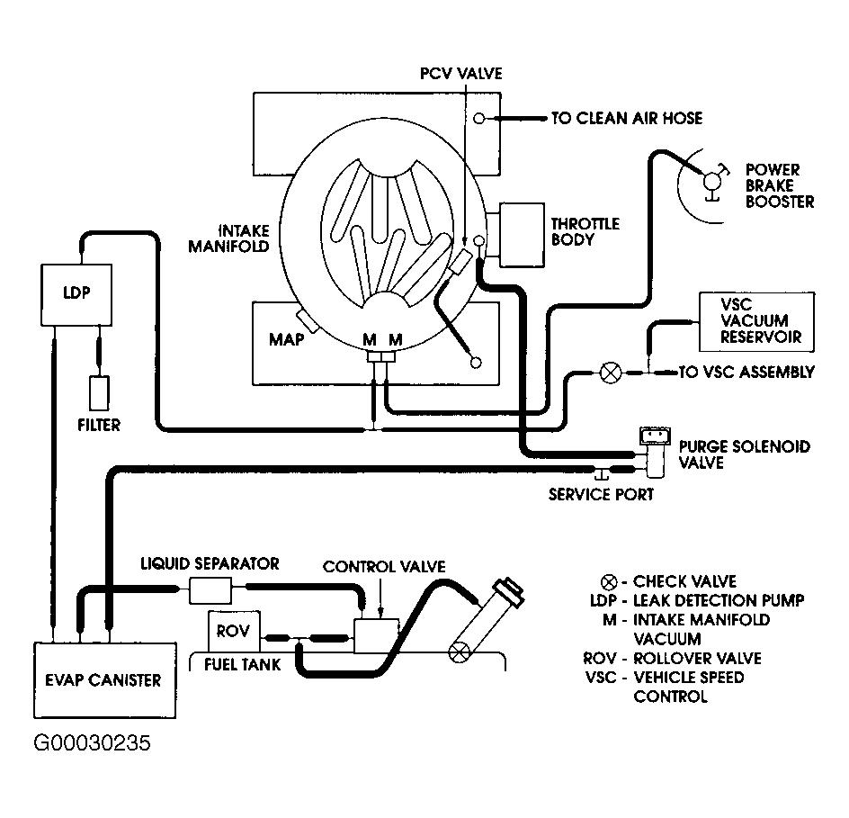
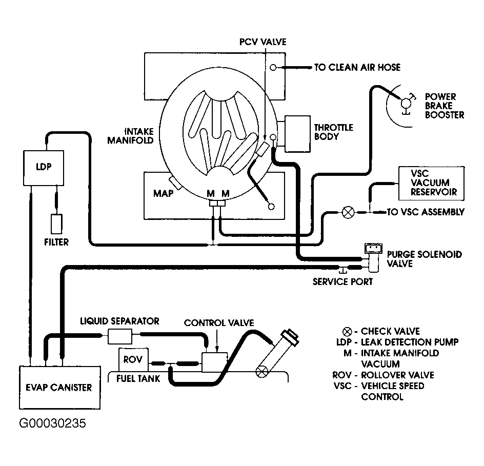
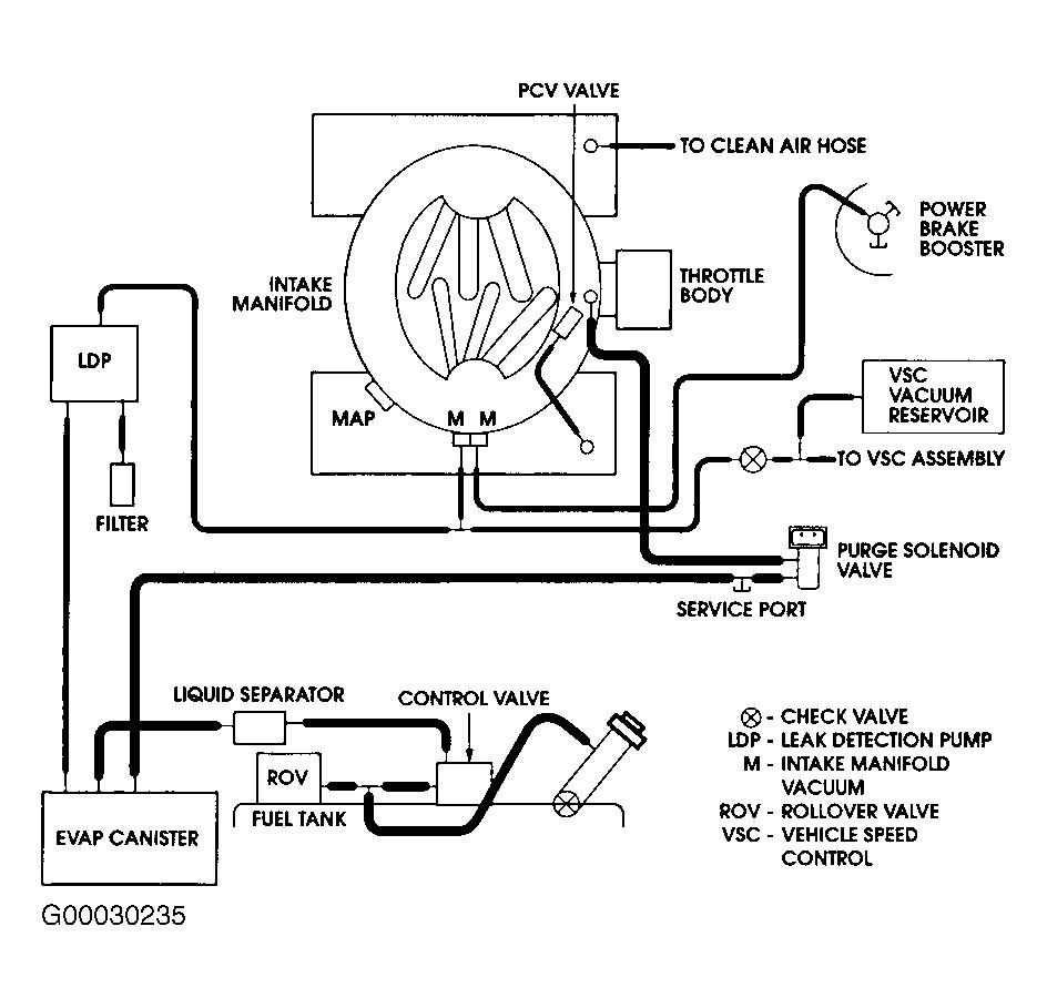
A blown head gasket will typically manifest itself by a milky colored oil or coolant, but not always. However, I made the mistake of presuming that the cooling system was refilled properly. I've attached a PDF detailing that process. The "special" funnel just makes it easier for air bubbles to escape from the pressure chamber while you're filling it. Any funnel will work. But be sure to clamp the overflow tube between the two chambers in the pressure bottle.

If the EGR is electronically-controlled, you could have fried it.

Power steering fluid is another fluid that's evolved a bit since I turned my first wrench oh so long ago. It is possible that what you're seeing is power steering fluid, especially since it has an oily feel to it. Can you upload a picture (preferably to Dropbox or OneDrive) of exactly where it came from? As to why, that's possibly a blockage in high side hose.

When the engine heats up to operating temp, is the radiator hot or warm to the touch, or cold? Or are the hot and cold areas in it? Your bleeder valve could be plugged. I would see if you can clear it. I would also check the smaller cooling system hoses for blockages.

A loose or improperly fit brake fluid cap can cause brake fluid leakage. The other caps being loose or not fitting properly can also cause leakage. An oil cap that doesn't fit properly can cause oil leaks and vacuum leaks. Vacuum leaks can cause engine performance issues, but not the kind you've been describing.
Was this
answer
helpful?
Yes
No
Wednesday, October 28th, 2015 AT 11:46 AM
Tiny
GINALANGSTON1
  • MEMBER
  • 66 POSTS
Hello again and once again I thank you for your fast reply. Now I went to flush the cooling system after filling it with water and radiator flush and driving it. I loosened the bottom radiator plug as well as the lower radiator hose and there was still a some water in my coolant tank. (Now remember, my cars cooling system and radiator has the coolant pressure bottle/overflow all in one, it does not have a filler cap on the radiator itself.) Its just as the picture you sent me. Anyways while drain what I did drain it was pretty dirty, not so much the color of the water but the little particles on the bottom of my drain pan, also I have no heat coming out of my heater when I turn it on inside, it only blows out cool air ( oh and forgot to mention only one fan seems to be working, drivers side.) So I was thinking that maybe my heater core could be clogged? And although I have a new coolant bleeder assembly, I am not sure if it is clogged as well. My Question now is can you please find out for me the step by step complete process of Flushing out/ unclogging my Radiator, heater hose and the bleeder valve. I have looked and looked and I cant find How to info. Anywhere on my EXACT car. Now however when I do have the car filled it does seem to be working ok as far as after a few minutes running it reaches operation temperature and the one fan does kick on, so I dont know if I am just being over paranoid in thinking there is a clog somewhere or what. All I know is that my heater does not blow hot air and there still is little water left in canister after drain and a little particles of stuff in drain pan. I need complete instructions on flushing, unclogging and filling for my EXACT vehicle. A 2001 Chrysler Sebring Convertible Lx 2.7 Liter V6. No Radiator Cap, Just Resivoir/pressure bottle. Please help me I need to get this car running Good by tonight or loose job. Thank You Soooo much! I will be waiting your reply.
Was this
answer
helpful?
Yes
No
Saturday, October 31st, 2015 AT 12:25 PM
Tiny
GINALANGSTON1
  • MEMBER
  • 66 POSTS
I am sorry, I did not make my Donation like I said I would this last reply. How do I go about doing that now that we started conversations already? Do I need to start all over and ask another question to get the page with the option to donate? Please let me know. Thanks
Was this
answer
helpful?
Yes
No
Saturday, October 31st, 2015 AT 12:36 PM
Tiny
RIVERMIKERAT
  • MECHANIC
  • 6,110 POSTS
That is the easiest way, yes. But you should be seeing a donation button somewhere.

The process for flushing varies. But with the OTC stuff, it's usually just a matter of adding in the flush/cleaner and driving the car awhile then draining. I would remove the hose from the bottom of the reservoir, too. When filling, make sure the bleeder is open and fill until you get flow out of it.
Was this
answer
helpful?
Yes
No
Tuesday, November 3rd, 2015 AT 4:43 PM

Please login or register to post a reply.