EST code

Tiny
BLUEMOONE1
  • MEMBER
  • 1995 CHEVROLET SILVERADO
  • 5.7L
  • V8
  • 4WD
  • AUTOMATIC
  • 1,000,000 MILES
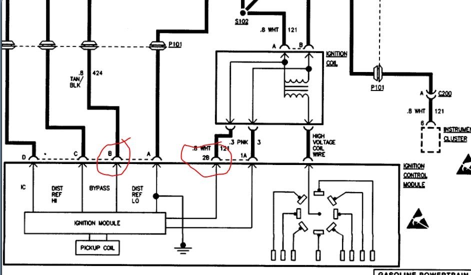
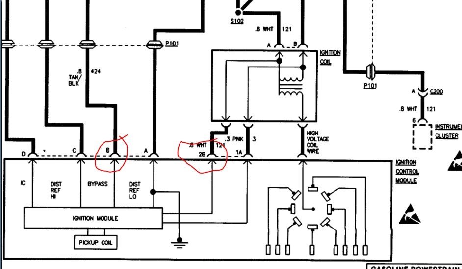
EST white 423,424 tan/black showing grounded, through circuit, having issues finding in harness where it could be grounded. Computer disconnected, white wire shows short, ohm's low when computer connected, said to check ignition circuit, can't find any wiring diagram for this truck, computer is prom chip BJYL. 4l60e transmission got code for TCC clutch it was neutral safety switch and harness bad. Truck would love and surge bad until it would quit. Automotive AutoZone says module is good? Thank you for help.
Donna
Tuesday, January 19th, 2021 AT 10:56 PM

1 Reply

Tiny
ASEMASTER6371
  • MECHANIC
  • 52,796 POSTS
Good morning,

If you disconnect the ignition module, test the ohms between the white wire and the tan/black. If there is a short, it will read 0.00.

https://www.2carpros.com/articles/how-to-check-wiring

Roy

PURPOSE:
The Knock Sensor (KS) is used to detect engine detonation (ping).

OPERATION
A 5 volt reference is applied to the knock sensor which has an internal resistance of about 3900 ohms. This resistance will lower the applied voltage to about half or 2.5 volts. When a knock is present, a small AC voltage is produced by the knock sensor and transmitted to the control module riding on top of the already existing 2.5 volts. An AC voltage monitor inside the control module will detect the knock and trigger the control module to start retarding the spark incrementally.

A control module (ECM or PCM) is used in conjunction with one or two knock sensors to control detonation. A KS module will be found on ECM applications. On PCM application no KS module will be found as it is internal to the control module.
Was this
answer
helpful?
Yes
No
Wednesday, January 20th, 2021 AT 3:27 AM

Please login or register to post a reply.