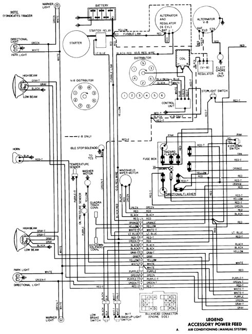
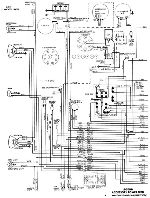
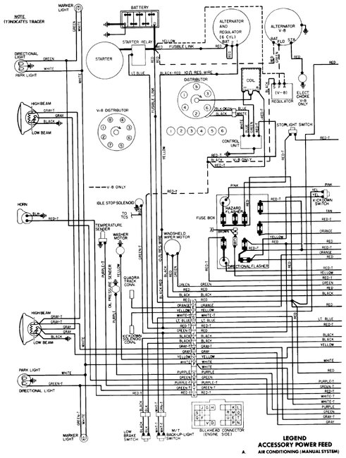
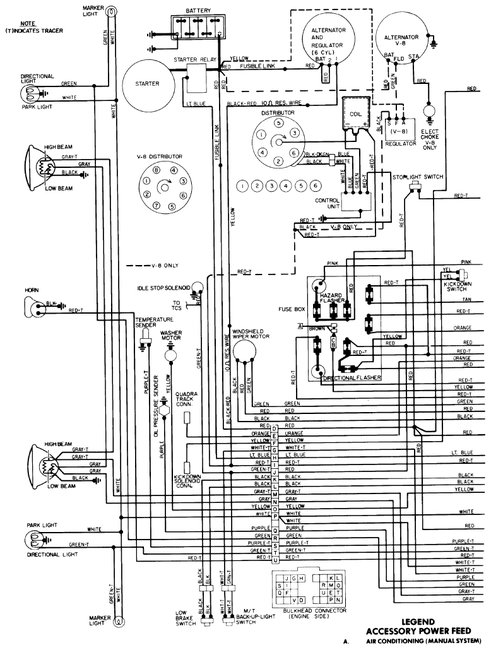
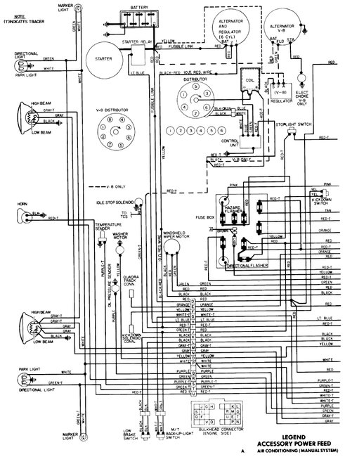
I replaced the wire and it starts and turns off like it should. I traced the wire and it lead to an ammeter that was hidden under the dash.
I have two questions:
1) Why would removing that wire cause the Jeep to not turn off?
2) I want to get rid of the ammeter because I think that’s why the alternator isn’t working properly. It has two wires attached to it and both have 12 volts going to them. Can I just solder these two wires together and be good? Thanks
Wednesday, June 12th, 2019 AT 7:24 PM












