No crank no start issue

Tiny
LARSS
  • MEMBER
  • 2006 TOYOTA CAMRY
  • 2.4L
  • 4 CYL
  • 2WD
  • AUTOMATIC
  • 212,000 MILES
I just replaced the starter and battery thinking they were the culprit.
The same problem persists.
When I turn the ignition on from Lock to Acc to On to Start everything is normal except a click/electrical buzz heard every time I turn from On to Start.
All the fuses appear to be fine.
I try to keep my vehicles in good working order and this is annoying. What could be the issue be? I am stumped.
Sunday, April 11th, 2021 AT 3:46 PM

2 Replies

Tiny
JACOBANDNICKOLAS
  • MECHANIC
  • 110,192 POSTS
Hi,

Can you tell approximately where the noise is coming from? For example, is it in the vehicle or does it seem to come from under the hood? Is it loud enough for you to record and upload for me to hear?

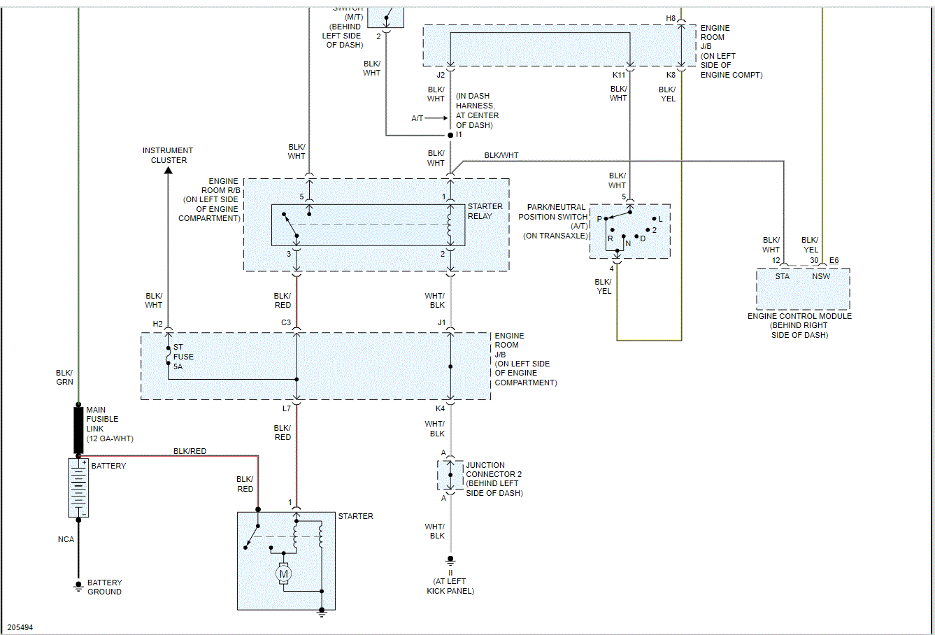
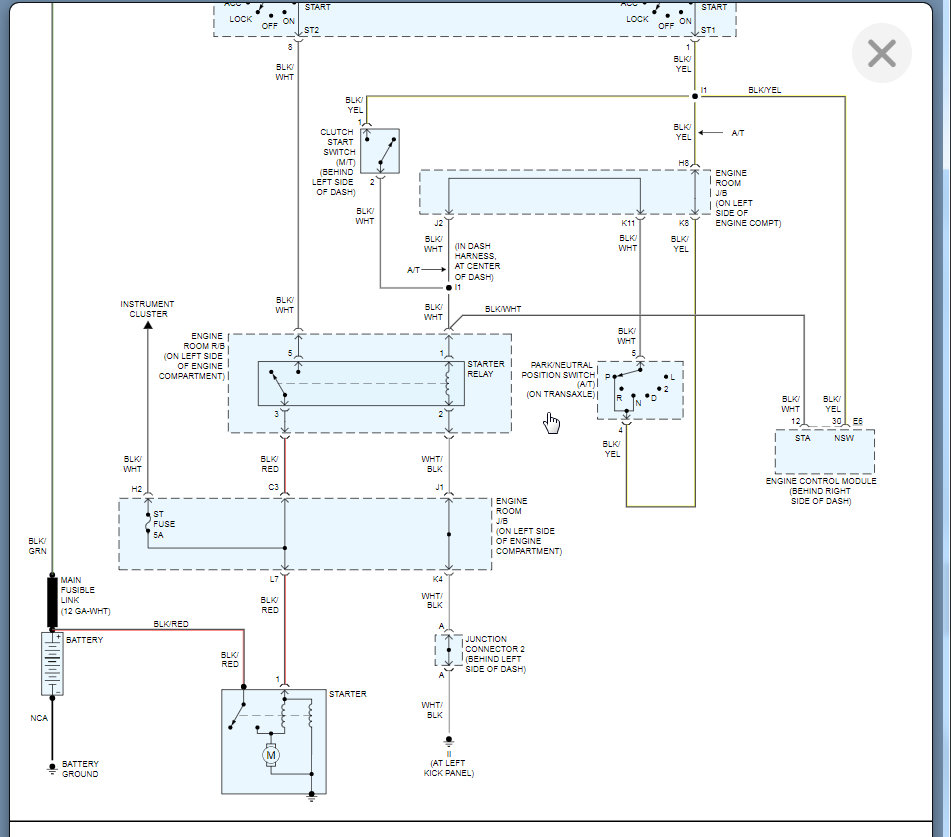
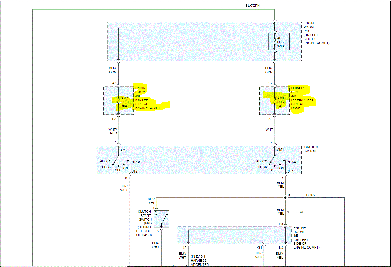
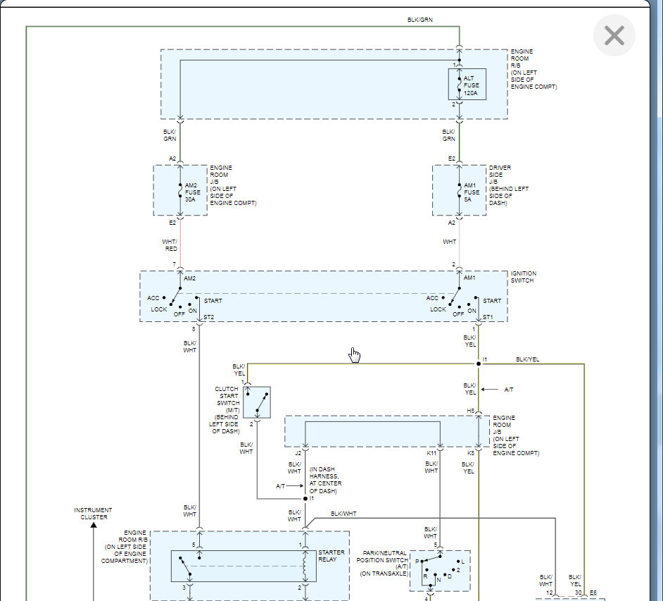
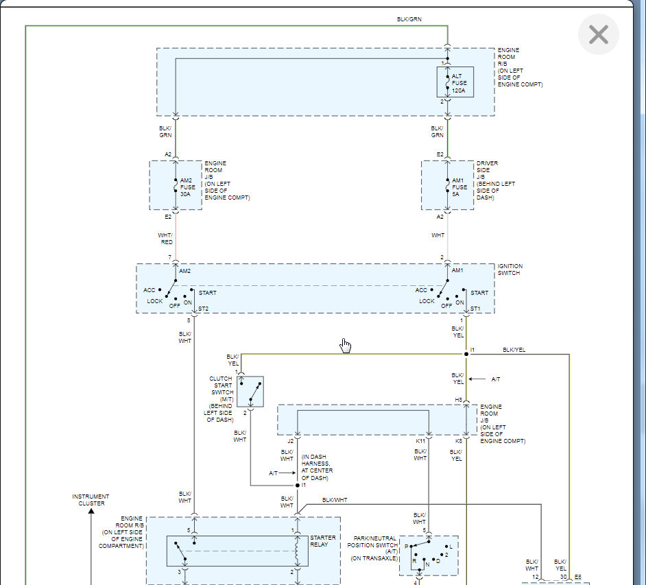
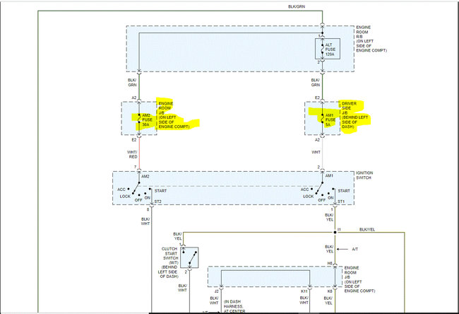
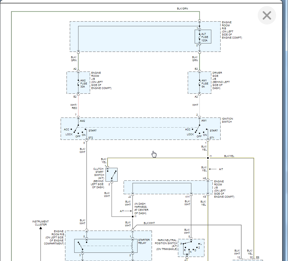
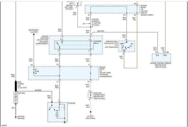
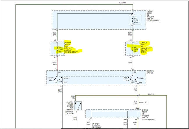
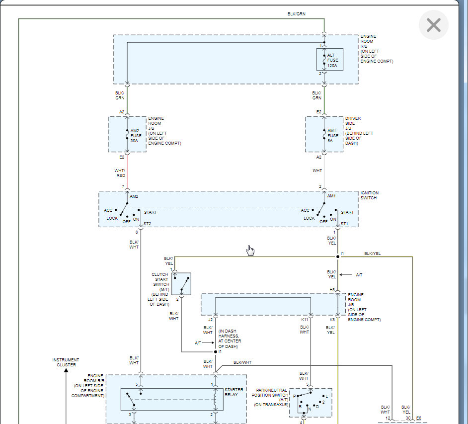
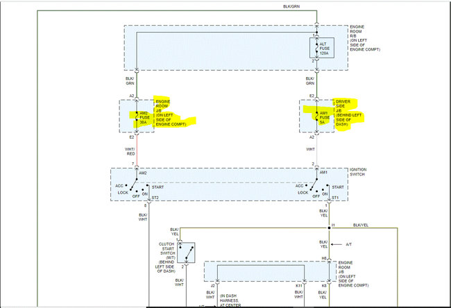
To get you started, I attached a couple of pics before (i and 2) which show the entire starting system's wiring schematic. I highlighted two fuses I need to conform are good and they are both getting power. Here is a link that shows how to do that:

https://www.2carpros.com/articles/how-to-check-a-car-fuse

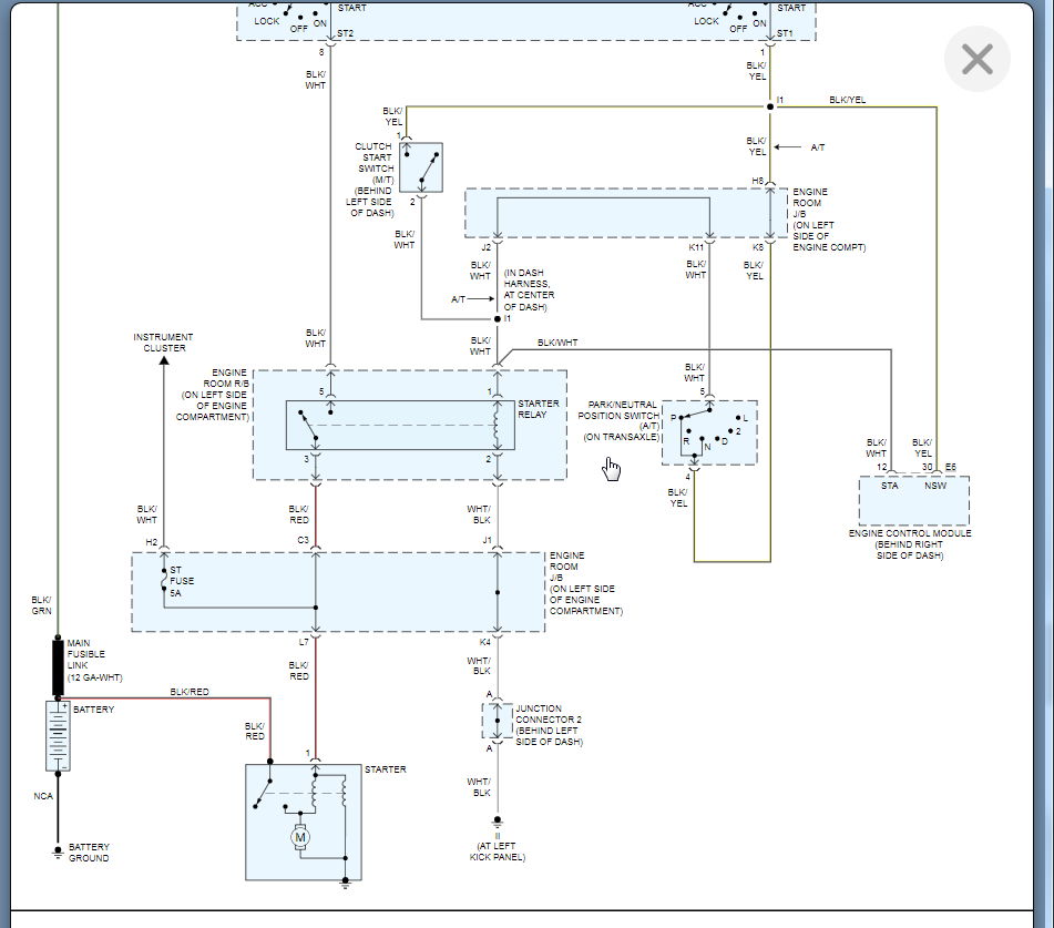
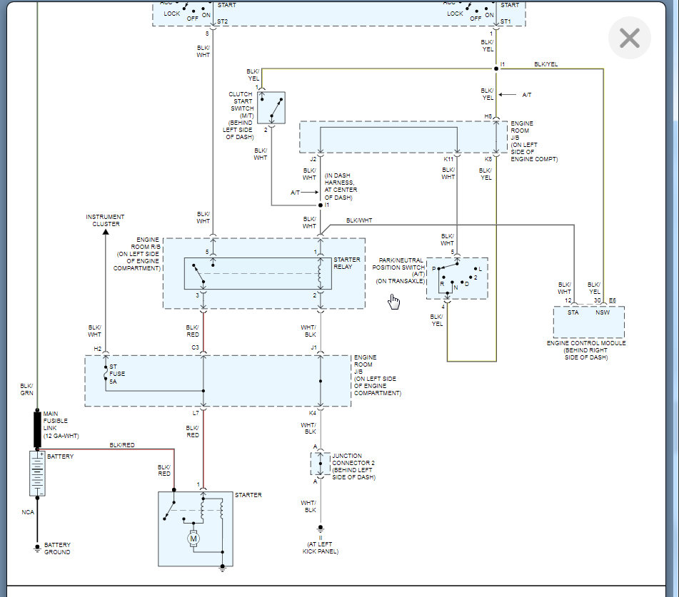
If both fuses are good, see if it starts by placing it in neutral. If if it doesn't, I need you to check the relay in the underhood fuse box. I highlighted that in pic 2.

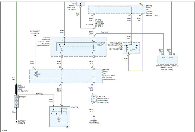
Pic 3 shows the location of the starter relay in the underhood fuse box. If there is another relay with the same part number, switch them. If there isn't, here is a link that shows how to test a relay:

https://www.2carpros.com/articles/how-to-check-an-electrical-relay-and-wiring-control-circuit

For some reason, my manual is not showing the fuse allocations for the fuse boxes. Check the cover under the hood for the AM2 fuse location and the one in the vehicle for the AM1 fuse.

Let me know what you find or if you have other questions.

Take care,

Joe

See pics below.
Was this
answer
helpful?
Yes
No
Monday, April 12th, 2021 AT 7:34 PM
Tiny
KASEKENNY
  • MECHANIC
  • 18,907 POSTS
Just to be clear on the issue, when you turn the key to the start position you are hearing a buzz noise and the engine doesn't start? Does it even turn over?

Here are guides that will help with this issue:

https://www.2carpros.com/articles/starter-not-working-repair

However, this buzzing noise is almost surly the starter relay. We can check this using this guide but if you put your finger on the starter relay you should feel it vibrating.

https://www.2carpros.com/articles/how-to-check-an-electrical-relay-and-wiring-control-circuit

Let me know what questions you have. Thanks
Was this
answer
helpful?
Yes
No
Monday, April 12th, 2021 AT 7:38 PM

Please login or register to post a reply.