Intermittent issue of the engine not cranking

Tiny
THEO R
  • MEMBER
  • 1992 MITSUBISHI PAJERO
  • 3.0L
  • 4WD
  • MANUAL
  • 380,000 MILES
My vehicle (listed above) at times will not turn over, it has a clicking sound from the starter which is new and starts when it wants to. When it finally starts it does so more frequently and then chooses not to intermittently. Could it be the crank angle sensor? That I cannot find on the NH model.
some answers would be appreciated.
Friday, November 5th, 2021 AT 10:48 PM

4 Replies

Tiny
THEO R
  • MEMBER
  • 2 POSTS
Hi guys. Just to complete my question, my vehicle runs on petrol not diesel. Cheers
Was this
answer
helpful?
Yes
No
Saturday, November 6th, 2021 AT 2:31 PM
Tiny
KASEKENNY
  • MECHANIC
  • 18,907 POSTS
Okay. We don't have a manual on this vehicle as it is not offered here in the USA but if you get a clicking noise from the starter then the starter solenoid is normally the issue.

However, there are other things that will cause this if the starter is new. Here is a guide that will help with getting us started:

https://www.2carpros.com/articles/starter-not-working-repair

What I would suggest you start with is going to the starter when this is acting up and check the voltage on both wires when you are trying to crank the engine.

You should have 12-volts on both wires.

https://www.2carpros.com/articles/how-to-check-wiring

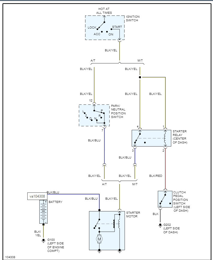
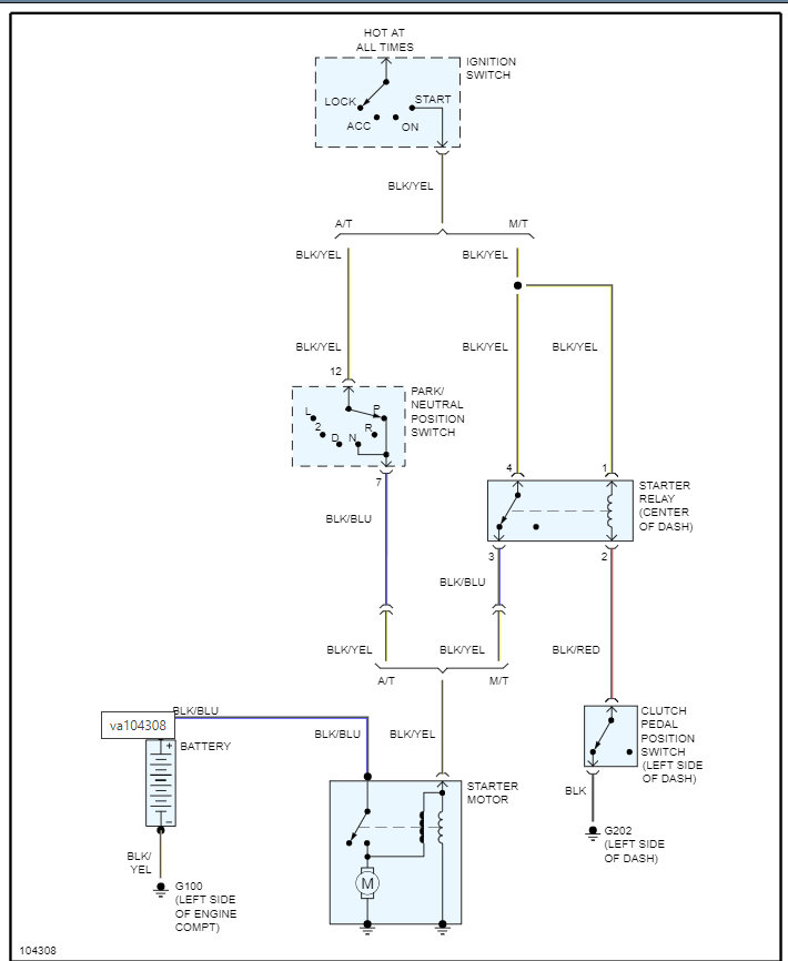
I am attaching the wiring diagram from the version of this vehicle that is offered here in the USA as they should be pretty similar.

The most likely cause of this is a relay or clutch position switch in your case. So, you can also take the connector of the switch off and jump the terminals and see if the starter works at that point.

However, I suspect we will find the starter, even though it is new, is the issue or you have low voltage on one of the wires and that is going to be due to resistance or some other connection issue.

So, let's start with getting these voltages when this happens, and we will know what to do next. Thanks
Was this
answer
helpful?
Yes
No
Saturday, November 6th, 2021 AT 6:32 PM
Tiny
THEO R
  • MEMBER
  • 2 POSTS
Thanks, Kasekenny1, I will look into your answers and let you know how I go with it. Cheers!
Was this
answer
helpful?
Yes
No
Saturday, November 20th, 2021 AT 11:23 AM
Tiny
KASEKENNY
  • MECHANIC
  • 18,907 POSTS
Sounds great. We will wait to hear back. Thanks for the update.
Was this
answer
helpful?
Yes
No
Saturday, November 20th, 2021 AT 3:17 PM

Please login or register to post a reply.