Thursday, October 19th, 2017 AT 1:29 PM
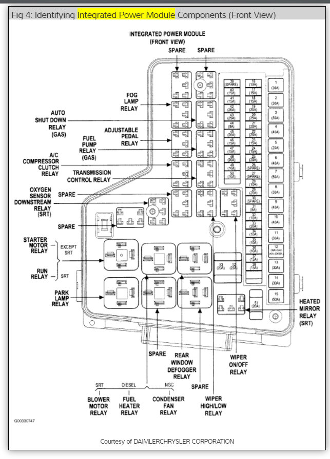
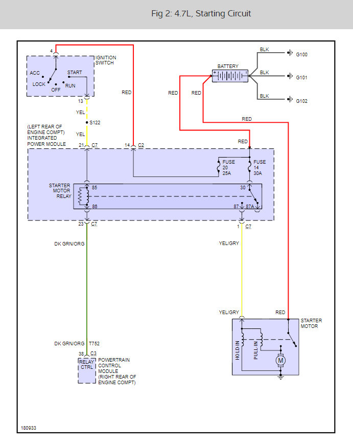
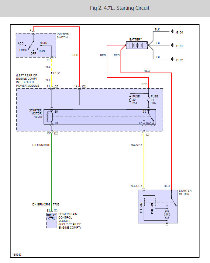
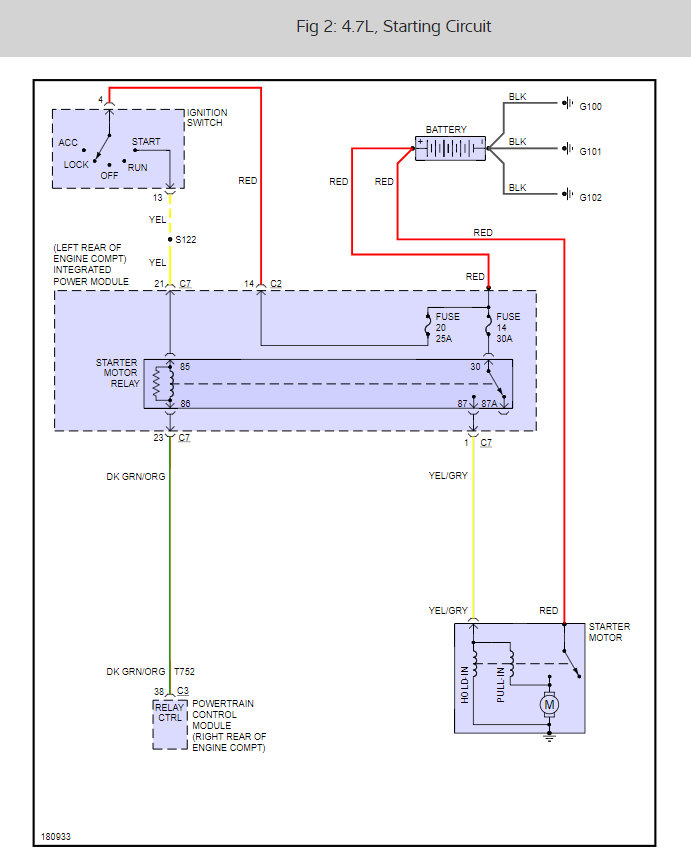
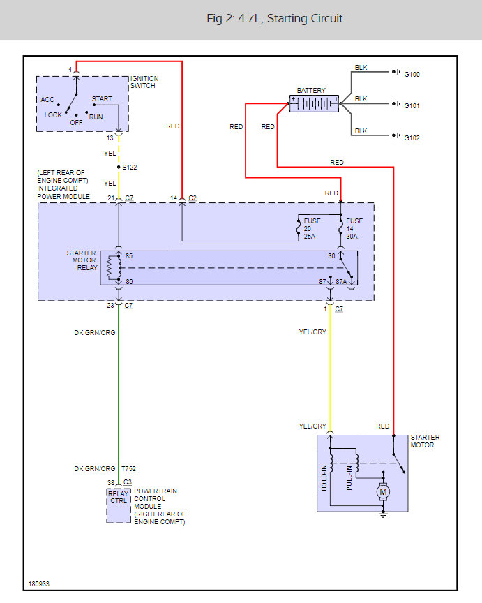
Engine will not crank. It will crank if I bypass the starter relay but will not run with the key in run position. Ignition switch checks good. It is a 45RFE with an internal neutral switch. I do have power at yellow wire with blue stripe at safety switch connection on the transmission with key on. Need some ideas!





