Friday, November 11th, 2022 AT 9:27 AM
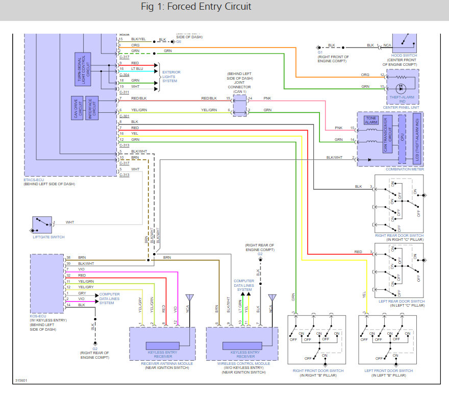
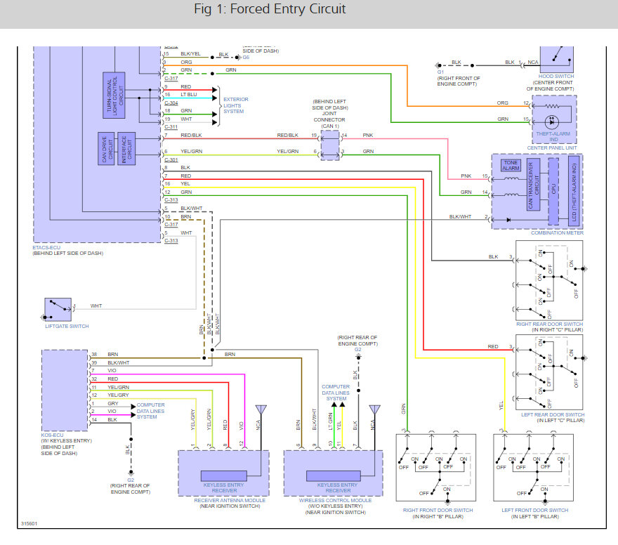
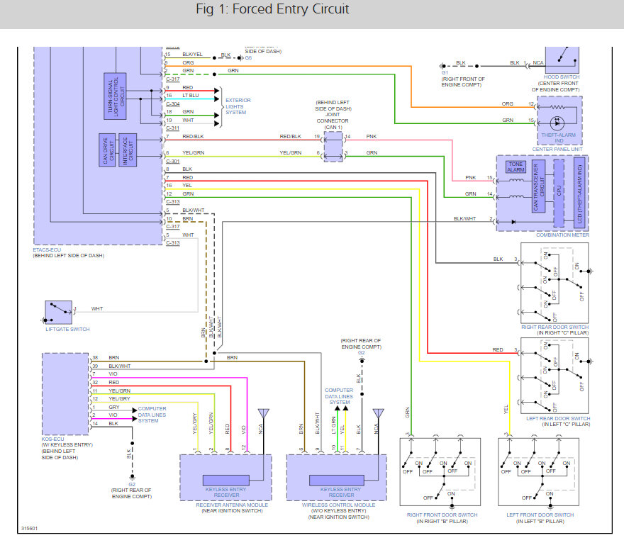
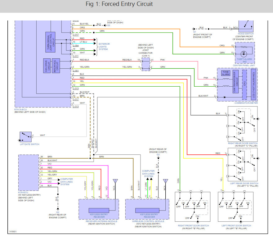
I need wiring diagram for a white rectangular plug-in harness that assembles on the end of the stabilizer control module on one end near steering column on right side. R FCC # ID OUCG8D-648M, Vin#JA4MT31W49ZOO7615.







