Tuesday, December 19th, 2017 AT 5:51 PM
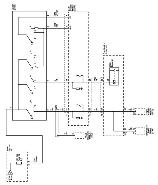
After eight years of owning my vehicle, I had to change the headlight. What a pain in the rear. I started my car and moved it to be in the sun as it was frosty outside with no problem. It took me two days to get the lights done as I had never done it before and could not find out how to take the whole front end of the car apart. After I put the car back together, it would not start. It fired a few times and then stopped and acted like it was flooded. So, I waited a few hours and tried again with the same result. The next day, I tried starting fluid with basically the same result. Another funky thing that happened was that the key stayed in the start position when I released it and the starter kept grinding until I physically turned off the key. I have half a tank of fresh gas. A fresh battery. And have never had a problem with it starting over the past eight years. I have been researching this problem for the past week with no success. I do not have any tools to check fuel pressure but I do hear the hum of the fuel pump when I turn on the key. I have been racking my brain as to what might have happened. Do you have any suggestions? Thanks for any help you can give me.




