Engine stalls

Tiny
JPRO
  • MEMBER
  • 2002 MAZDA TRIBUTE
  • V6
  • 2WD
  • AUTOMATIC
  • 230,000 MILES
Sitting in drive thru line, engine just stopped. Started engine again it started then stopped. Checked fuel has 1/2 tank. Cleaned IAC still starts then stops in seconds. Changed fuel pump no difference. Engine will start then stop in a couple of seconds.
Tuesday, July 30th, 2019 AT 10:02 PM

34 Replies

Tiny
JACOBANDNICKOLAS
  • MECHANIC
  • 110,194 POSTS
Welcome to 2CarPros.

It could be an ignition related issue. The most common cause of what you described is associated with a crankshaft position sensor going bad. Take a look through these links. They describe what the sensor does, symptoms of one that is bad, and in general how one is replaced.

https://www.2carpros.com/articles/how-a-crank-shaft-angle-sensor-works

https://www.2carpros.com/articles/symptoms-of-a-bad-crankshaft-sensor

https://www.2carpros.com/articles/crankshaft-angle-sensor-replacement

__________________________________

The easiest way to identify if this is the problem is using a live data scanner. If the sensor fails, the rpm signal will also stop on the scanner.

If you determine this to be the cause, here are the directions for replacement specific to your vehicle. The attached pictures correlate with the directions.

_________________________________

PROCEDURES
Removal and Installation

1. Raise and support the vehicle.

pic 1

2. Remove the bolts and the right front lower splash shield.

pic 2

3. Remove the crankshaft position (CKP) sensor.
1. Disconnect the electrical connector.
2. Remove the bolt.
3. Remove the sensor.

4. To install, reverse the removal procedure.

_______________________

Let me know if this helps or if you have other questions. Also, if the problem is related to a low idle or something different, let me know.

Take care,
Joe
Was this
answer
helpful?
Yes
No
Wednesday, July 31st, 2019 AT 6:25 AM
Tiny
JPRO
  • MEMBER
  • 9 POSTS
Thanks for the fast reply. Now here's what else I found. Tried to start it today but it didn't even fire. It turns over but no start. So I started checking voltages and found the fuel pump is only getting 6.8 - 7.0 volts. I went back to the cut off switch and it to has only the 7 volts. I swapped the relays around twice and no change. The fuse has 12 v and after pulling the relay it to has 12 volts to it, I believe on terminal 87. I don't know where to check it from here except I found a fuel system diagram some where and it looks like the voltage should be coming from pin 40 of the PCM. I'm not sure if I should unplug the PCM connector to check it there. I not sure if there's some thing else making it put out that low voltage or if that may be normal. I'm don't know where to go from here. Thanks again for your fast reply. Oh I'll change the crankshaft position sensor tomorrow if I can get the chance. Thanks again. Jim
Was this
answer
helpful?
Yes
No
Wednesday, July 31st, 2019 AT 6:31 PM
Tiny
JACOBANDNICKOLAS
  • MECHANIC
  • 110,194 POSTS
Welcome back:

If you have 12v to the relay and out of the relay, and only 7v at the cut off, there is a wiring issue between the two. And yes, you are correct with the pins.

Here is a link that shows how to check a relay:

https://www.2carpros.com/articles/how-to-check-an-electrical-relay-and-wiring-control-circuit

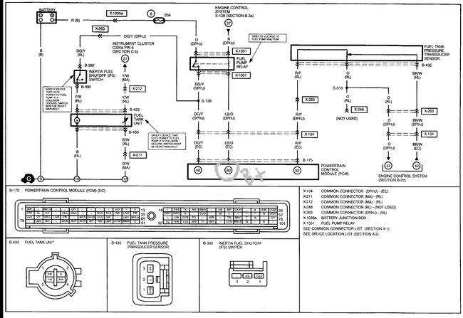
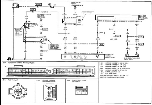
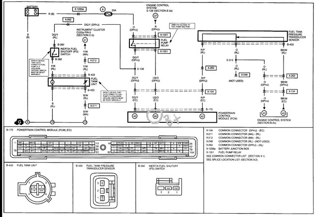
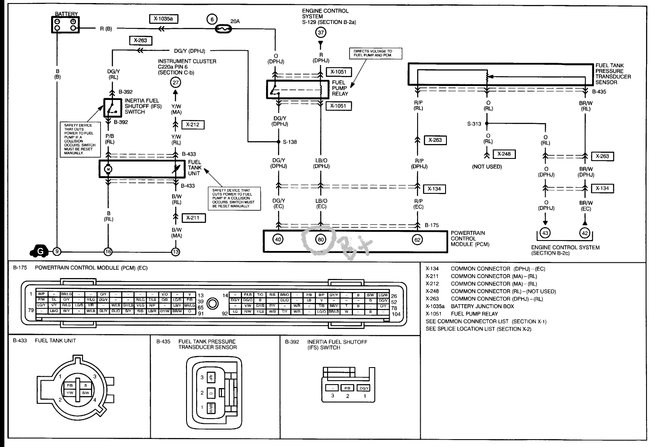
As far as a power drop, the wire itself can have excessive resistance to a partial break, grounded (insulation rubbed through), and so on. The fuel cut off switch may be the cause too. I attached what I believe you already may have. The pics show where power goes. You know, I wonder if there is a weak connection where the power from the relay and PCM join together before going to the cut off. You are checking power into the cut off, correct?

Let me know what you find.

Joe
Was this
answer
helpful?
Yes
No
Wednesday, July 31st, 2019 AT 9:08 PM
Tiny
JPRO
  • MEMBER
  • 9 POSTS
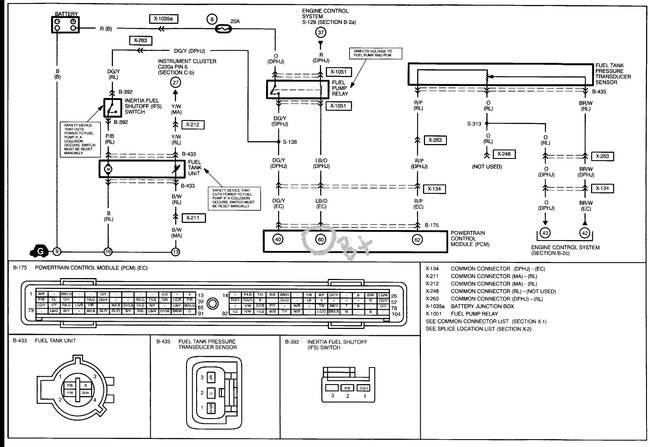
Sorry Joe, I had a few meetings yesterday, but here's what I did so far. I made sure battery was fully charged. I can't start the engine in step 12 of testing relays, so I went on to step 13 with the relay out of circuit and jumped 30 & 87 got 12 v until I turned on the ignition and blew the 20 amp fuse. Before I jumped pins 30 & 87 I checked voltage on both & found 12 v on 87 not on 30. Your diagram says it should be on 30. I put the relay back in and put my Fluke 73 DMM on pump connector across pin 1 & 3 which should be the P/B & B wires to motor. Turned ignition on got 12 v for 2 seconds the it dropped to 6.8 - 7.0 v. I still don't get a service engine code. I'm using a Micro Mechanic Engine Light Check and is says no problems. A little about me. I'm a board level electronic tech. I repair PA Systems, power amps, musical instrument amps, LED light fixtures and systems. I'm not an auto mechanic but know how an engine works except for electronic engine controls and computer systems in the auto world. With that in mind, guild me thru your testing ability. I added an image of the diagram I'm using. Most of my voltage readings are to ground.
Was this
answer
helpful?
Yes
No
Friday, August 2nd, 2019 AT 1:46 PM
Tiny
JACOBANDNICKOLAS
  • MECHANIC
  • 110,194 POSTS
If you had 12v for a short time and then it dropped off, that's normal. The PCM will prime the pump and then not power it until it see ignition. Did the pump turn on at all? In addition to checking the relay, did you try switching it with a known good one?
Was this
answer
helpful?
Yes
No
Friday, August 2nd, 2019 AT 7:43 PM
Tiny
JPRO
  • MEMBER
  • 9 POSTS
I don't know if the pump ran. When I turned the engine over, I don't think the voltage came back up. I'll check that again. I switched the fuel relay with 2 other relays. There are 6 relays with the same part number in the battery junction box. I swapped it with main fan and add fan relay, no change. Maybe I should be sure the pump is still working. How would I do that? Maybe hook up another 12 v source? I have adjustable DC power supplies rated up to 30 amp. Or another battery from my Jeep. Just take it out of the car and hook it to the pump motor wires. I'll try that next, I guess. Thanks for being so patient with me. I'll let you know what I find. Jim
Was this
answer
helpful?
Yes
No
Saturday, August 3rd, 2019 AT 2:03 AM
Tiny
JACOBANDNICKOLAS
  • MECHANIC
  • 110,194 POSTS
Welcome back:

You could run power to it to see if it works. Also, when you checked power, did you have the pump connected? If so, disconnected the power supply and then check it.

Keep me in the loop.

Take care,
Joe
Was this
answer
helpful?
Yes
No
Saturday, August 3rd, 2019 AT 8:41 PM
Tiny
JPRO
  • MEMBER
  • 9 POSTS
Using the battery in the car, I checked the volts at the pump and got 12.74 v when I turned the ignition on. Then it dropped back to 6.8 v. Then I tried to start the engine and it came back up to 10.48 v. I don't know if the voltage drop is normal or not. Then I put a hose on the bigger output connection to a bucket and tried it again and I didn't get any fuel. I tried that with the smaller output connection and didn't get any fuel there either. A friend brought over an other fuel pump from a 2004 Mazda Tribute V6 and put it in and I get the same results. He says his pump came out of a running engine that the trans was bad. I don't know for sure if his is really a good pump. What do you think I should do next? Again thanks for being so patient we me.
Was this
answer
helpful?
Yes
No
Monday, August 5th, 2019 AT 5:53 PM
Tiny
KEN L
  • MASTER CERTIFIED MECHANIC
  • 55,488 POSTS
If I can jump in here. The computer will not turn the fuel pump on if it does not see ignition activity which brings us back to the crank angle sensor. Did you install a new one?
Was this
answer
helpful?
Yes
No
Thursday, August 8th, 2019 AT 12:25 PM
Tiny
JPRO
  • MEMBER
  • 9 POSTS
No, but I will do that and try it again and get back to you with the results ASAP. Thanks and I do hope that fixes it. Jim
Was this
answer
helpful?
Yes
No
Thursday, August 8th, 2019 AT 2:38 PM
Tiny
JACOBANDNICKOLAS
  • MECHANIC
  • 110,194 POSTS
Welcome back:

As Ken mentioned, if the computer doesn't see ignition, it won't pump gas. However, I don't like the voltage drop. It's almost as if there is a bad switch that can't handle the load. Does it start with starting fluid? Also, were you able to check the relay?

Let us know what you have found so far.

Take care,
Joe
Was this
answer
helpful?
Yes
No
Thursday, August 8th, 2019 AT 8:17 PM
Tiny
JPRO
  • MEMBER
  • 9 POSTS
Yes, it starts with starting fluid, and the relay checks good and has been changed with others of the like. The 20 amp fuse is good and shut off switch checks OK in the tripped and reset position. I changed the crankshaft position sensor with a new one and tried it again. Turns over but no start, but will with starting fluid still. I bet I'm a pain in the, and again thanks, Jim. PS I'm learning a lot though. Lot different from transistors, bias circuits, o/p drivers and op-amps.
Was this
answer
helpful?
Yes
No
Friday, August 9th, 2019 AT 6:15 PM
Tiny
JACOBANDNICKOLAS
  • MECHANIC
  • 110,194 POSTS
Welcome back:

If it starts with starting fluid, then the ignition isn't the issue. Since you are getting 12v and then it drops off, I have a feeling either the splice between the inertia switch is weak or the inertia switch itself is bad.

Just to reconfirm. If you run power direct to the pump, does it run? I know a different pump did the same thing, but something doesn't seem right. The motor getting 12v at first and then dropping off still should run the pump to prime the system.

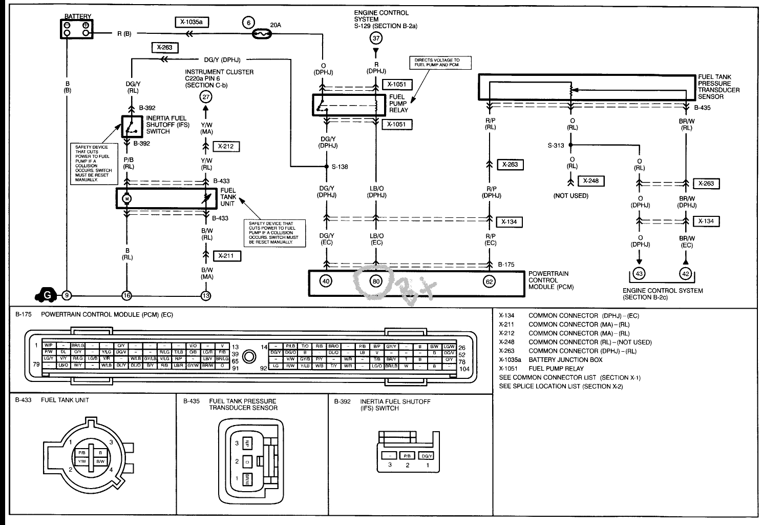
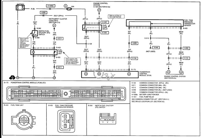
Let me know. I attached a pic of the schematic for you to see the two things I am suspecting are bad. If the splice is good, I would try a different inertia switch. It may not be able to maintain the draw.

Let us know.

Take care,
Joe
Was this
answer
helpful?
Yes
No
Friday, August 9th, 2019 AT 8:36 PM
Tiny
JPRO
  • MEMBER
  • 9 POSTS
I ran a long cable (14 ga) from the positive post of battery to the pump and put a pin test lead through the PNK/B cable and it didn't run. I took the negative cable off the battery and clamped a long cable to it (not the post) and checked the ground from there to the pump. It showed.3 ohm. I did the same thing from the relay pin 87 to the pumps PNK/B wire got the same thing, .3 ohm. I'm using a Fluke 73 DMM for a meter
.
I understand that's not under a load, but I don't know how to test it any other way but check the voltage drop when it's running which it not. The voltage drop I got before could have been caused by a shorted motor, I guess. Could the pump have started failing at first and finally gave it up? I guess now it's time to get a new pump?

I couldn't find where the splice was but I did check the resistance of the switch in the open and closed positions and got.02 ohm closed (test leads) and OL in the open position. Let me know what you think.

I;m prepared to purchase another pump and if that doesn't do it then I'll replace every thing including the high $ switch and low $ relay and fuse and finally run new cable from the relay to the switch and then to the pump. Anyways let me know what you think now. I'm sorry for being a pain but you sure are great at helping me. I sometimes get customers like me too, and what a pain they are.
Thanks again, Jim
Was this
answer
helpful?
Yes
No
Saturday, August 10th, 2019 AT 12:28 PM
Tiny
JPRO
  • MEMBER
  • 9 POSTS
Hey Joe,
Thanks for all your help. I figured we spent enough time on this project, so I broke down and bought a fuel pump and varoom off she went. I also got a couple of connectors to replace a few tore up ones. So far it's idling sooth. I haven't been on the road yet, but I will be soon.

I can't thank you enough for your time but if there is a way, let me know.

Put Ken on line

Hello, Ken? I want you to know you have one great mechanic. Joe's the kind of employee I wish I could find in my business. Thanks for having a company that's for the DIY'ers. Let me know how I can help promote your business. Thanks again and warning, I'll be back if I have more problems. Jim
Was this
answer
helpful?
Yes
No
Saturday, August 10th, 2019 AT 5:21 PM
Tiny
JACOBANDNICKOLAS
  • MECHANIC
  • 110,194 POSTS
Welcome back:

Wow. I'm glad it's running again and you are very welcome for anything I was able to offer. Thank you also for the compliment. It's appreciated more than you realize.

I will forward the link to Ken. Interestingly, the website was his mother's idea many years ago. I wish I would have known her. Smart woman. As far as how you can return the favor, simply tell others we are here. That's the best thing anyone can do.

Jim, you are always welcome back. Please let us know if we can help in the future.

Take care and enjoy the new fuel pump. LOL

Joe
Was this
answer
helpful?
Yes
No
Saturday, August 10th, 2019 AT 6:28 PM
Tiny
KEN L
  • MASTER CERTIFIED MECHANIC
  • 55,488 POSTS
Thanks Jim! We are truly lucky to be able to help people and ask noting in return. My Mom was a special woman :)
Was this
answer
helpful?
Yes
No
Monday, August 12th, 2019 AT 10:33 AM
Tiny
WAYERS87
  • MEMBER
  • 7 POSTS
  • 2002 MAZDA TRIBUTE
  • 3.0L
  • 6 CYL
  • AWD
  • AUTOMATIC
  • 160,000 MILES
Battery died after using radio for over an hour without the vehicle running, got a jump and drove home. The next day it started and when my wife turned the headlights on it almost shut off and she panicked and cut it off it would not start again. I jumped it again and pulled the battery cable to see if the alternator would keep it running and it shut off immediately.
Was this
answer
helpful?
Yes
No
Monday, August 12th, 2019 AT 10:33 AM (Merged)
Tiny
WRENCHTECH
  • MECHANIC
  • 20,761 POSTS
You are making two very big mistakes here.

Never remove the battery cable from a running car. That is the fastest way to fry every computer in the car.

Never jump a dead battery and drive the car to recharge it. Today's alternators are only designed to maintain a battery, not to charge one from totally dead. That overloads the alternator and often causes it to fail. Always use a battery charger on a dead battery before running the car.

At this point what you need to do is first fully charge the battery with a charger and then have it and the charging system tested. You have to have a good battery before testing the alternator.
Was this
answer
helpful?
Yes
No
Monday, August 12th, 2019 AT 10:33 AM (Merged)
Tiny
WRENCHTECH
  • MECHANIC
  • 20,761 POSTS
The other issue I did not address is after a battery has been disconnected or run totally dead, the computer loses its learned memory and it may have an unstable idle until the computer relearns the idle strategy. It should do this through normal driving. If it does not, disconnect the battery and start over.
Was this
answer
helpful?
Yes
No
Monday, August 12th, 2019 AT 10:33 AM (Merged)

Please login or register to post a reply.