Engine overheating when A/C is not on

Tiny
CRAIGOMURPHY
  • MEMBER
  • 2011 CHEVROLET SILVERADO
  • 4.8L
  • V8
  • 2WD
  • AUTOMATIC
  • 220,000 MILES
The radiator fans only run when the A/C is on, which causes the engine to overheat when not running. I have switched the relays and put in a new temperature sending unit, no luck.

Any suggestions?
Friday, April 29th, 2022 AT 2:42 PM

1 Reply

Tiny
KASEKENNY
  • MECHANIC
  • 18,907 POSTS
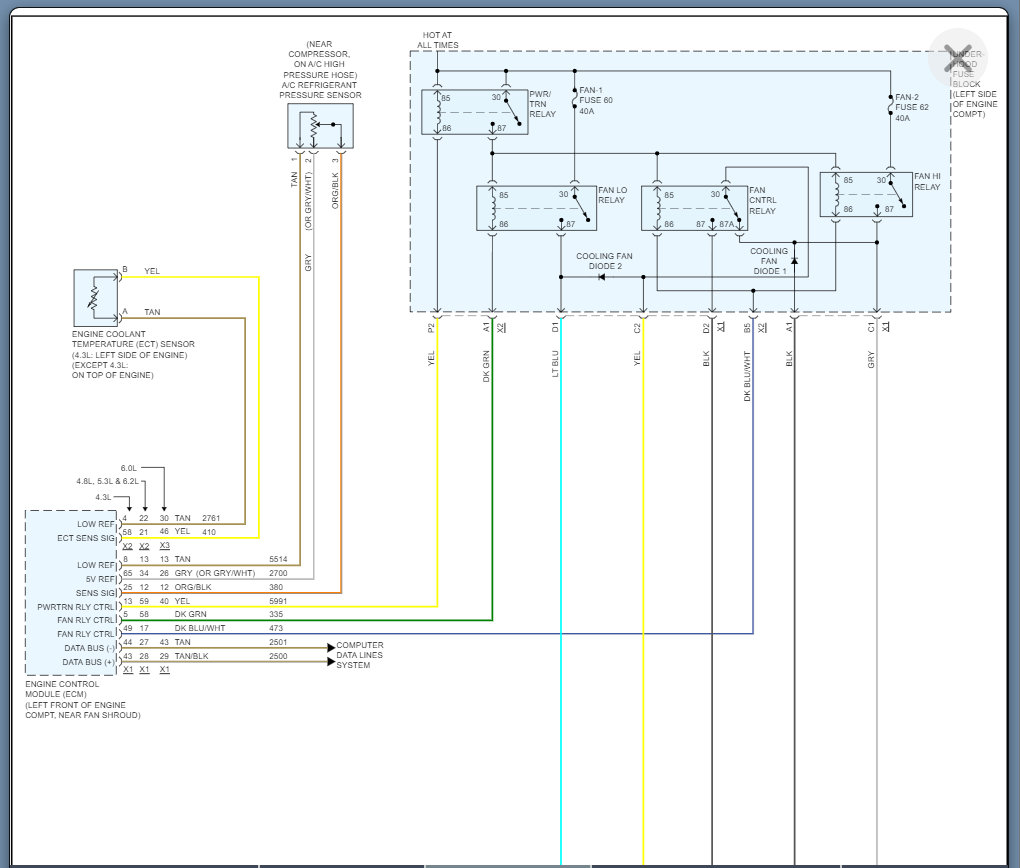
So, there are a couple things that can cause this. Basically, you covered a couple of them with the relays and temperature sensor but the next thing to do is check the voltage at the relays to find out if they are getting commanded on by the PCM.

We need to check for ground on the three control wires from the PCM to the relays.

https://www.2carpros.com/articles/how-to-check-wiring

The way we do this is we need to put the meter on battery positive and then put the black lead on the relay terminal that leads to the PCM and then start the engine. When the temp comes up the PCM should ground these terminals which means the meter will read 12 volts or if you want to use a test light, the light should turn on.

This means the PCM is grounding the relays and commanding them on.

However, if the fans work when the A/C is on then that means the PCM can ground them. We just need to find out if they are not grounding them when they should.

I suspect this is going to be a PCM issue, but we need to prove this out so let me know what questions you have.

Thanks
Was this
answer
helpful?
Yes
No
Saturday, April 30th, 2022 AT 6:22 PM

Please login or register to post a reply.