Engine overheating, the cooling fans are not turning on?

Tiny
COREY C
  • MEMBER
  • 2006 NISSAN ALTIMA
  • 2.5L
  • 4 CYL
  • 2WD
  • AUTOMATIC
  • 150,000 MILES
The. 40A fuse is good. Does coolant temperature sensor in water neck control the fans?
Sunday, February 12th, 2023 AT 8:27 AM

3 Replies

Tiny
KEN L
  • MASTER CERTIFIED MECHANIC
  • 55,097 POSTS
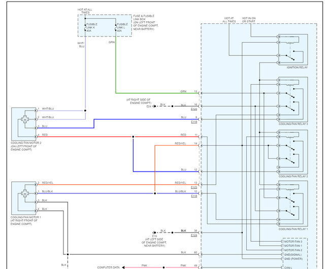
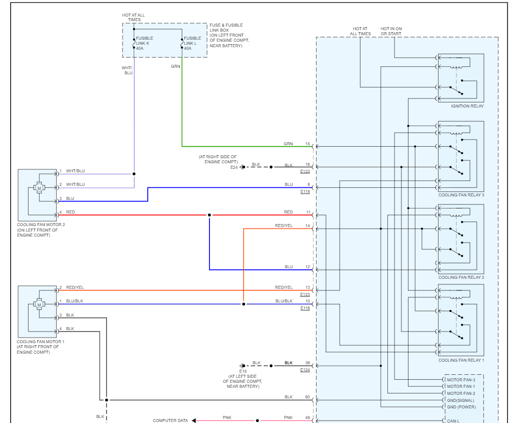
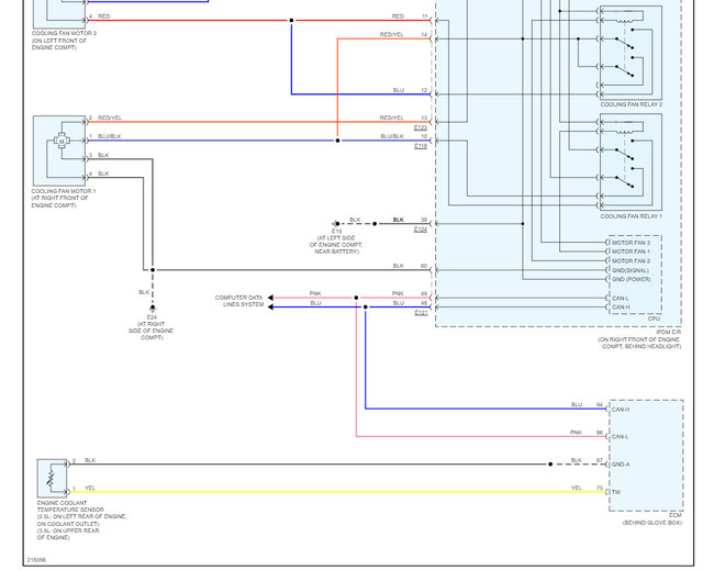
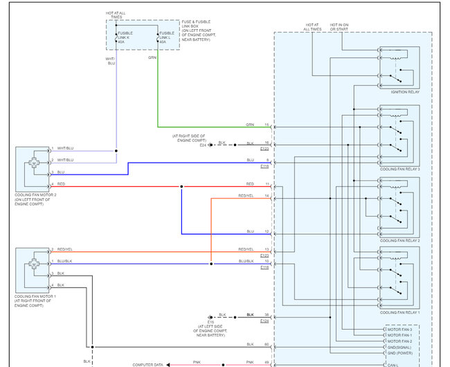
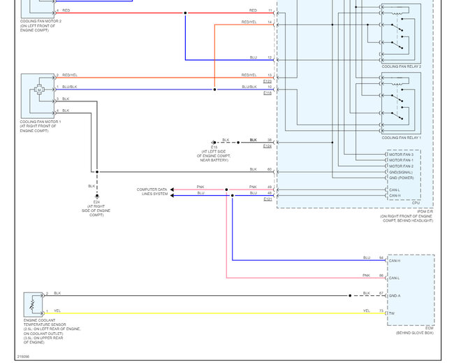
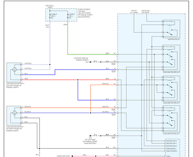
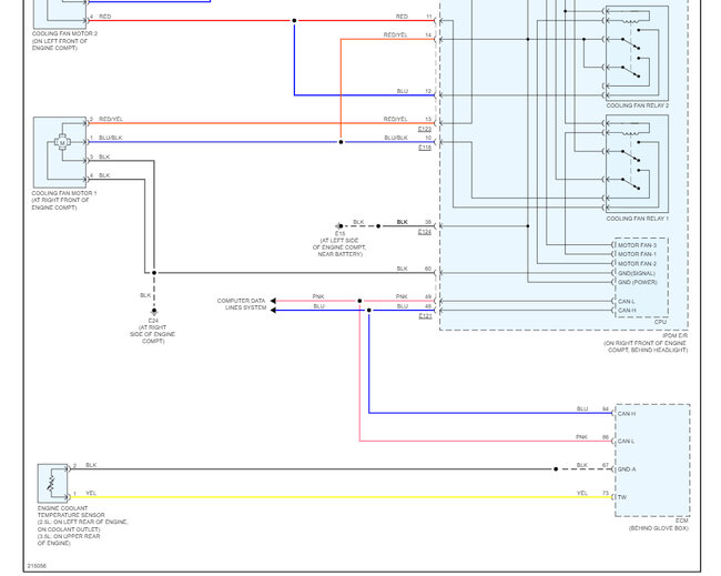
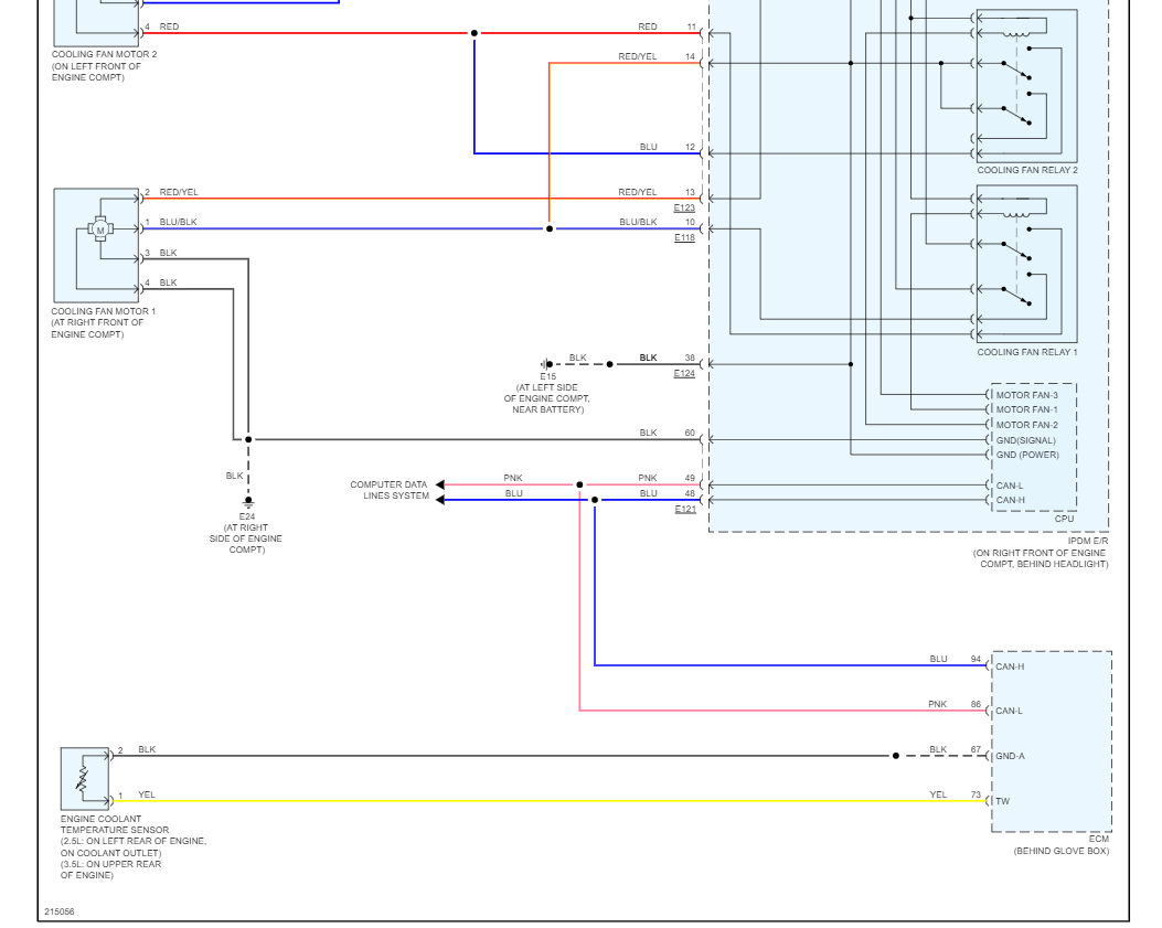
Yes, the coolant sensor does run the cooling fan via the ECM the IPDM I would check the fusible link K and L in the main fuse panel under the hood in case one of the fan motors has shorted out and popped the link. Also try to turn the fan motors by hand (engine off) to see if they seem to spin freely if not, they need to be replaced. Here is the link location so you can check it out and the wiring diagrams for the fan motors so you can see how the system works. I have also included the location of the coolant temperature sensor so you can swap it out. If the fan motors are okay, I have to tell you I have seen the IPDM go out and cause this issue of the fans not working.

This guide can help you check for power at the link:

https://www.2carpros.com/articles/how-to-use-a-test-light-circuit-tester

Check out the images (below). Please let us know what happens.
Was this
answer
helpful?
Yes
No
Sunday, February 12th, 2023 AT 1:51 PM
Tiny
COREY C
  • MEMBER
  • 2 POSTS
Thank you, Ken,

I have checked the 40-amp fuse for the fans and all 3 relays, they all check good. I am reading 0 continuity through the coolant temperature switch at this point.
Was this
answer
helpful?
Yes
No
Sunday, February 12th, 2023 AT 2:00 PM
Tiny
KEN L
  • MASTER CERTIFIED MECHANIC
  • 55,097 POSTS
Okay, that sounds like it is bad, do you have a trouble code for the sensor? Here is a guide to help run the codes and confirm the sensor failure:

https://www.2carpros.com/articles/checking-a-service-engine-soon-or-check-engine-light-on-or-flashing

Please go over this guide and report back to me. Also let me know if you change the sensor.
Was this
answer
helpful?
Yes
No
Monday, February 13th, 2023 AT 1:45 PM

Please login or register to post a reply.