Engine not cranking

Tiny
GREGORY JONES
  • MEMBER
  • 1993 CADILLAC DEVILLE
  • 4.9L
  • V8
  • 2WD
  • AUTOMATIC
  • 72,000 MILES
When I turn the key all it does is click and the lights come on. Also, the security light keeps blinking. What is stopping my engine from starting?
Thursday, March 31st, 2022 AT 4:05 AM

1 Reply

Tiny
JACOBANDNICKOLAS
  • MECHANIC
  • 110,194 POSTS
Hi,

If it only clicks, it could be a weak battery, poor connection between the battery and starter, or the starter motor itself.

First, confirm the battery is properly charged. Follow this simple link to load test it:

https://www.2carpros.com/articles/car-battery-load-test

If that tests good, then confirm the battery cables are tight and clean, free of corrosion.

If they are, then I need you to check for power at the starter motor. You will need a helper for this.

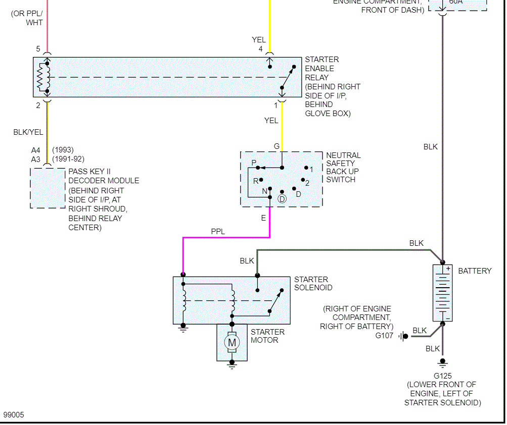
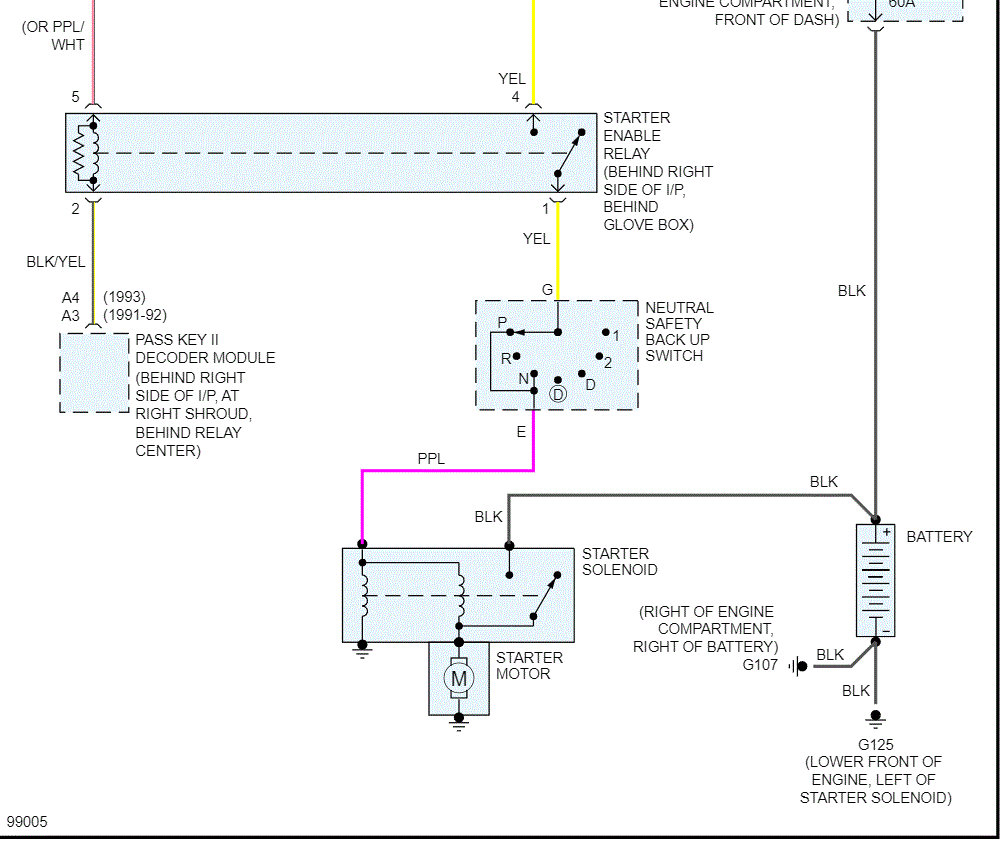
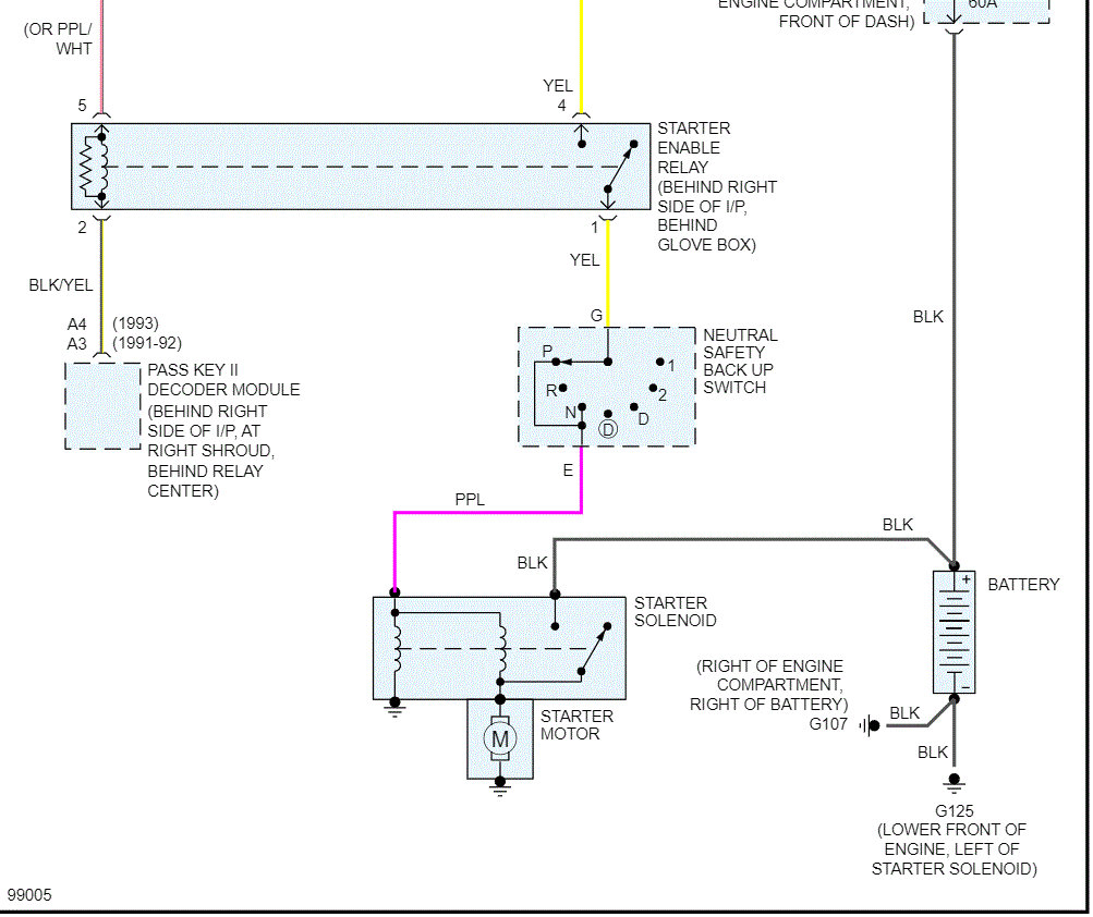
At the starter, there will be a heavy gauge wire that has 12v at all times. Also, there is a smaller gauge wire that is purple. It should only have 12v when the key is in the start position. Have a helper turn the key to the start position while you check for power.

If there is power, the starter is the likely problem.

I attached the wiring schematic below for your review and reference. Also, here is a link you may find helpful:

https://www.2carpros.com/articles/starter-not-working-repair

Let me know what you find or if I can help in any way.

Take care,

Joe

See pics below.
Was this
answer
helpful?
Yes
No
Thursday, March 31st, 2022 AT 7:32 PM

Please login or register to post a reply.