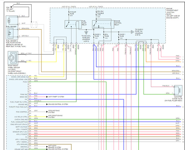
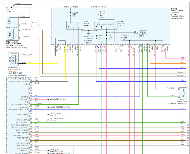
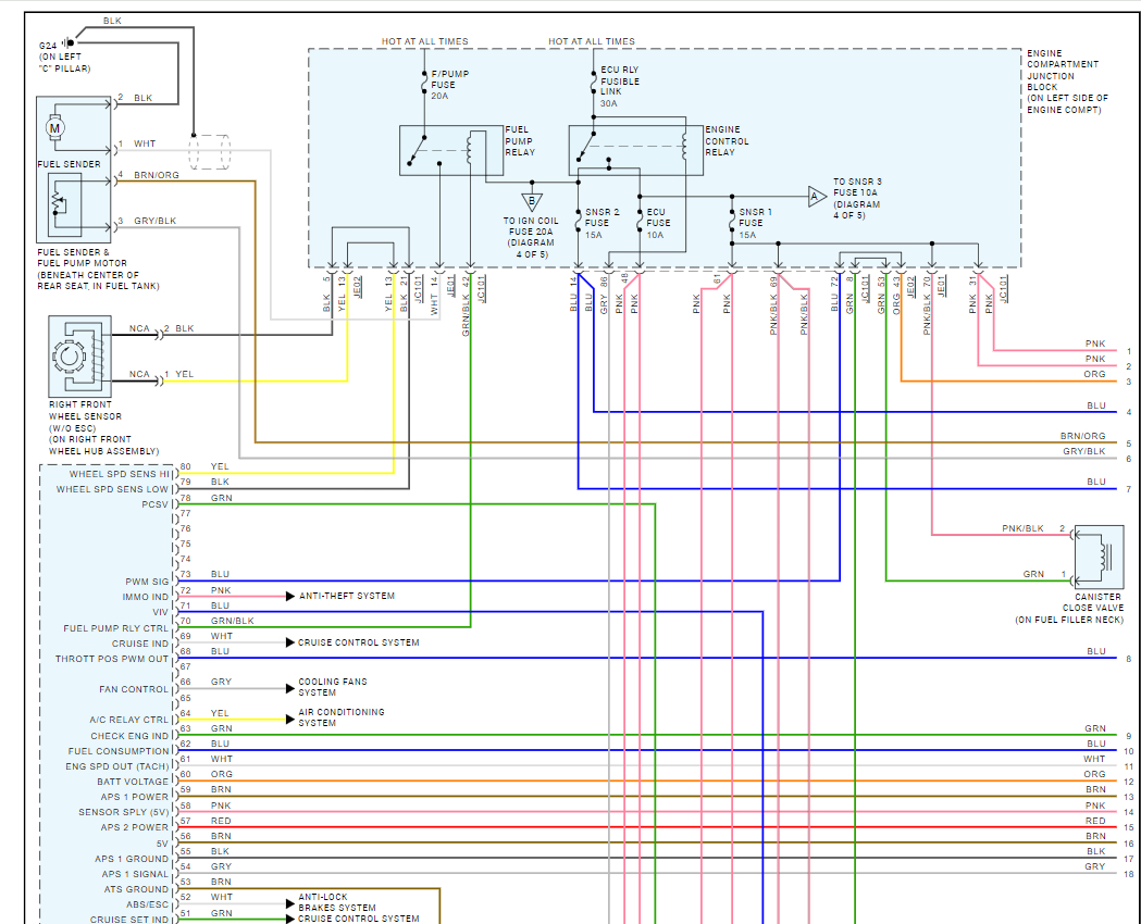
Hi, the problem is the engine light is on and while it's on I'm losing acceleration and sometimes it disappears. some mechanic asked me to change the pedal acceleration and I've done it but I'm still facing the same problem. the codes i got are P2138, P2106, and P0198.
Maybe this is related to the problem i had changed the gear box after three days of the change. These problems show up please help me.
Maybe this is related to the problem i had changed the gear box after three days of the change. These problems show up please help me.
Apr 22, 2024 at 6:33 AM








