Monday, November 12th, 2018 AT 5:54 AM
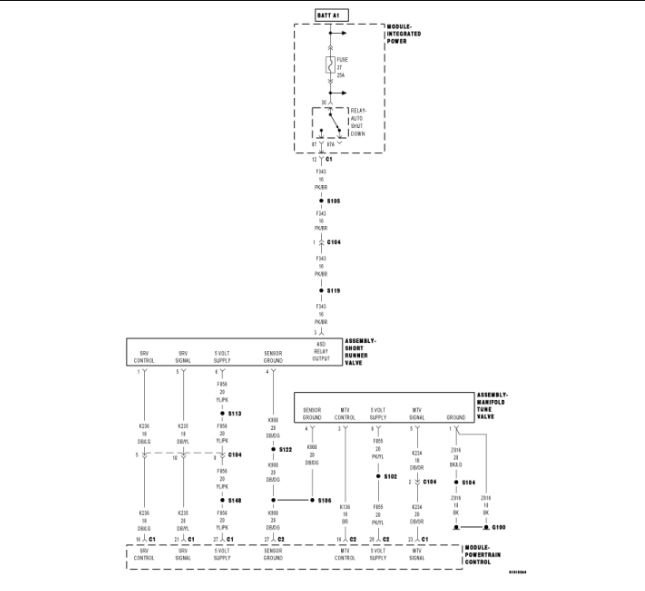
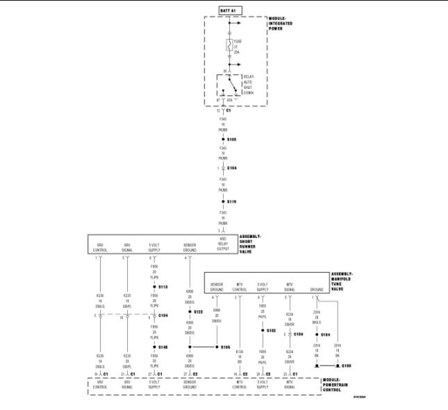
I put my car on the machine because engine light came on. It came back with code p0660 manifold tuning valve. I replaced the whole unit and the light still on with the same code p0660. What can I do next to fix the problem?



