Engine fan

Tiny
FEATHERSTONE
  • MEMBER
  • 2004 CHRYSLER PT CRUISER
  • 2.0L
  • 4 CYL
  • 2WD
  • MANUAL
  • 280,000 MILES
How do you wire the fan to stay on all the time.
Thursday, December 19th, 2019 AT 5:32 AM

2 Replies

Tiny
SCGRANTURISMO
  • MECHANIC
  • 4,897 POSTS
Hello,

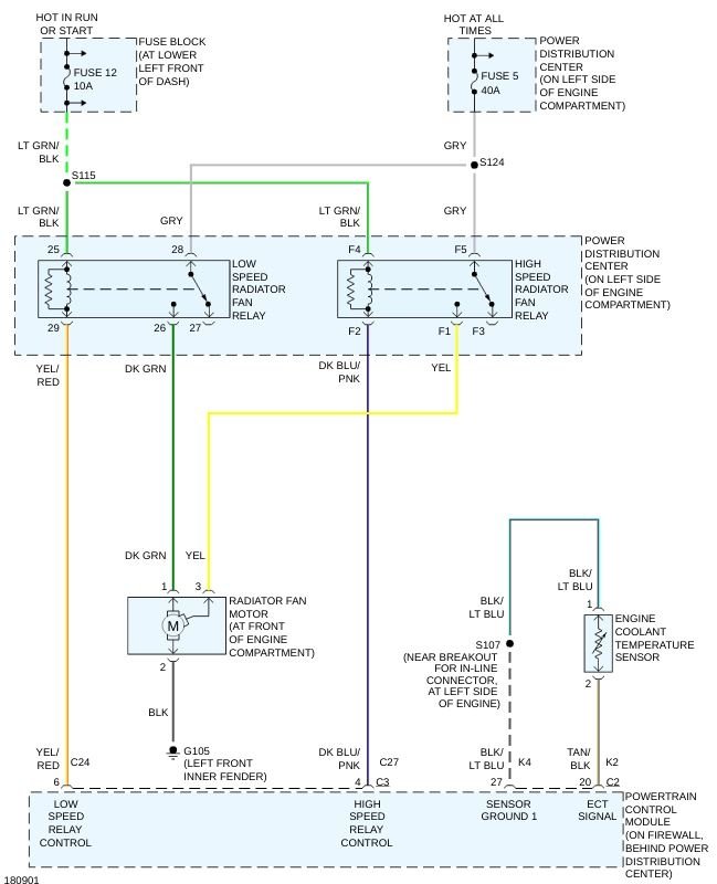
Okay to do this it is a fairly simple procedure. You will need 3 scotch lock connectors, a toggle switch[if wanting to turn the fan on/off manually], or a 4 pin relay [if wanting to have the fan constantly on when the vehicle is on and turn off when the vehicle turns off] and at least 4 female spade connectors, and a ring connector with a self tapping screw, and some insulated wire. In the diagrams down below I have included a wiring diagram for your vehicle's cooling fan circuit. Okay, here are the instructions for the toggle switch option. Step 1] Install a scotch lock on the gray wire coming from fuse 5 in the Power Distribution Center on the left side of the engine compartment and from the other scotch lock terminal run a length of wire to one terminal of the toggle switch Step 2] Install a scotch lock on the Dark Green wire[Pin 1 of the electrical connector] going to the cooling fan. Run a length of wire from the other scotch lock terminal to the other terminal of the toggle switch. Installation is done. When the toggle switch is turned on the fan will run. Here are the instructions for the relay option. Step 1] Install a scotch lock on the gray wire coming from Fuse 5 in the Power Distribution Box and a length of wire from the other scotch lock terminal to pin 87 of the relay. Step 2] install a scotch lock on the dark green wire[Pin 1 of the cooling fan electrical connector] going to the cooling fan and from the other scotch lock terminal run a length of wire and connect it to Pin 30 of the relay. Step 3] Install a scotch lock to the light green/black wire coming from fuse 12 of the fuse block at the lower left front of the dash and from the other scotch lock terminal run a length of wire to Pin 86 of the relay. Step 4] Run a length of wire from Pin 85 of the relay and ground it to the chassis. Installation is done. Now when the vehicle is in either start or run the cooling fan will be on. I hope this helps.

Thanks,
Alex
2CarPros
Was this
answer
helpful?
Yes
No
+2
Thursday, December 19th, 2019 AT 6:56 AM
Tiny
STEVE W.
  • MECHANIC
  • 15,606 POSTS
Except wiring it on all the time will likely over cool the system and cause a lot of battery drain as that fan is a current hog. What is the issue you are having? Fan is not coming on and engine is overheating? If that is the case it can be the fan itself or its control circuit. This circuit works using the ECT to tell the control module when and how fast the fan should run. To test what the issue is is very easy and requires nothing more than a test light connected to ground. First turn the key on and look at the two fan fuses. Touch the light to the tabs on top of the fuses. They should light on both sides of both fuses if the fuses are good and they have power. Next you need to verify the relays are working. To do that the easy way you need to access the two wires that go to the PCM. Those would be the yellow wire with red stripe and the dark blue wire with a pink stripe. Use the test light to pierce the insulation of those wires and see if the relays turn on and activate the fan at different speeds. Yellow is low speed, blue is high speed. If those both work then the issue is either in the PCM or the coolant temperature sensor.
Was this
answer
helpful?
Yes
No
Thursday, December 19th, 2019 AT 11:17 AM

Please login or register to post a reply.