Tuesday, November 14th, 2023 AT 6:16 AM
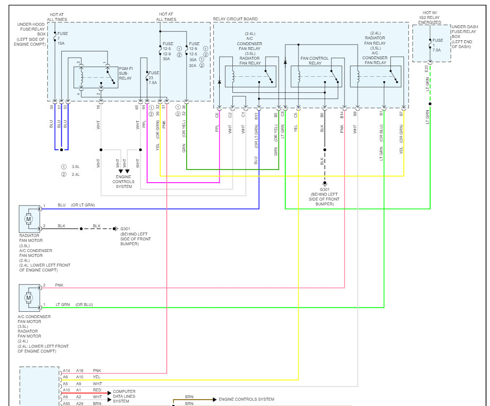
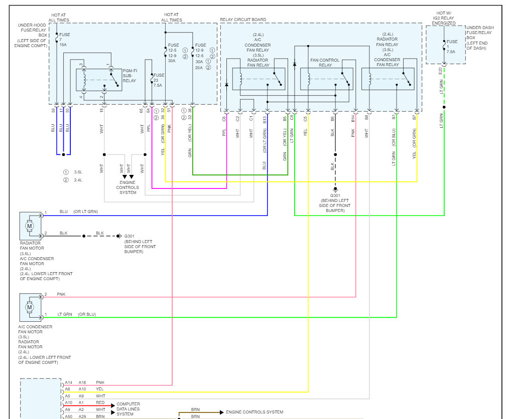
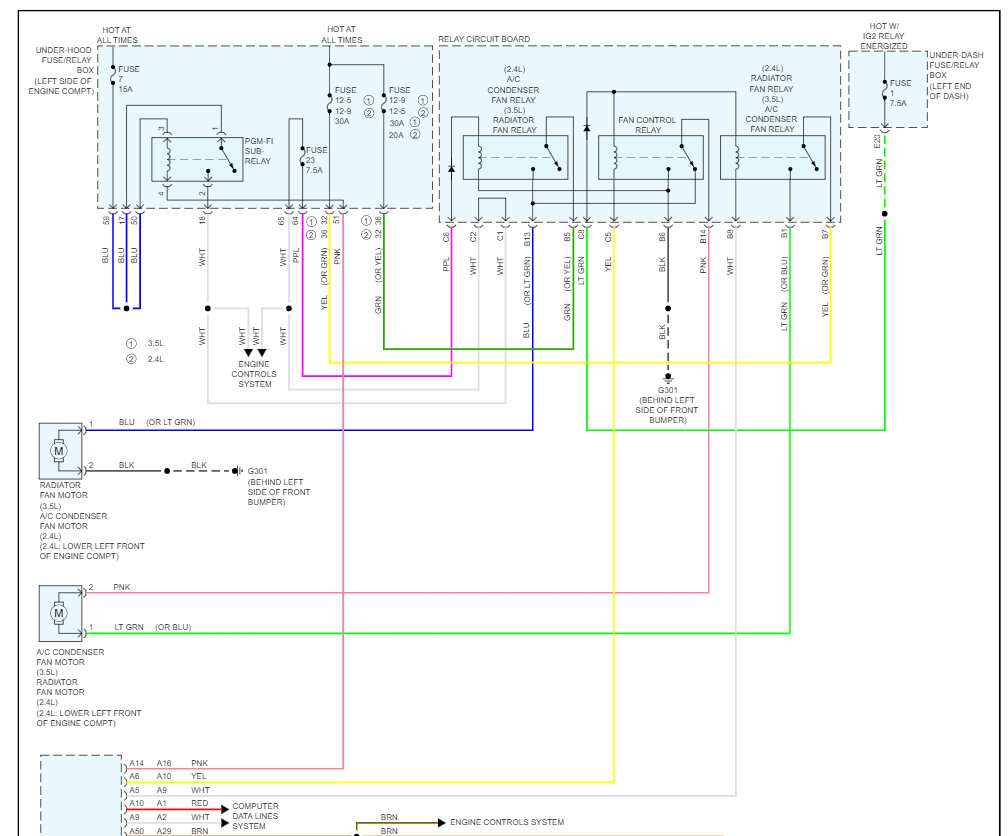
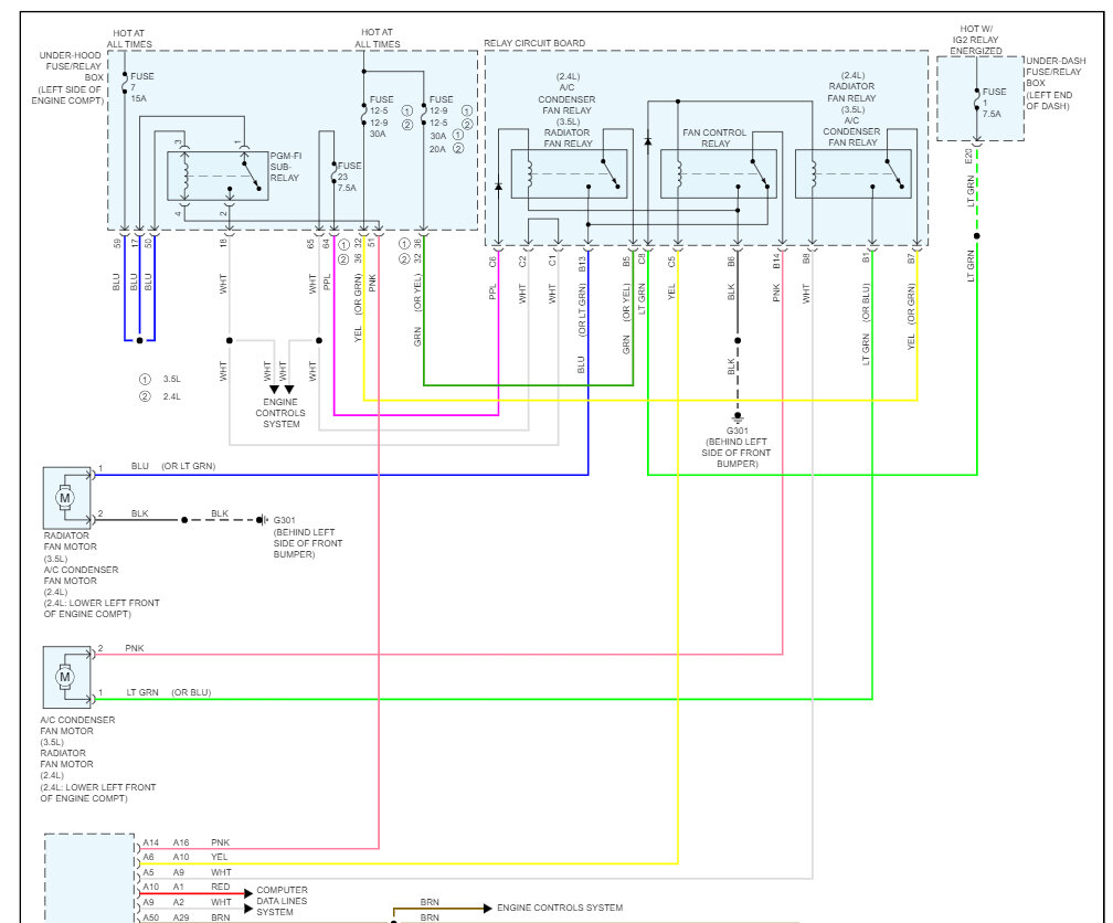
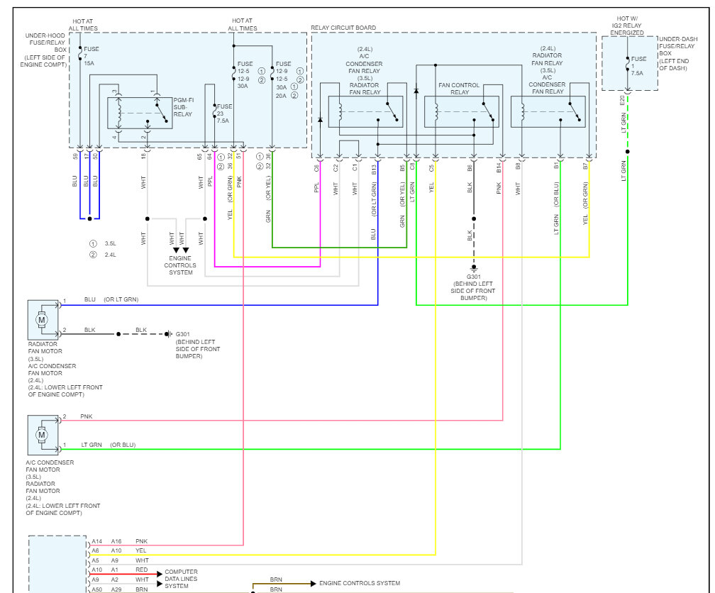
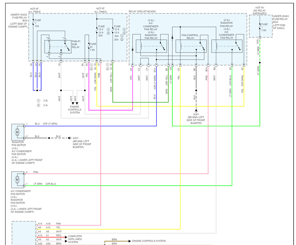
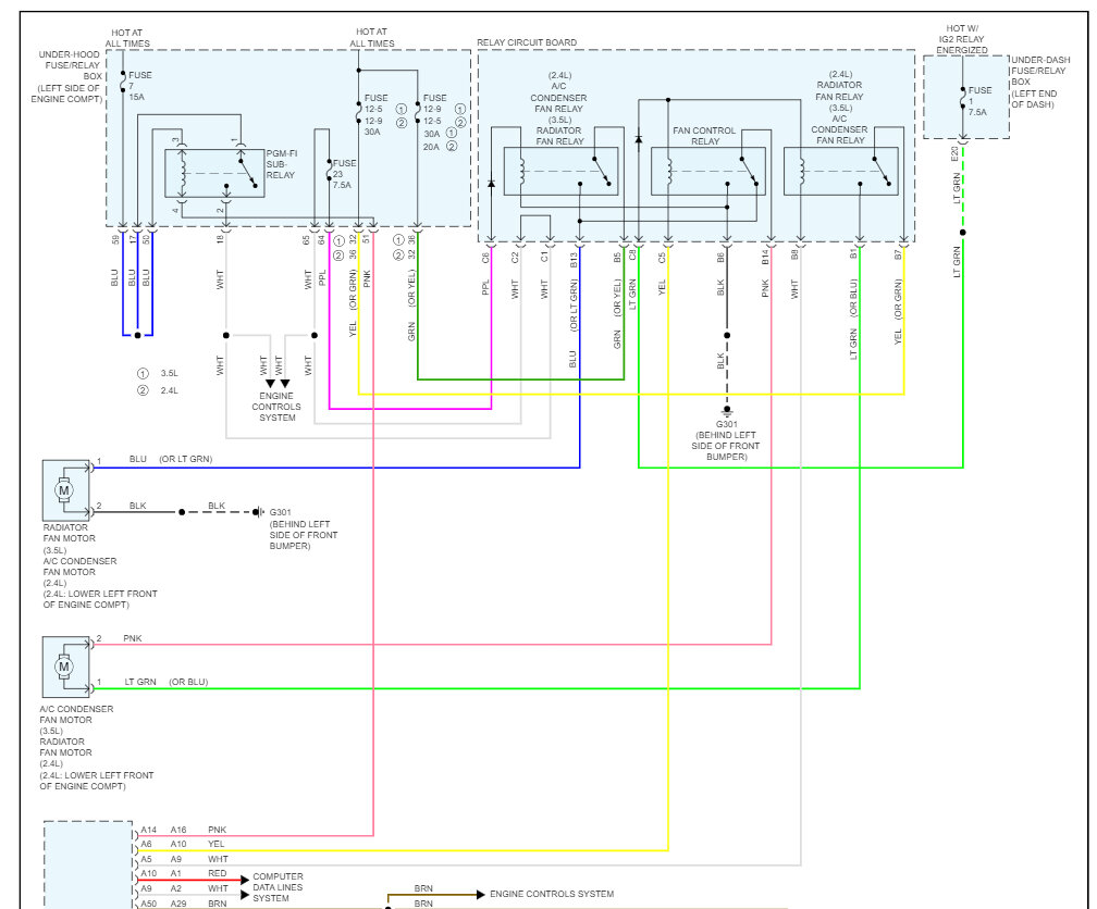
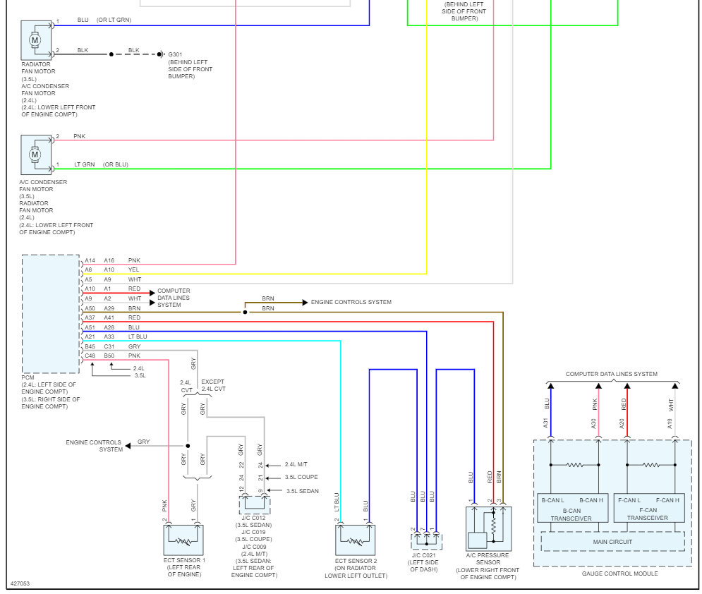
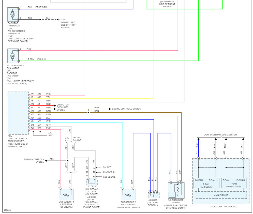
The two cooling fans are not functioning, it has been bypassed using relay before now. Please could I get the circuit wire diagram for the cooling fans to reconnect it to it normal circuit? And at what conditions should the fans come on?


