Wednesday, October 30th, 2024 AT 7:24 AM
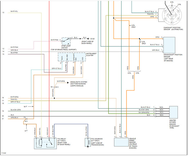
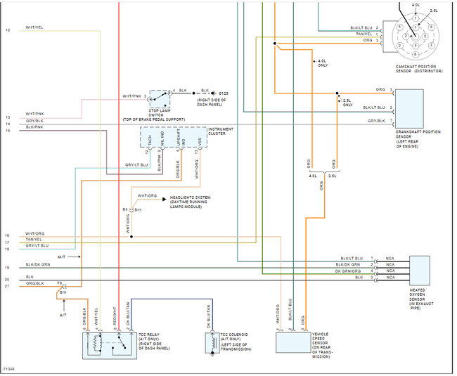
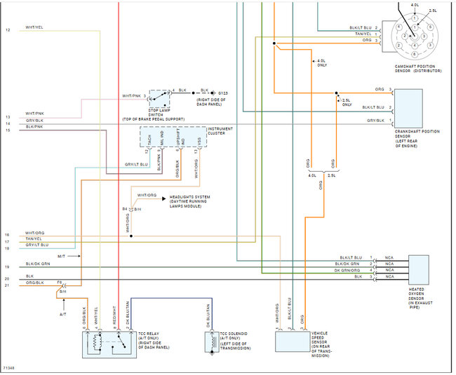
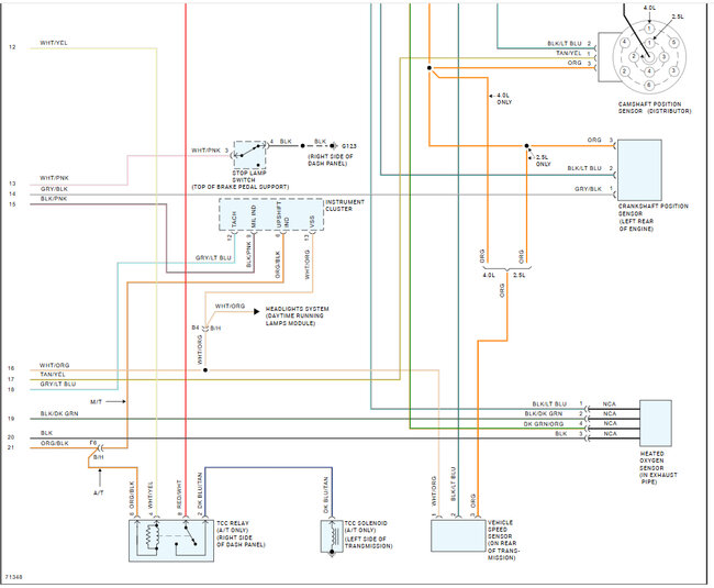
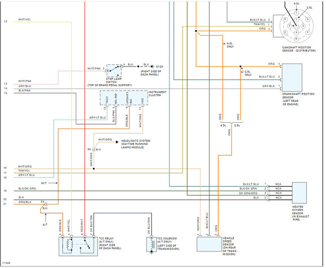
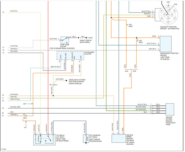
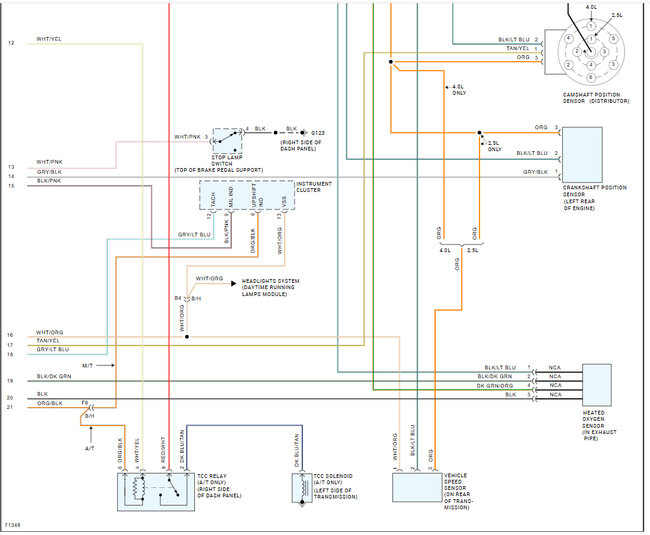
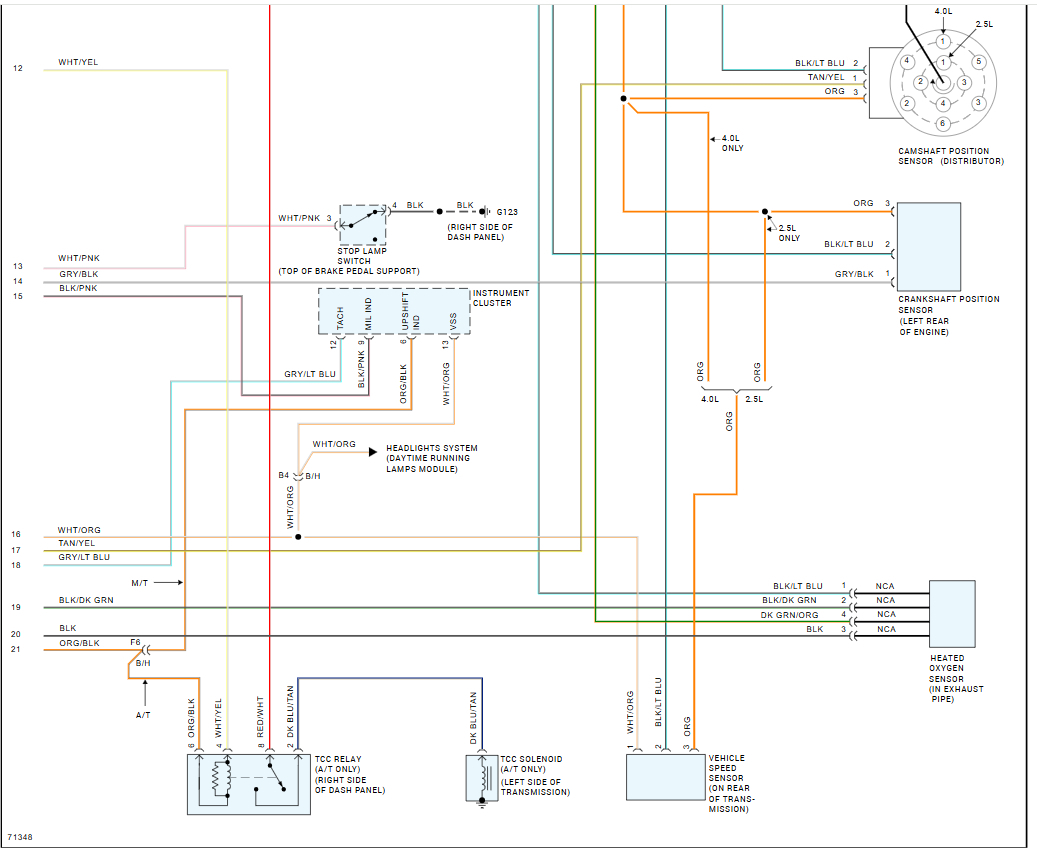
I replaced my 95 YJ engine with a 98 YJengin and now the no start symptoms are no check engine light, Fuel gauge pegged above full. No fuel in fuel rail. Fires using starting fluid. I replaced the Crank position sensor, Pickup coil, fuel pump and computer capacitors. I am not a mechanic; I am only guessing maybe replace computer to a 1998 and then replace wire harness because computer plugs are diffrent. Any ideas are greatly appreciated.









