What fuse is attached to the emissions plugin?

Tiny
JTONTODONATI
  • MEMBER
  • 2005 HONDA ACCORD
  • 4 CYL
  • AUTOMATIC
  • 285,000 MILES
Emissions said there was no power to the plug in to read emissions. Saw a video about replacing a fuse as a possible solution. However, I can't figure out what fuse is attached to the emissions plugin.
Wednesday, January 10th, 2024 AT 12:52 PM

1 Reply

Tiny
AL514
  • MECHANIC
  • 5,595 POSTS
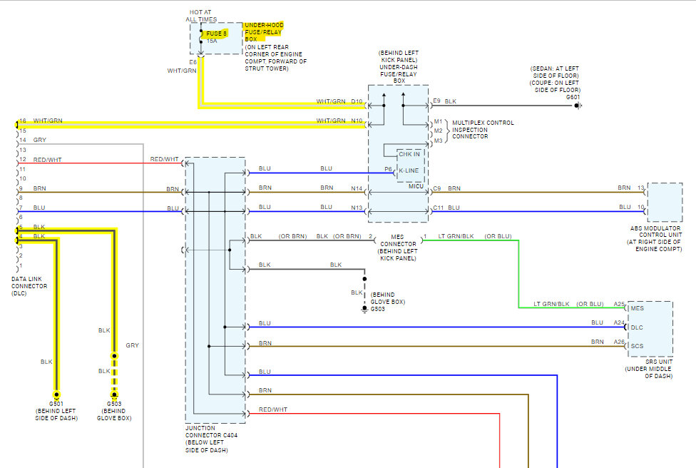
Hello, it is Fuse #8 in the engine compartment fuse block, Ill post a wiring diagram for you. It feeds power to pin 16 of the Data Link Connector under the driver side dash.
If the fuse is ok, inspect the connector pin 16 itself, sometimes aftermarket scan tools can spread the pin in the connector causing a pin fitment issue. Never push a multimeter lead or any other type pin into the connector. When checking it for power just lightly touch the pin with a multimeter lead or test light.
If the pin is spread it will not provide power to scan tools or inspection machines.
Also verify that pins 4 and 5 are Grounded.

If the fuse is blown, you can replace it and see if it holds, but if it blows the fuse again, then there is a short to ground somewhere. And we'll have to look into this further.

Although I don't think the fuse is going to be blown, because that fuse feeds the main relay that powers up the engine computer, and you would have a no start situation (Diagram 4) shows how Fuse 8 powers up the main PGM-FI relay (diagram 5).
This might be an issue with the inspection machine, you may want to try another location.

https://www.2carpros.com/articles/how-to-check-a-car-fuse
Was this
answer
helpful?
Yes
No
Wednesday, January 10th, 2024 AT 1:32 PM

Please login or register to post a reply.