Monday, October 30th, 2023 AT 7:04 AM
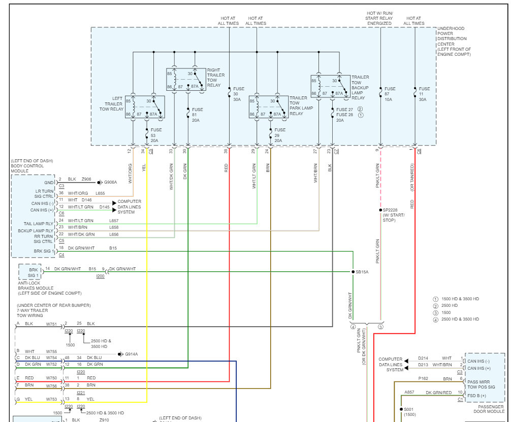
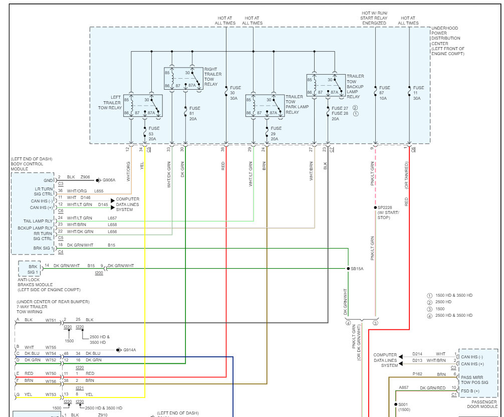
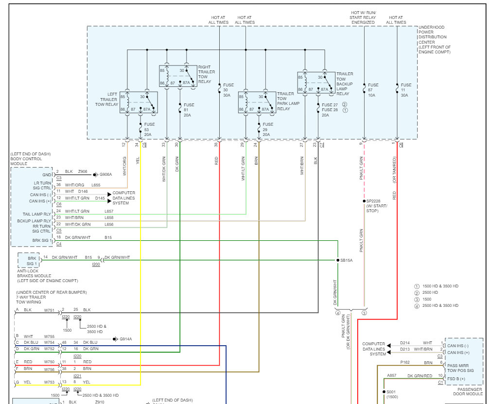
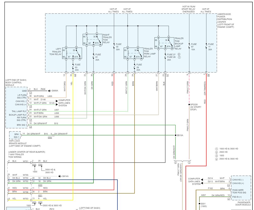
I installed an electronic trailer brake controller and had it flashed at the Ram dealership. I now have a message from the truck saying “trailer brake not connected”.






