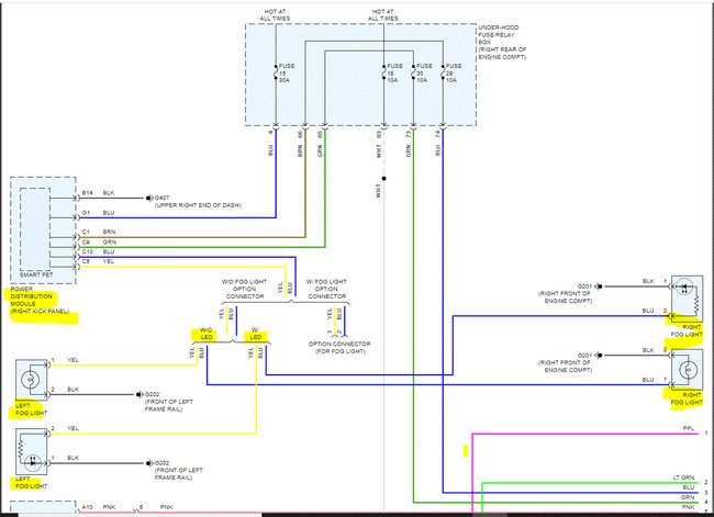
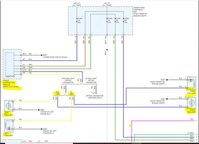
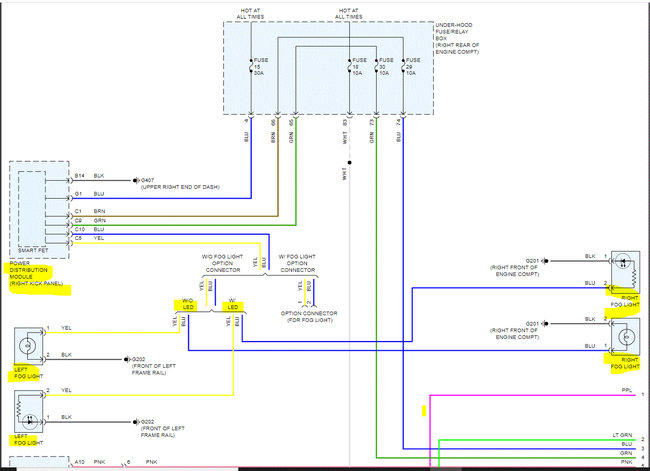
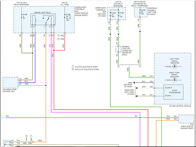
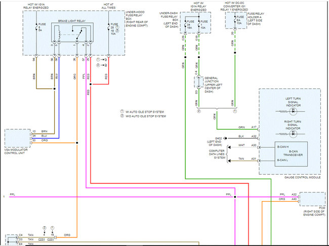
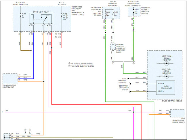
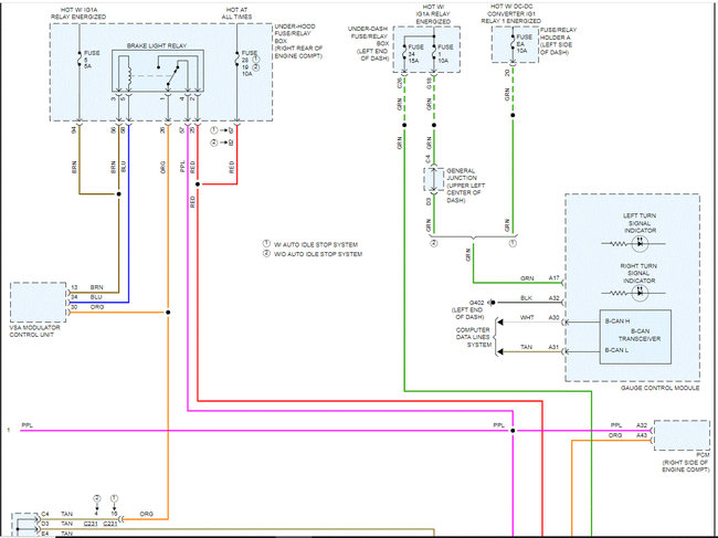
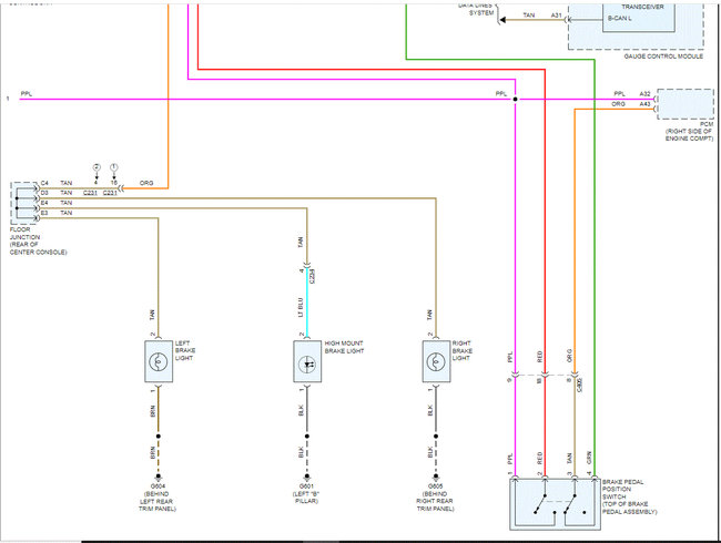
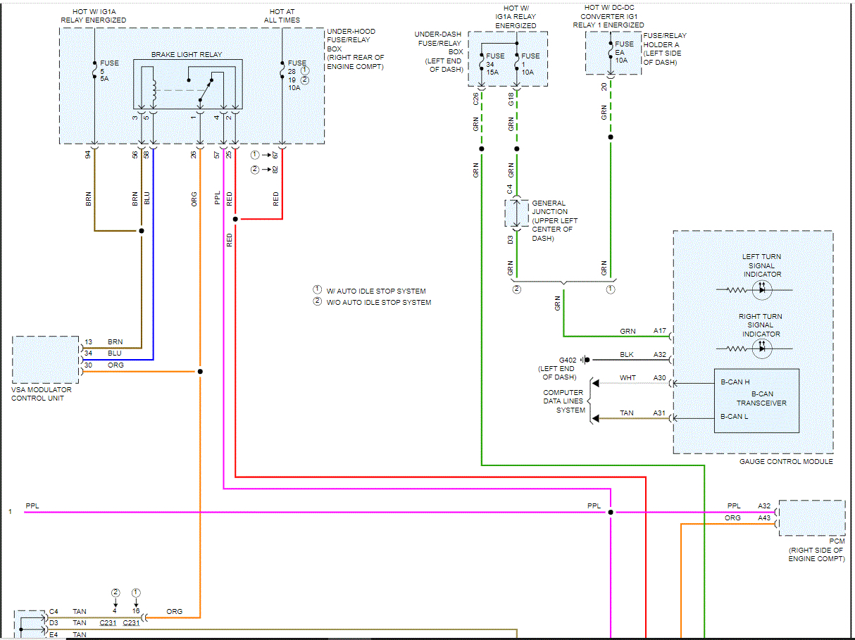
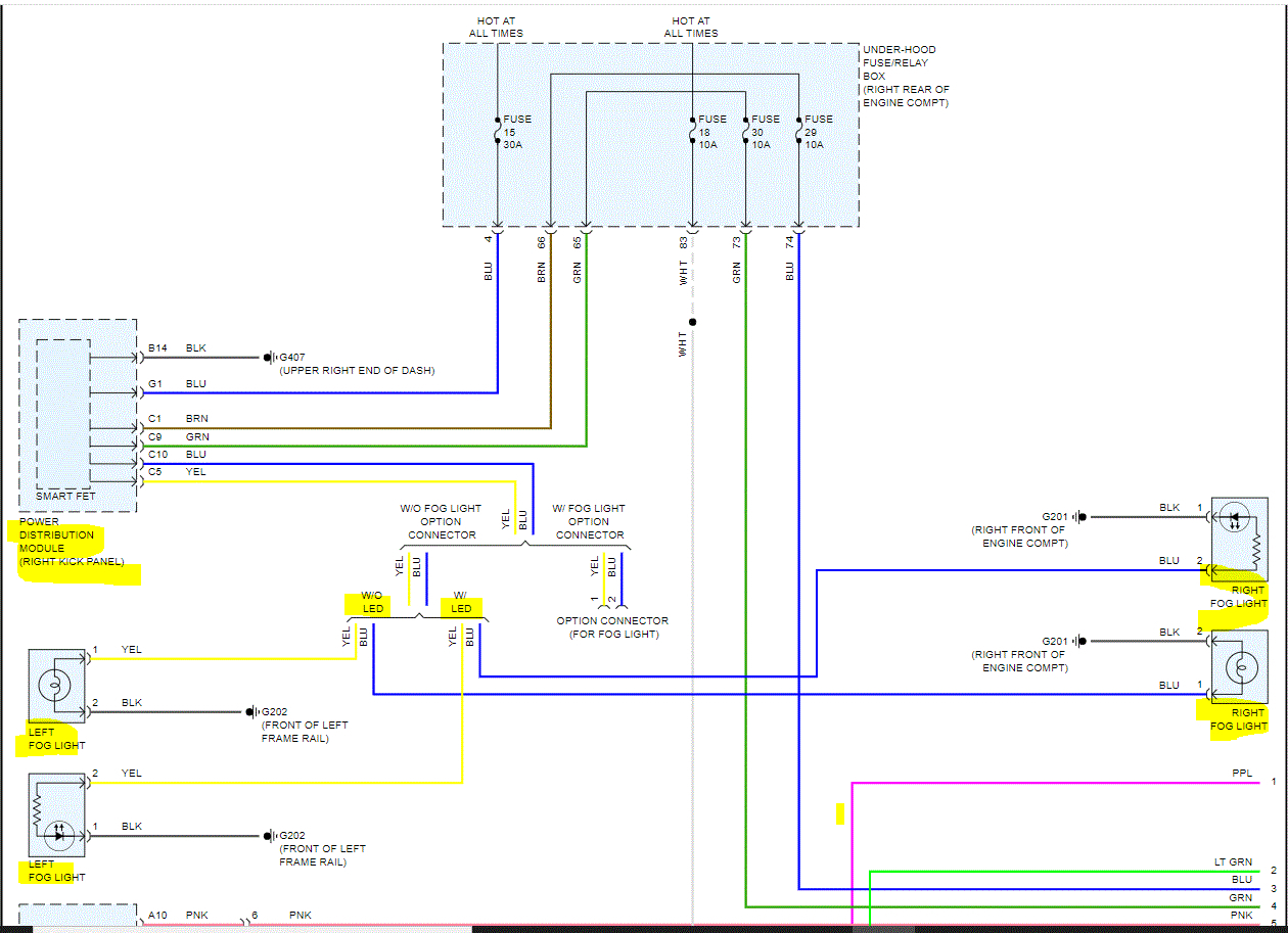
I have to install rear fog lights for the van listed above. It is the car from USA, without rear fog light, but in EU country it is required. I have to put an additional wire from front fog light to rear fog light. I am going to replace one reversing light bulb to LED dual color light bulb white/red. White for revers, and red with priority for rear fog light. It will be okay for the law. I would like to know which wire is with fog light? Which wire and where I can find it to ease to connect my additional wire. I put this additional wire near driver place. Have I easy to connect near light swich, or I heve to put this wire near the engine, to light bulb directly?
I am interested in easy to connect. :-)
Thank you for your reply.
Pawel
Monday, October 18th, 2021 AT 1:16 AM


















