Electrical issues after battery was hooked up backwards and blew 125 amp main fuse

Tiny
VICKY LAMPMAN
  • MEMBER
  • 2004 KIA OPTIMA
  • 2.4L
  • 4 CYL
  • 2WD
  • AUTOMATIC
  • 148,000 MILES
So we replaced that. Now there is no power to sunroof and climate control panel. When key is turned on the A/C 10a fuse under dash blows. I would like easy to understand instructions how to go about trouble shooting this. I am not sure what schematic diagrams to use. I have a test light, multi-meter and short circuit tracer probe. Thanks
Monday, December 23rd, 2019 AT 5:43 AM

13 Replies

Tiny
SCGRANTURISMO
  • MECHANIC
  • 4,897 POSTS
Hello,

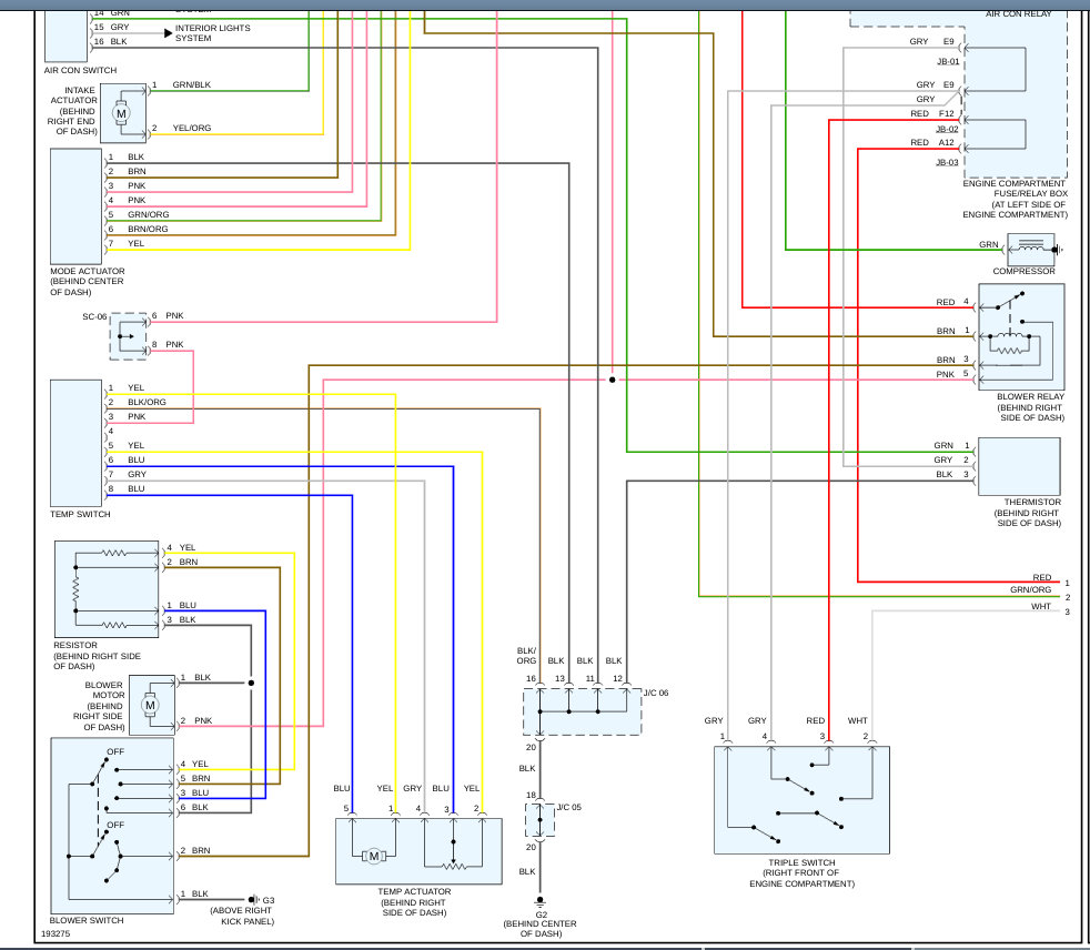
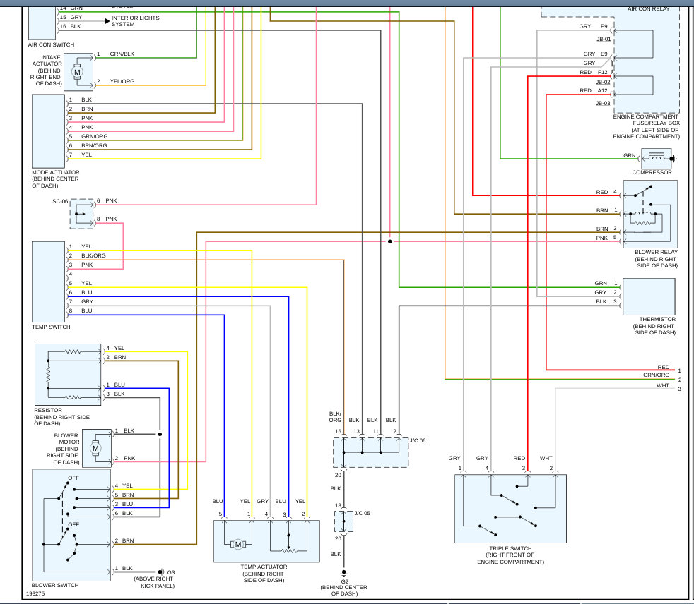
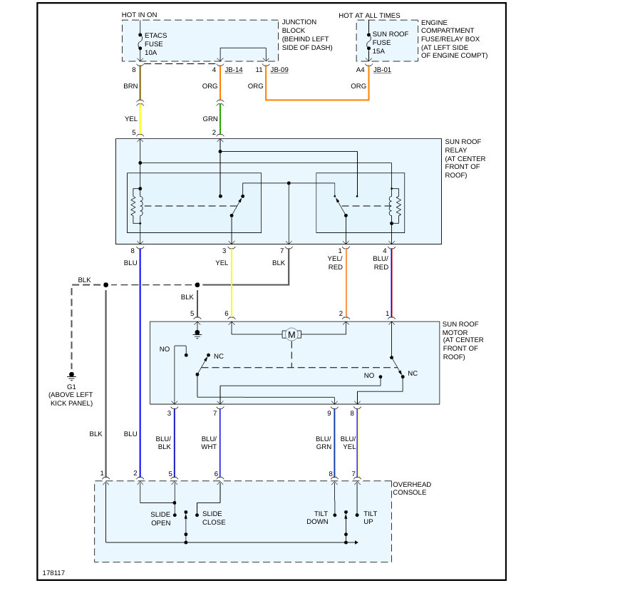
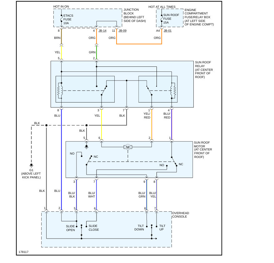
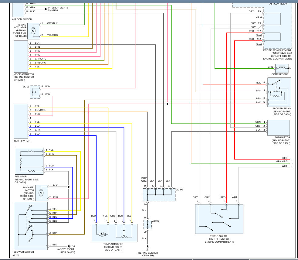
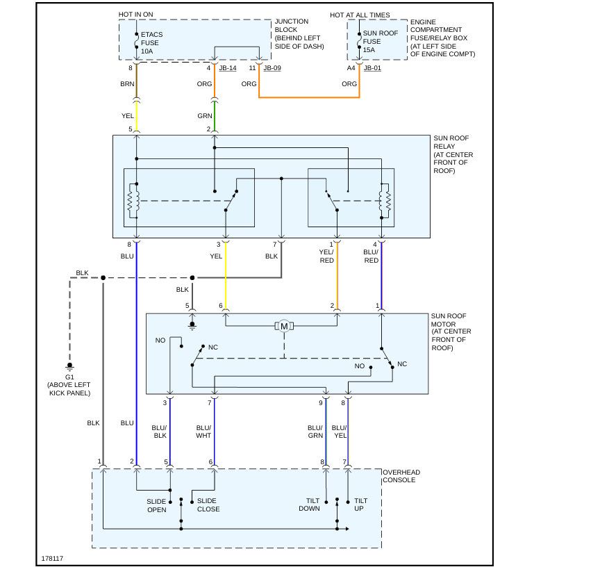
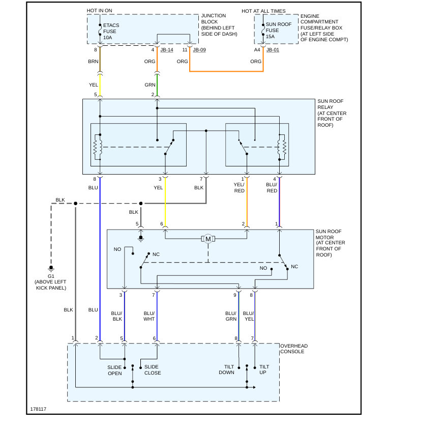
Okay, so fuses blow in an automotive electric circuit blow because there is a short to ground in that electrical circuit somewhere. This happens because of one of the laws in Ohm's law, which are the laws that govern electricity. This law states that if one of the three properties of electricity is constant[Voltage- In an automobile the battery voltage is always constant] and one of the other two goes down[Resistance- resistance goes to zero when a short to ground happens because there is a direct path back to the battery negative terminal] then the last property must go up proportionally[Amperage- Amperage/Current goes to battery amperage rating], and, "pop" the fuse blows because the amperage exceeds the fuses rating. The circuit and the component the circuit is designed for is protected as the fuse melts, creating an open in the circuit, just as it was designed to do. So the trick is to find the short to ground in the electrical circuit and then repair it, then replace the fuse. In the diagrams down below I have included the wiring diagrams for the Heating Ventilation and Air Conditioning[HVAC] and the sunroof/moon-roof circuits for your vehicle. I have also included a guide explaining how to find shorts to ground in an automotive electrical circuit for you as well. Please go through these guides and get back to us with what you are able to find out.

Thanks,
Alex
2CarPros
Was this
answer
helpful?
Yes
No
Monday, December 23rd, 2019 AT 5:25 PM
Tiny
VICKY LAMPMAN
  • MEMBER
  • 29 POSTS
Thank you, I will do that and Merry Christmas!
Was this
answer
helpful?
Yes
No
Tuesday, December 24th, 2019 AT 3:58 AM
Tiny
SCGRANTURISMO
  • MECHANIC
  • 4,897 POSTS
Hello again,

Merry Christmas to you too.

Thanks,
Alex
2CarPros
Was this
answer
helpful?
Yes
No
Tuesday, December 24th, 2019 AT 4:43 PM
Tiny
VICKY LAMPMAN
  • MEMBER
  • 29 POSTS
Hi, I forgot to mention that the etac fuse under dash also blows at same time as a/con, today first chance had to really look at and I am viewing what you sent and not sure where to start yet. I will let you know if I find anything today. Thanks
Was this
answer
helpful?
Yes
No
Sunday, December 29th, 2019 AT 2:04 PM
Tiny
SCGRANTURISMO
  • MECHANIC
  • 4,897 POSTS
Hello again,

Okay, so if you look at the first diagram I sent earlier and then look at the top left of it you will find a rectangle that says Junction Block [behind left side of dash] to the left of it. Now follow inside the box from left to right, the third fuse from the left is the ETAC fuse. Follow the electrical path from the fuse and apply the guide on how to find a short to ground and get back to us with what you find out.

Thanks,
Alex
2CarPros
Was this
answer
helpful?
Yes
No
Sunday, December 29th, 2019 AT 5:41 PM
Tiny
VICKY LAMPMAN
  • MEMBER
  • 29 POSTS
Hello, okay so we unplugged connector from control panel center console and rechecked fuses and A/C fuse did not blow this time when key turned on but ETAC's still blew. Tomorrow will continue more on this. Any other info you can give on so far appreciated. Thanks
Was this
answer
helpful?
Yes
No
Sunday, December 29th, 2019 AT 8:53 PM
Tiny
SCGRANTURISMO
  • MECHANIC
  • 4,897 POSTS
Hello again,

I would recommend changing the Blower Relay, behind the right side of the dash. If you follow the brown wire on the first wiring diagram sent earlier, it leads to the control side[electromagnetic coil] of the blower relay. The other side of the electromagnetic coil will lead to a ground. Usually when a relay goes bad the electromagnetic coil on the control side of the relay will develop a short in it. This short circuit will cause the EATC fuse to blow as soon as electricity goes to the relay, which is when the vehicle's ignition switch is turned to the "ON" position. In the diagrams down below I have included the location of the blower motor relay for you. Here is a link below explaining how to check a relay:

https://www.2carpros.com/articles/how-to-check-an-electrical-relay-and-wiring-control-circuit

Please go through the guides and get back to us with what you are able to find out.

Thanks,
Alex
2CarPros
Was this
answer
helpful?
Yes
No
Sunday, December 29th, 2019 AT 10:47 PM
Tiny
VICKY LAMPMAN
  • MEMBER
  • 29 POSTS
Hello, I removed relay under right dash, auto stores having hard time finding it to fit my car. The relay has writing on front of it A410-BBWBA-01 DC 12v 25A OMRON Z B E. One I have found online at AutoZone have to order the bracket is different than mine. I noticed on diagram you sent me there is G04 high blower relay and G05 blower relay. Is there 2 different ones there? Thanks
Was this
answer
helpful?
Yes
No
Tuesday, December 31st, 2019 AT 1:47 PM
Tiny
SCGRANTURISMO
  • MECHANIC
  • 4,897 POSTS
Hello,

A relay is a relay is a relay. They are universal. The only question with a relay is if it is a 4 pin or a 5 pin relay, and it's shape. Look at the number of pins coming out of the bottom, and have them match it with the shape of the relay. After a quick look at your wiring diagram I can see that the relay you are looking for is a 4 pin relay. Please get back to us with how everything turns out.

Thanks,
Alex
2CarPros
Was this
answer
helpful?
Yes
No
Tuesday, December 31st, 2019 AT 3:23 PM
Tiny
VICKY LAMPMAN
  • MEMBER
  • 29 POSTS
Hi, so replaced blower relay, conned everything put fuses in and etacs and A/C blew again with etacs letting off quite a big spark. Following wires do you think maybe resistor or blower switch maybe causing it? Thanks
Was this
answer
helpful?
Yes
No
Thursday, January 2nd, 2020 AT 5:00 PM
Tiny
SCGRANTURISMO
  • MECHANIC
  • 4,897 POSTS
Hello again,

Sounds good, I would recommend starting with the switch and then going to the resistors if the switch doesn't fix the problem.

Thanks,
Alex
2CarPros
Was this
answer
helpful?
Yes
No
Thursday, January 2nd, 2020 AT 8:23 PM
Tiny
VICKY LAMPMAN
  • MEMBER
  • 29 POSTS
Hello Alex. It is solved I think, not sure if it was relay or loose connectors, replaced a relay and unplugged plugged back connections, thank you I could not have done this without your assistance.
Now I have another wiring issue if you can help, it is same car, it was damaged driver side front quarter panel area before I had. Need to replace inner liners that protects wiring there, I did wrap and cover. I am not blowing fuses but I have no power now to three 10A fuses under dash: START, A/CON SW and RR HTD IND. It started and ran before now the car now does not start of course and shifter won't move, but after I turned steering wheel back and forth I did get shifter to move, steering wheel doesn't lock. Not sure where to start with this, perhaps I touched or moved wiring that was already weak or damaged. Is that A/CON SW fuse related to issue I thought was fixed and not sure what RR HTD IND is? Any help you can offer is appreciated. Thanks
Was this
answer
helpful?
Yes
No
Tuesday, January 7th, 2020 AT 10:30 AM
Tiny
SCGRANTURISMO
  • MECHANIC
  • 4,897 POSTS
Hello again,

We would be more than happy to help, but if you could ask this as a separate question, we would appreciate it. We only ask this for archival purposes. If another customer comes looking for the same problem they will not be able to find the thread because it will be in this one, which is the original question. I hope this makes sense, I didn't quite explain it correctly, but if you would please just ask as a separate question, we will help you.

Thanks,
Alex
2CarPros
Was this
answer
helpful?
Yes
No
Tuesday, January 7th, 2020 AT 5:33 PM

Please login or register to post a reply.