Friday, February 13th, 2015 AT 7:32 PM
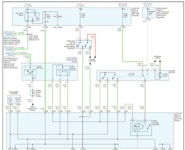
My tail lights and dash fuse keeps blowing. I have traced the wires from the lights to the dash found no visible damage. I don't think the dimmer switch is bad because the fuse blows before the switch is active that and all of the other lights controlled by the switch are active. As soon as key is engaged the fuse pops I have no idea where to look under the hood can you point me in the right direction? And also give me an idea of what to look for? Again this is a dual bulb tail and brake. Brake works tail doesn't different fuses can a bad socket cause the fuse to blow?



