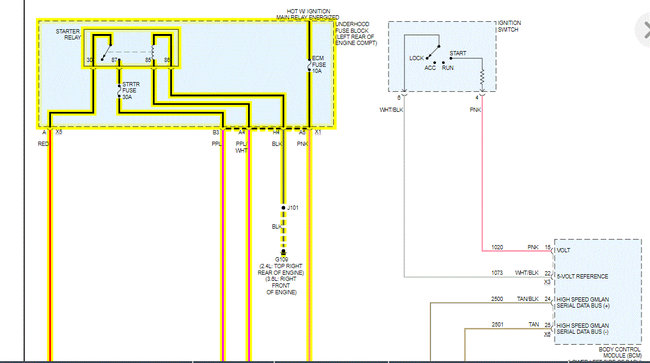
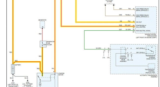
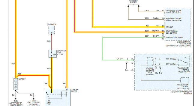
Friday, August 14th, 2020 AT 4:44 AM
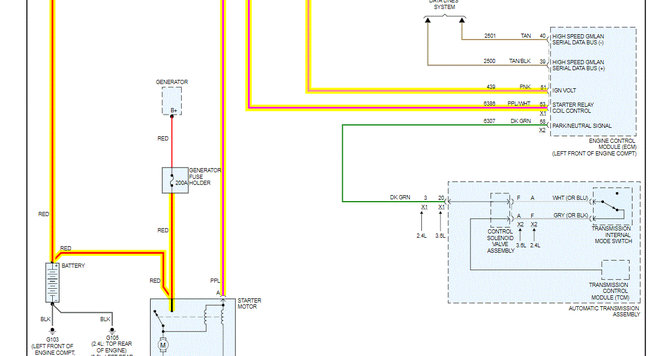
I took my vehicle listed above to the shop and they said the starter was fried because of an electrical problem and that both had to be fixed. Is that possible? Because everything else work just fine; the lights, gauges, radio, everything or are they just trying to get more money?




