Sunday, December 2nd, 2018 AT 6:33 PM
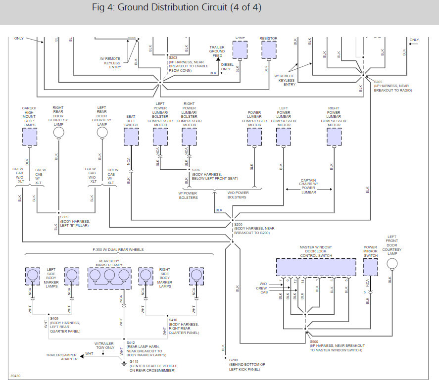
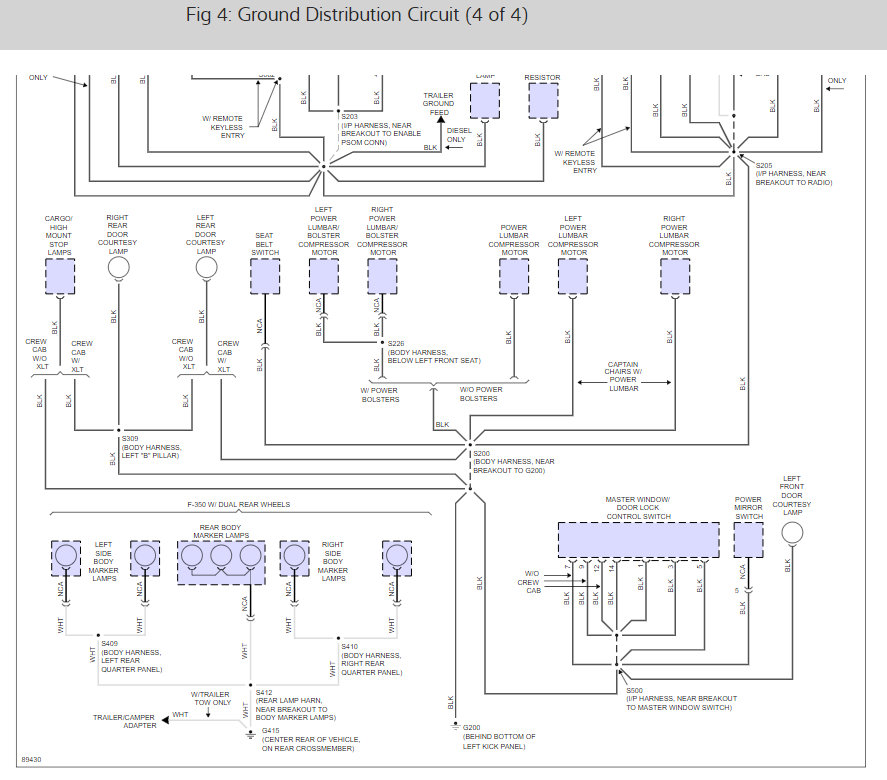
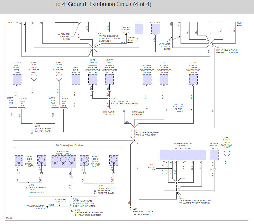
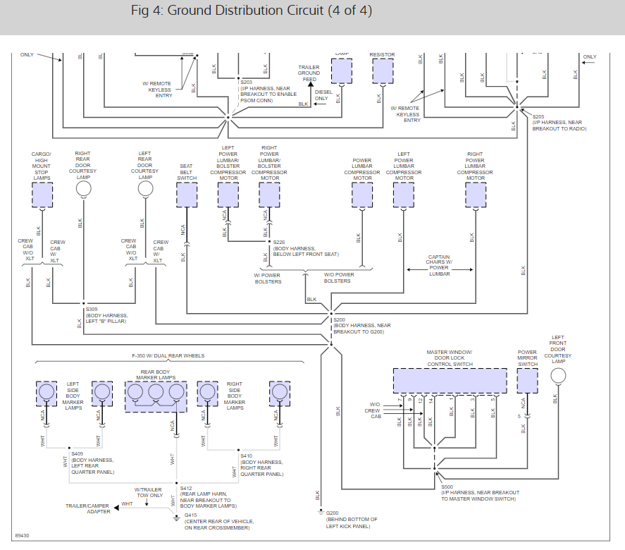
When I turn on headlight or auto lights come on the dash lights go off, and directional arrows stay on and the turn signals d not work when lights are on. They do work when off. When you turn on blower the blower does not work and the relays buzz by brake pedal. (Two relays flasher) When I plugged in a scanner to OBD connector it fixed everything (lights and heat worked)for a day now that does not work anymore.









