Tuesday, December 24th, 2024 AT 10:22 AM
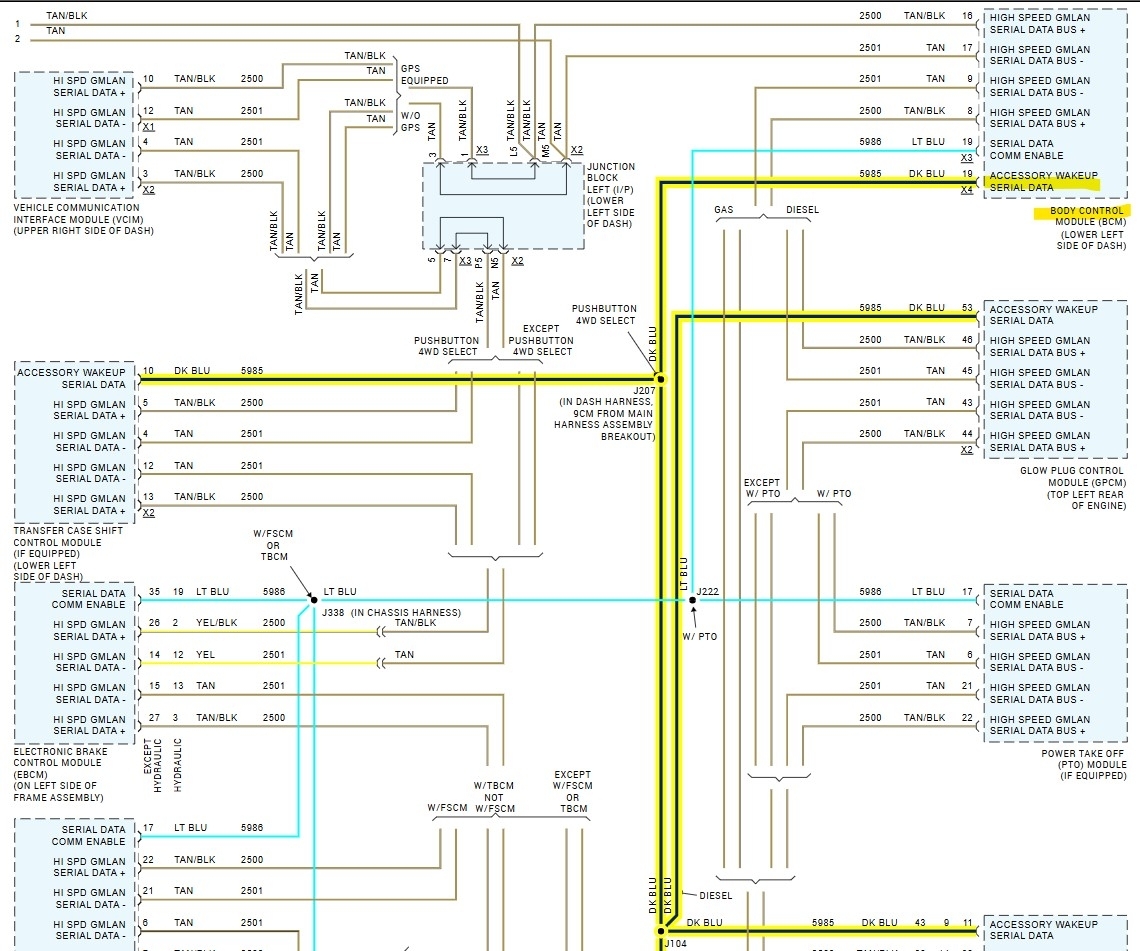
The truck listed above is a 1500. It all started when I had a transmission problem at first I lost 3rd gear then it just went completely out so I replaced it with a used transmission from a 2500 4x4 I had got from a really good friend I took it for a test drive after installing it and it drove great for about 4 miles then for some reason when I came to a stop to turn onto another road it went back to the same problem as the old transmission I had lost 3rd gear again so I limped it back home parked it and when I went to start it the next day and had no power to my dash so I attached my obd reader and it told me my ignition switch was bad so I replaced it and still nothing then I noticed some wires dangling from under the dash and when I moved them my dash would flicker so I chased them down to the BCM and noticed some of my wires were spliced I then had my brother fix some of the wires now I have my dash but no head lights and no starter so we bypassed the ignition switch with a push button start but it won't start I need a full detailed BCM wire diagram.

















