Thursday, December 31st, 2020 AT 12:43 PM
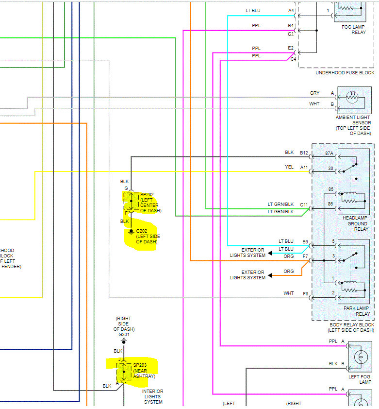
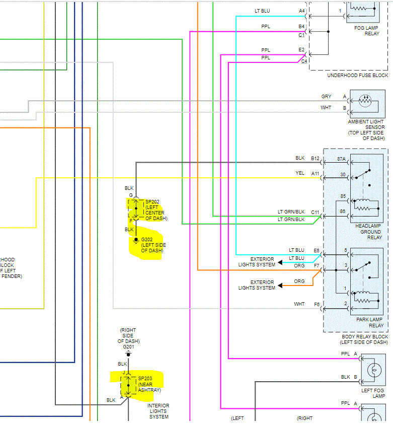
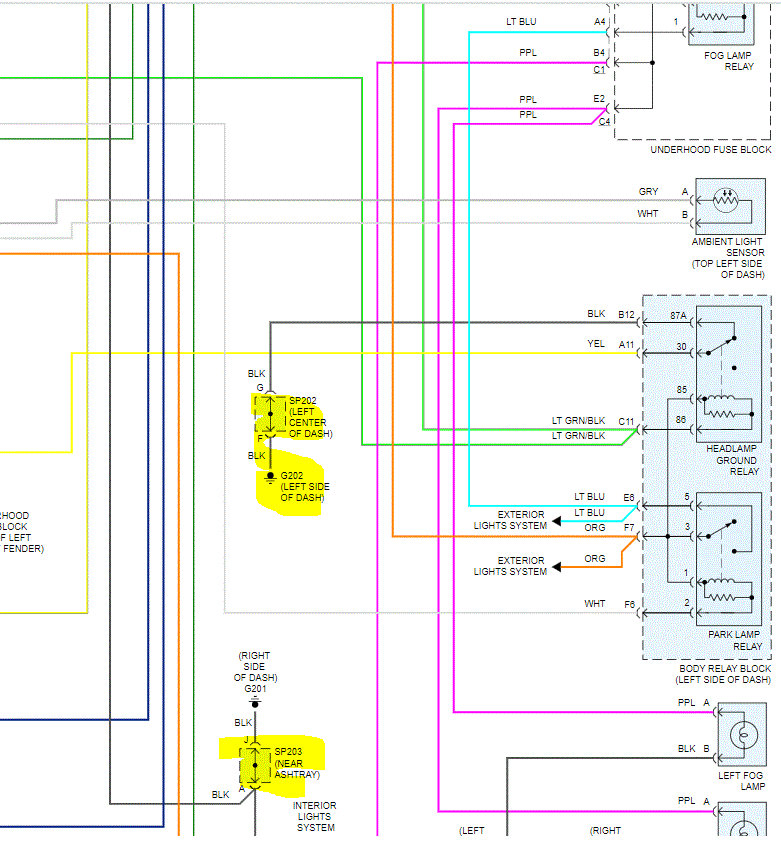
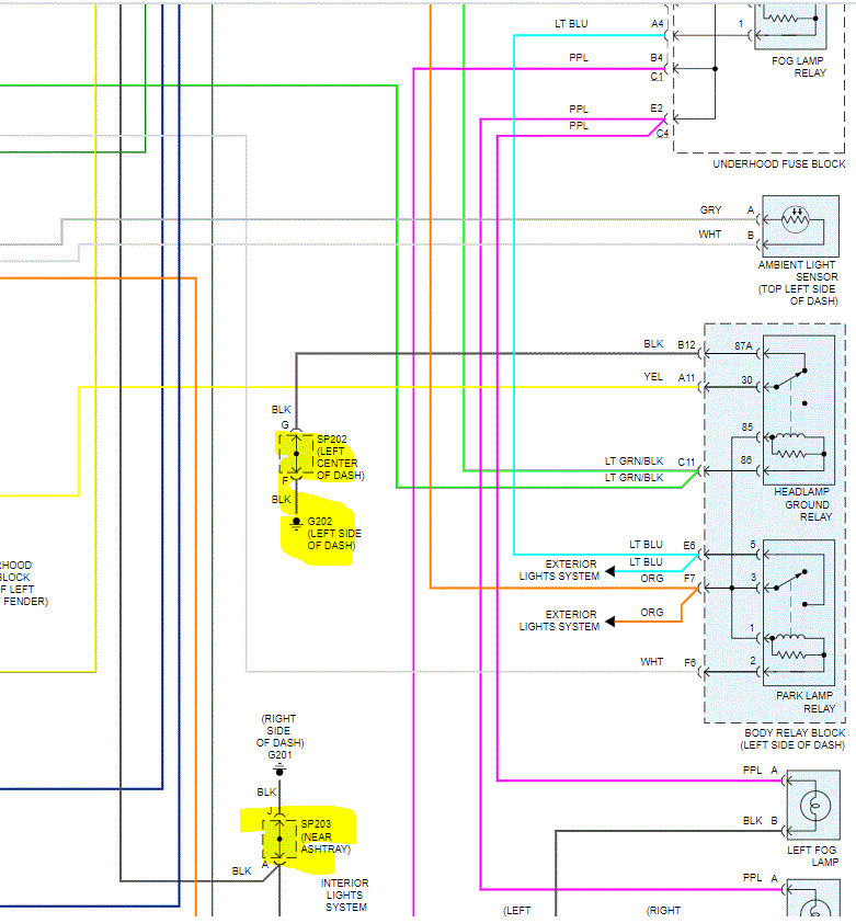
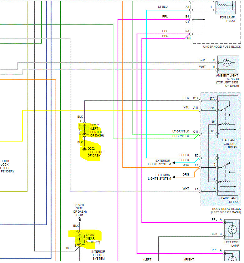
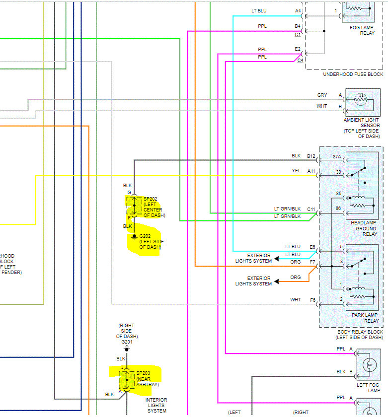
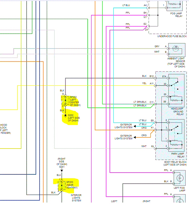
Just recently had to change the heater core in the vehicle listed above LS. After removing the dash and disconnecting all electrical harnesses, changed the heater core, and reassembled everything as it was. Everything worked except I now have no power locks, and no headlights, turn signal lights work, but no headlights. Removed the dash again and started chasing down wires only to discover a broken green wire that both the headlight and rear hatch power lock wires feed into a plug- in harnesses (purple color coded) that attaches into some sort of console that mounts at the bottom center of the dash by the floor. Two other harnesses (one blue and one brown)also plug into this console. Repaired the green wire and reassembled everything. Same problem as before. There is also what looks like an aftermarket remote start system that's been installed, one wire taps into the green wire that was repaired, the other to a black wire that feeds into the same purple harness plug. Please help! Not sure what to do or where to go from here. Everything worked perfectly before the dash was initially removed.








