Tuesday, November 19th, 2019 AT 9:18 AM
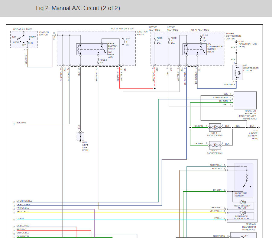
Biggest problem is heater control and switches on it does not work. Turn signals don't work. When I apply power to the front heater motor I can vary the speed with its switch. I can not find a complete wiring diagram to troubleshoot it. Also have 12 v going to heater control but only read.9v coming out of the 5 volt reg on the control board of the heater control. Any ideas would be appreciated.





