Interior light not working properly

Tiny
KHOSI ZOTDJY
  • MEMBER
  • 2006 TOYOTA TAZZ
  • 1.3L
  • 2WD
  • MANUAL
  • 292,038 MILES
My tape, interior light won't come on until I put the ignition on, on or start the car.
Wednesday, January 19th, 2022 AT 10:58 PM

3 Replies

Tiny
KASEKENNY
  • MECHANIC
  • 18,907 POSTS
Just to be clear, when you turn the key to the accessory position only the radio lights will not come on, but the others will? Then when you turn it to "on" they do work?

If this is the case, then I suspect we have an issue with the radio that when it gets power in the on position that it is able to turn the lights on.

If this is the only thing that does not come on, then the issue is going to be in that part.

The way to confirm this is to check the power on the lighting circuit and if there is power there, then the radio is the issue.

https://www.2carpros.com/articles/how-to-check-wiring

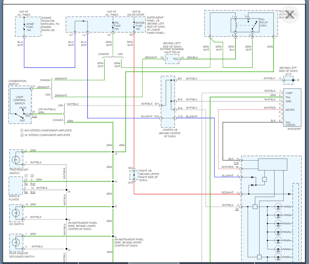
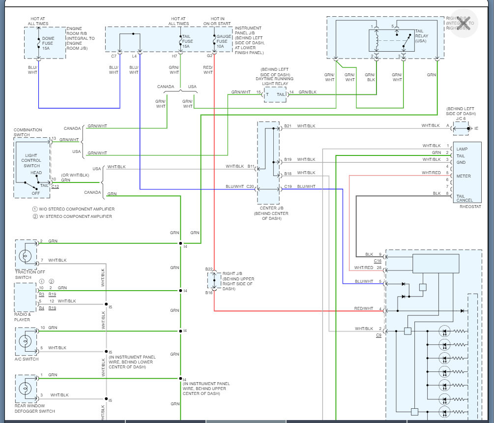
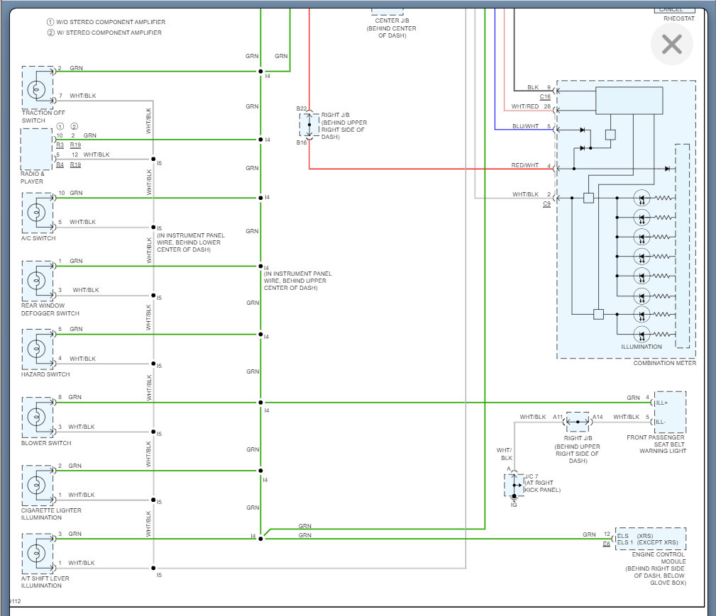
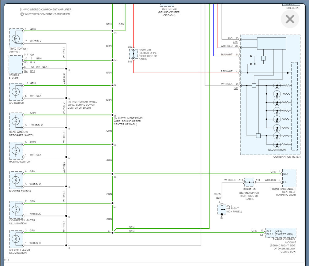
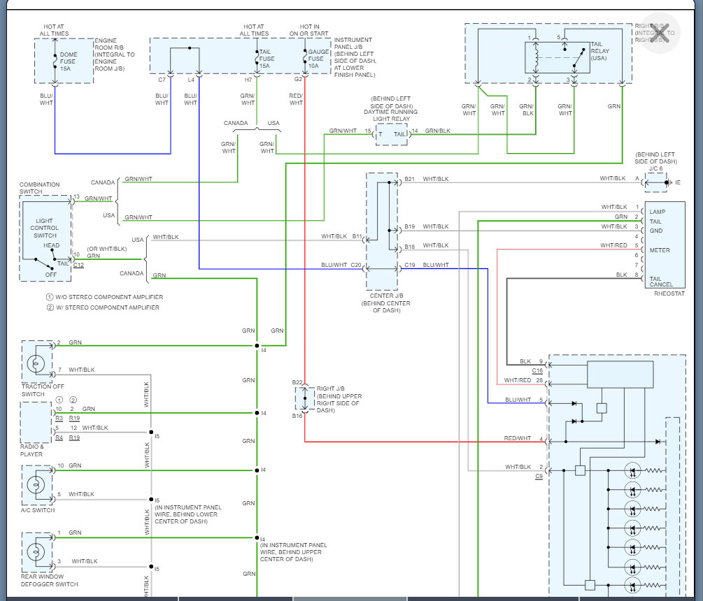
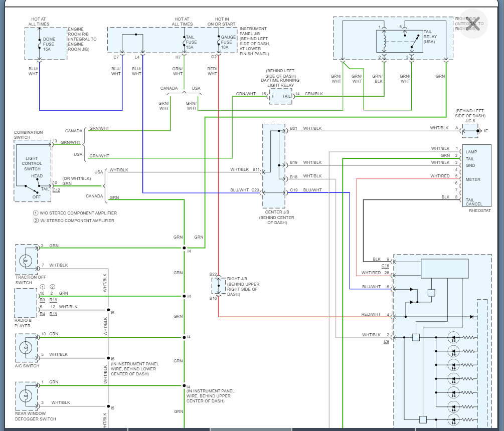
I attached the wiring diagram for a similar vehicle to yours, but we don't have a manual for this vehicle as it is not offered here in the USA.

Please let me know what you find, and we can go from there.

Thanks
Was this
answer
helpful?
Yes
No
Friday, January 21st, 2022 AT 9:48 AM
Tiny
KHOSI ZOTDJY
  • MEMBER
  • 2 POSTS
It's not only the radio that doesn't go on but all the other lights as well.
Was this
answer
helpful?
Yes
No
Saturday, January 22nd, 2022 AT 8:08 AM
Tiny
KASEKENNY
  • MECHANIC
  • 18,907 POSTS
Okay. That is good because it makes it either the switch or a relay. Clearly, we are going off the USA version of this vehicle, but the wiring diagram shows the green wire goes to the switch and the relay.

Basically, we need to check the switch as that is the likely cause of this. When the ignition is turned on, it powers that relay but the light switch should do it as well so I would be suspecting this.
Was this
answer
helpful?
Yes
No
Saturday, January 22nd, 2022 AT 3:28 PM

Please login or register to post a reply.