When I turn on the fogs the cluster lights and the dimmer stops working

Tiny
CREYES35
  • MEMBER
  • 2000 FORD RANGER
  • 3.0L
  • 6 CYL
  • 4WD
  • MANUAL
  • 430,000 MILES
Truck’s cluster lights work, the dimmer works until the fog lights are turned on, once the fog lights turn on the cluster turns off entirely and fog lights are very dim, used to work right until I hit a deer.
Wednesday, February 9th, 2022 AT 5:46 AM

1 Reply

Tiny
KASEKENNY
  • MECHANIC
  • 18,907 POSTS
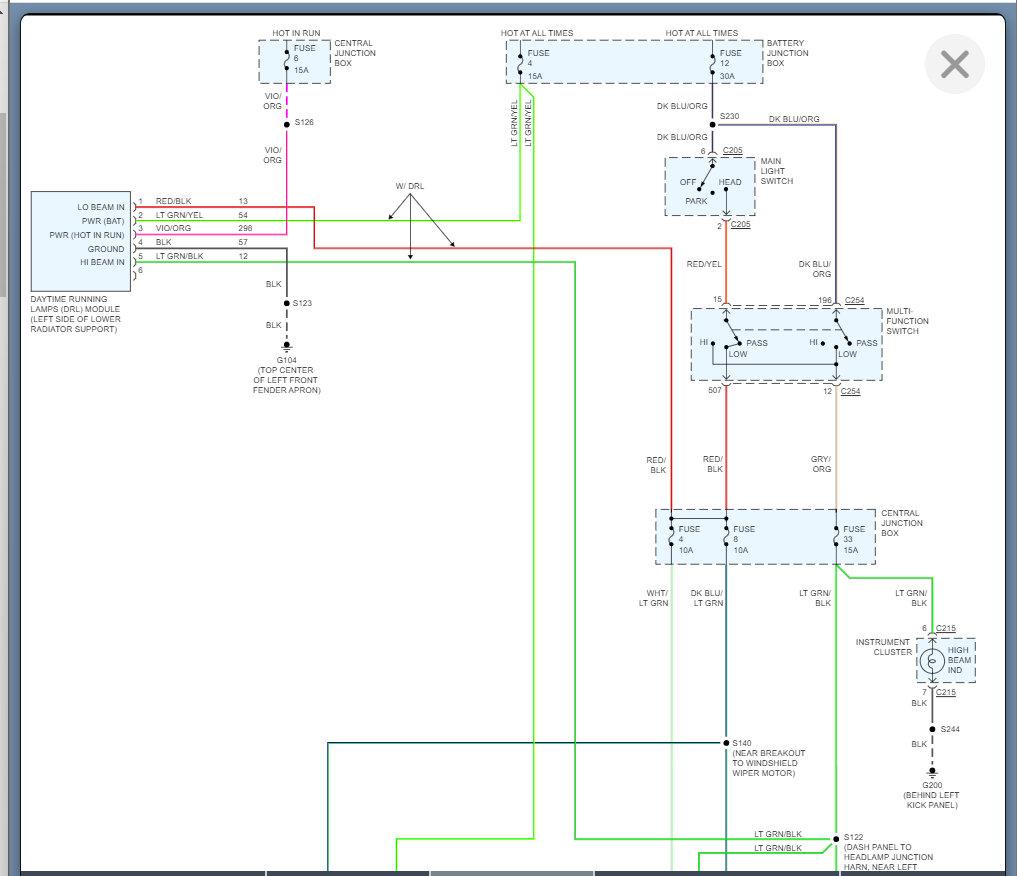
If this only happens when you turn the fog lights on, then you more than likely have a short in the fog light circuit.

Basically, we need to take the wiring diagram below and test the wiring for a short when they are on.

Here is a guide that will help with this:

https://www.2carpros.com/articles/how-to-check-wiring

I suspect this is a short to ground since you hit a deer, and this started.

More than likely, you have a pinched wire somewhere so I would inspect the entire area where the deer hit and find the wiring that is close.

You may not find an actual pinch point but there would have to be damage in the harness or the ground itself.

Please run through this and let us know what you find.

Thanks
Was this
answer
helpful?
Yes
No
Thursday, February 10th, 2022 AT 7:59 AM

Please login or register to post a reply.