Thursday, September 30th, 2021 AT 8:21 AM
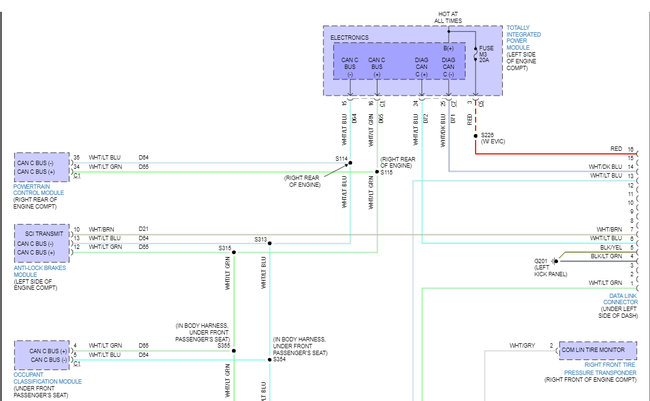
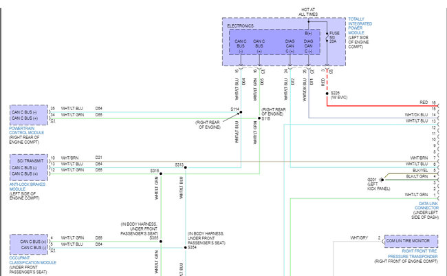
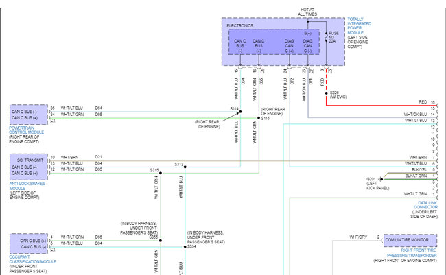
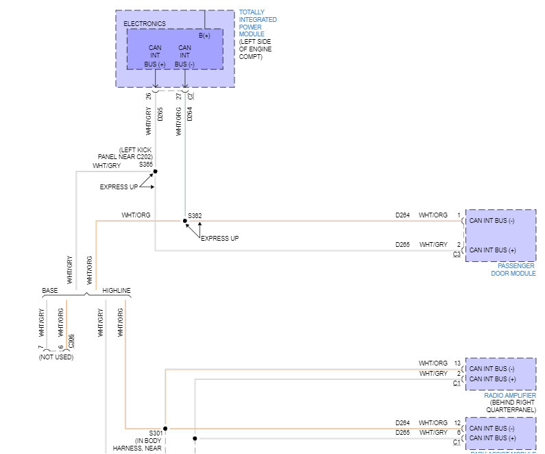
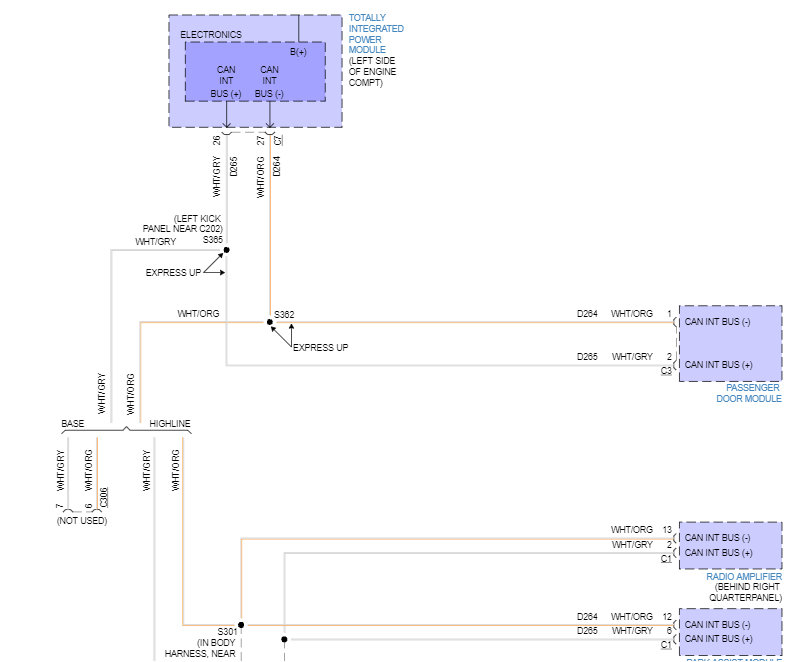
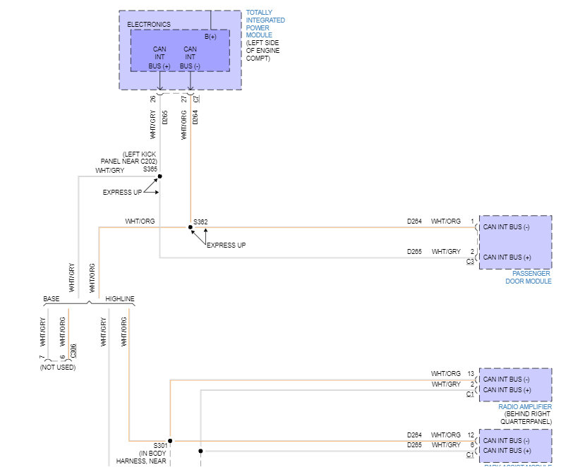
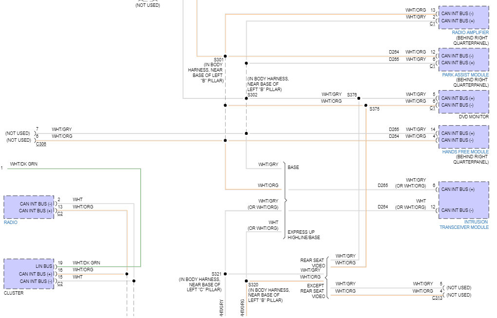
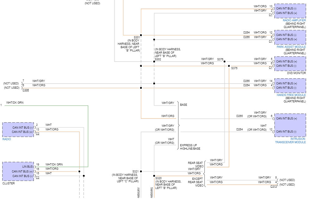
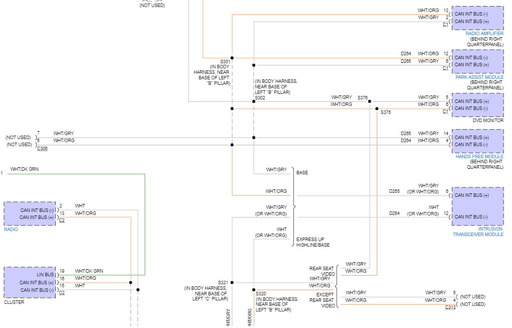
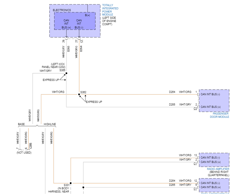
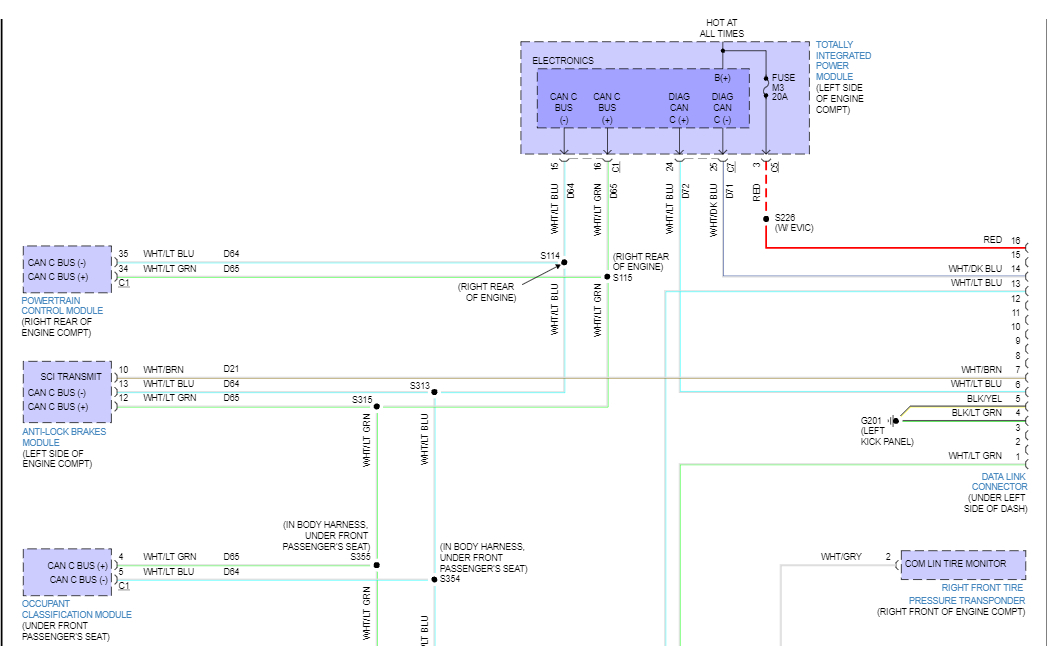
Everything's been going nuts at first all I was doing was unhooking the battery completely and I was replacing some fuses. When I went to reconnect, I believe I set the alarm system off and when I reconnected the horn blue constantly if it didn't blow the horn, it was still no power, no nothing. Inside when you put the key in no lights no nothing. Then I finally got the dash lights to come on and it seemed like every single one was on including a no bus. So, I went through, and I replaced all of the rotted grounds. That got rid of the no bus but all the other stuff was still the same so now I've got everything ripped apart cleaned all connections and I'm currently putting it back together. I just want to make sure I put it back together properly. I'm just having a rough time on my own I don't know where to turn.






































