Tuesday, December 3rd, 2019 AT 7:02 AM
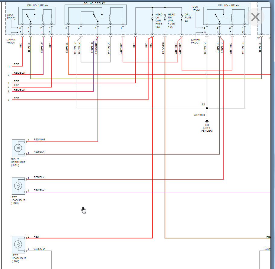
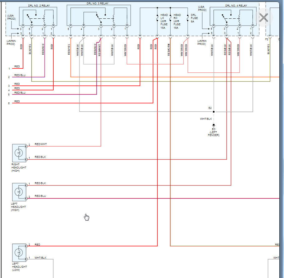
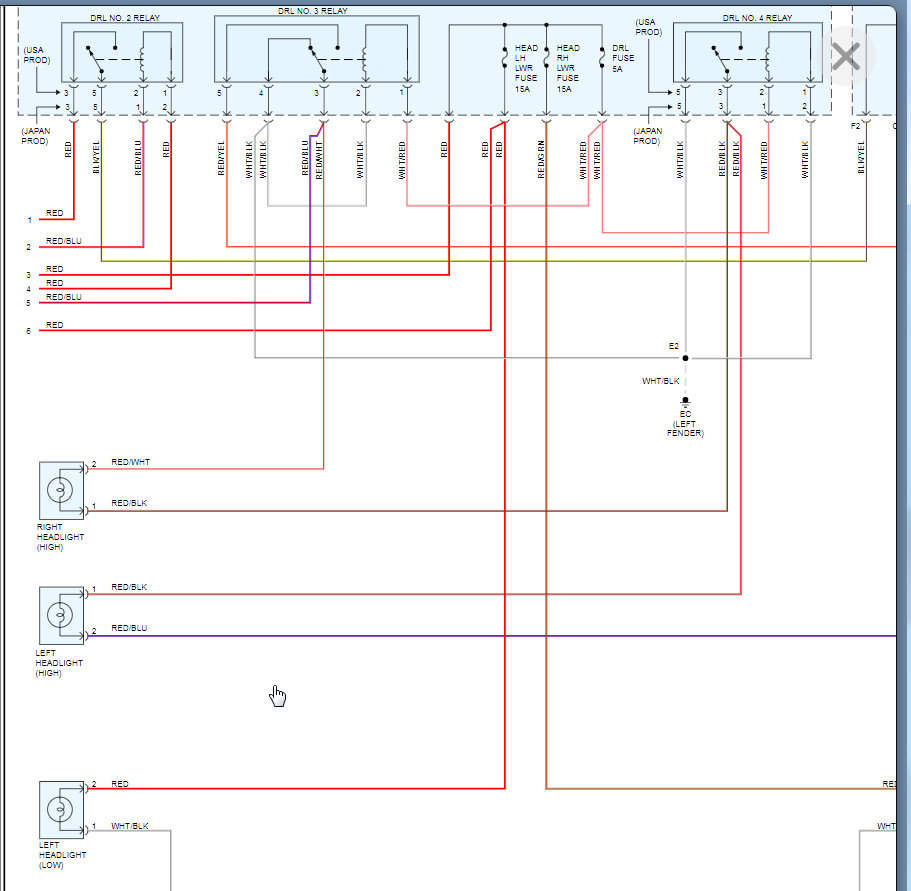
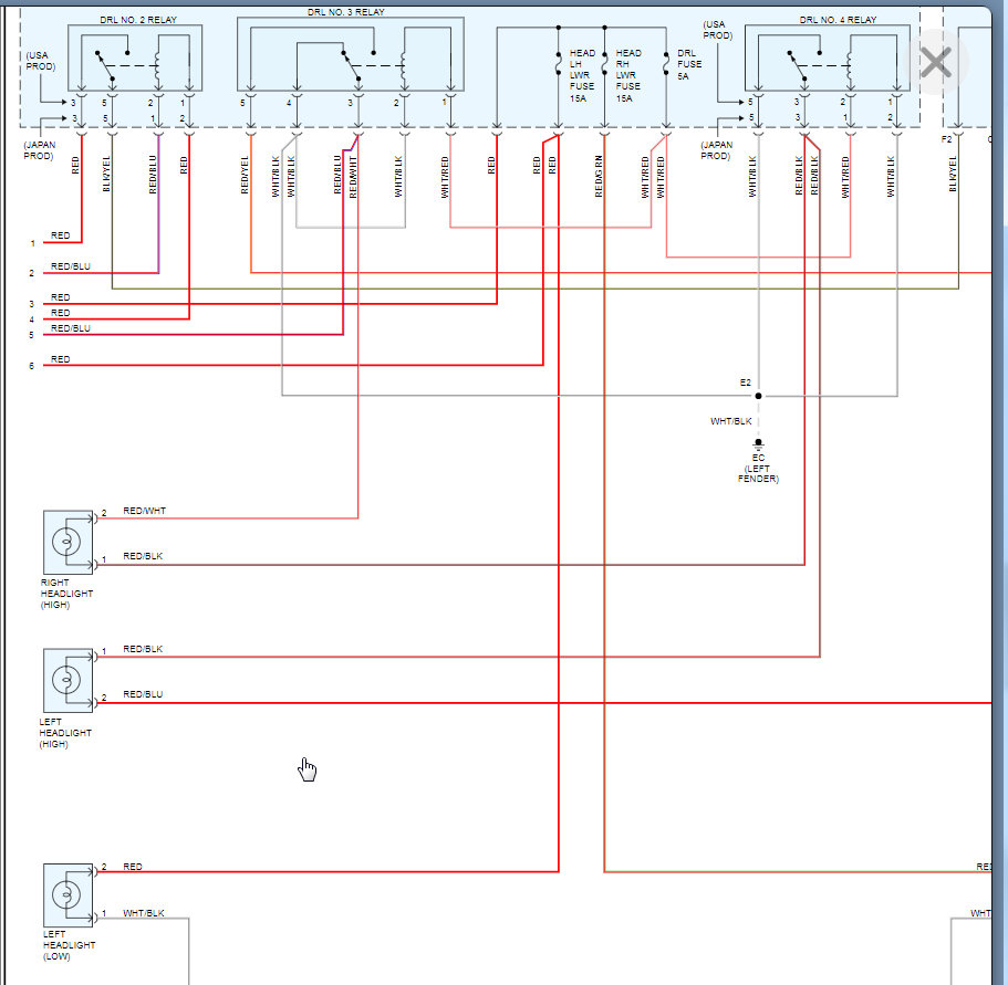
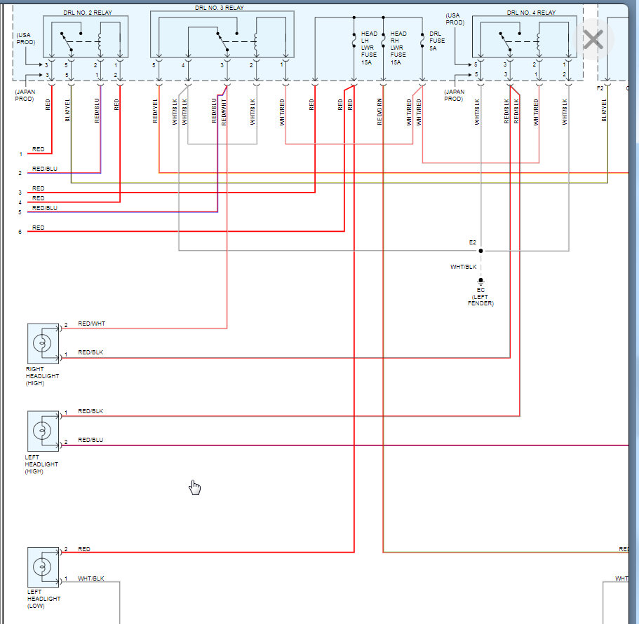
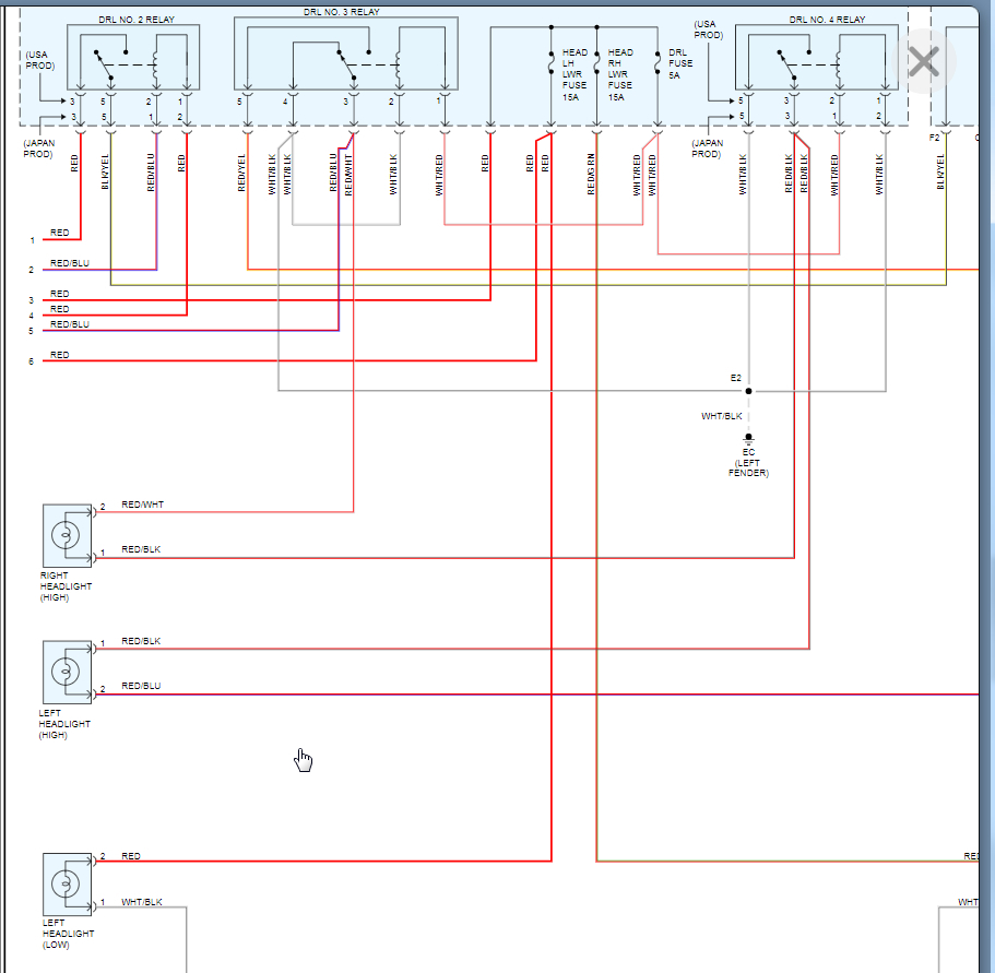
My car headlights started flashing and clicking while I was asleep. The car was off and the lights were off. It doesn't stop flashing when you try driving it and it shuts off at idle now. The clicking noise was coming from a relay that I unplugged at one point but it only stopped the high beams. Problem still exists. I had to disconnect battery to make it stop.



