Codes P0010, P0020, P1000, P0480 and P0102, electrical issues everywhere!

Tiny
TAP PERKINS
  • MEMBER
  • 2008 FORD F-150
  • 5.4L
  • V8
  • 4WD
  • AUTOMATIC
  • 150,000 MILES
I have an ABS light and brake light that stays on, #11 fuse blowing , rear right Brake light out, rear right signal light out, A/C clutch blowing #14 fuse. Codes P0010, P0020, P1000, P0480, and P0102.
Monday, June 14th, 2021 AT 1:57 AM

5 Replies

Tiny
KASEKENNY
  • MECHANIC
  • 18,907 POSTS
I highly doubt that these issues are related. This means that we need to pick one issue and solve it and if it fixes the rest then that is a bonus.

However, before we get started I want to just make sure nothing crazy happened to cause all this like the vehicle was hit by lightening. Inspect the tip of the antenna and make sure it is not burned or melted in any way.

Next we need to test the battery and make sure it is not weak or has a shorted cell. If it does then that can cause all sorts of electrical issue.

https://www.2carpros.com/articles/car-battery-load-test

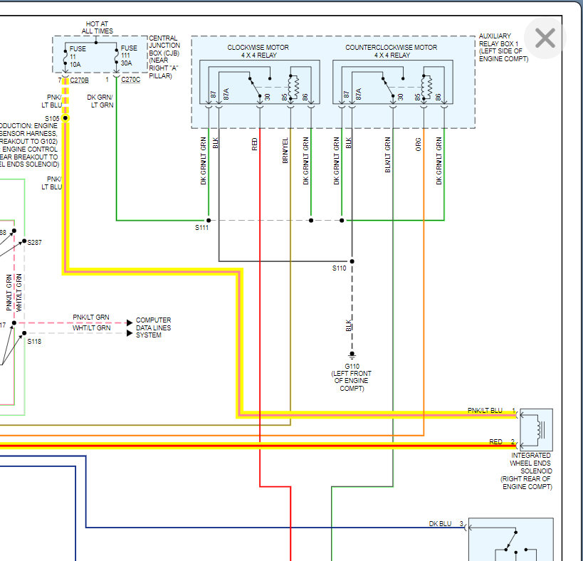
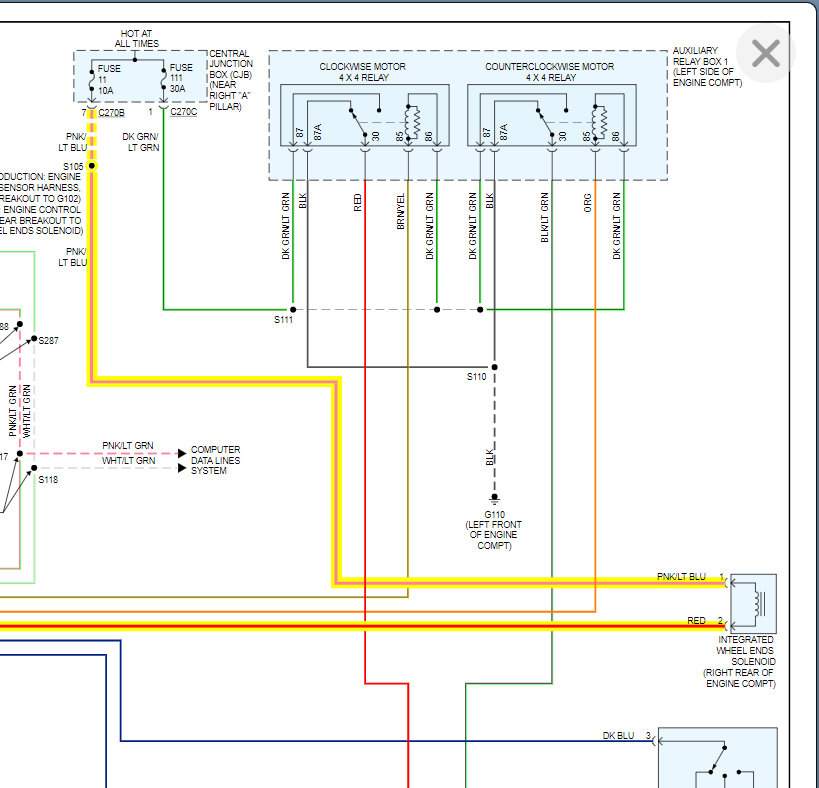
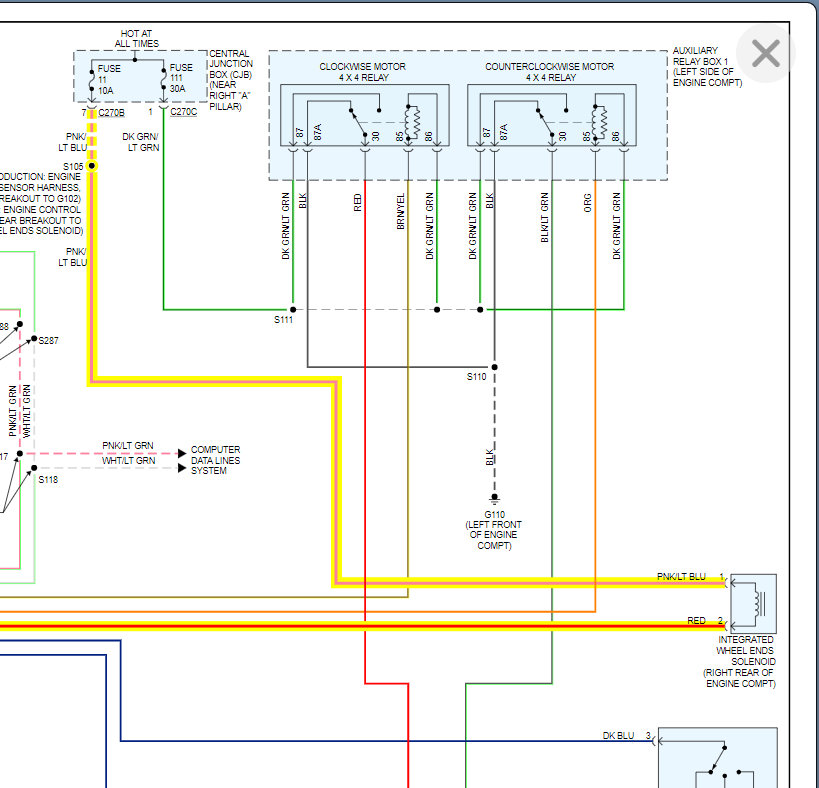
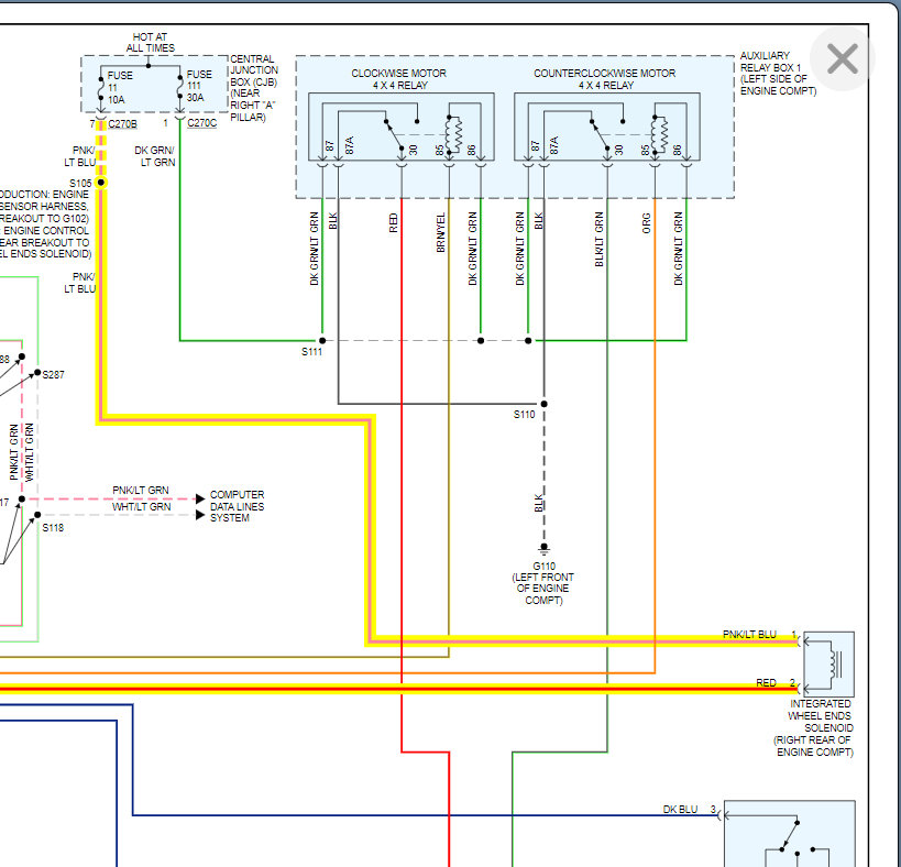
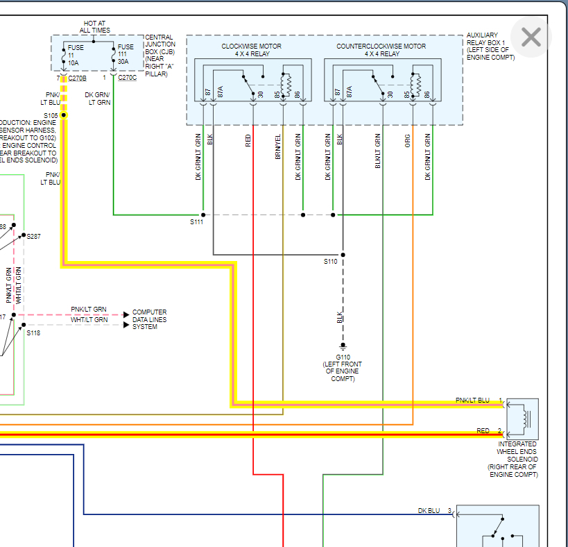
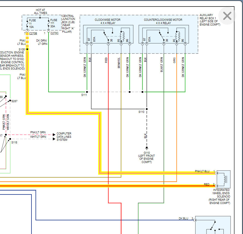
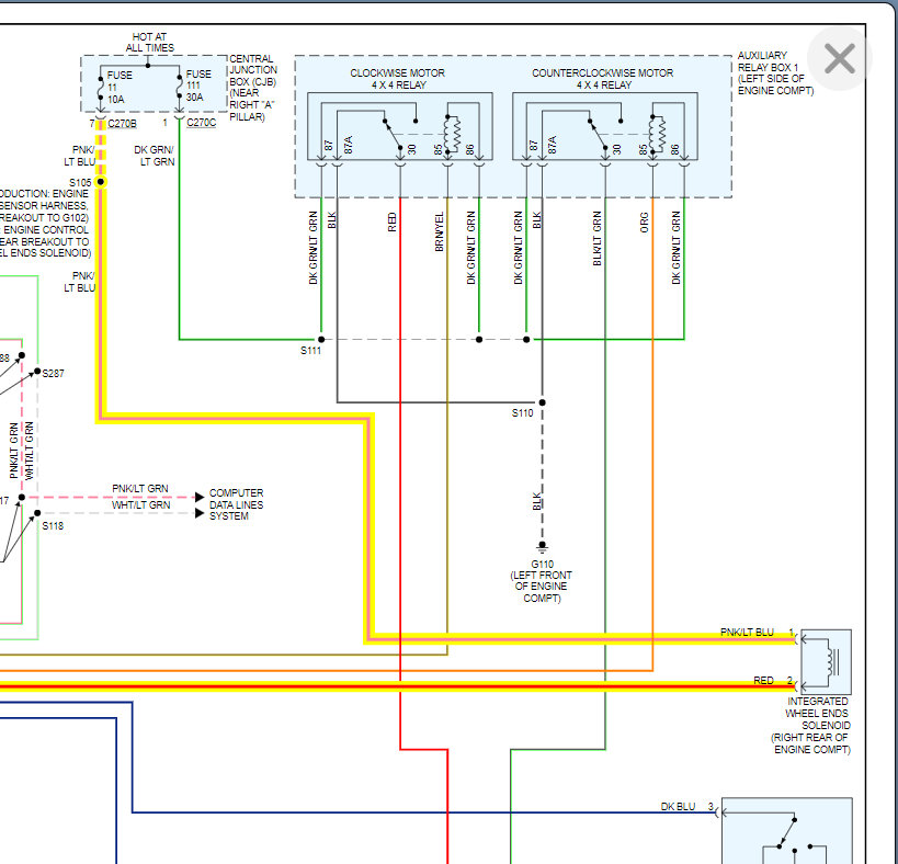
If this checks out then I would suggest starting with the fuses that are blowing. Fuse 11 is for the wheel end solenoids and that is a good place to start as this fuse also controls the AC clutch relay. Fuse 14 directly controls the cycling switch which is an input to the PCM.

It is unlikely that the PCM is causing both fuses to blow but we need to prove this out by disconnecting the PCM and jumping the compressor so that it comes on. Then if the fuses still blow then the PCM is not the issue and the likely issue is the compressor itself.

The wiring diagrams are below to help with this. Please let us know what you find with this and we can go from there. Thanks
Was this
answer
helpful?
Yes
No
+1
Tuesday, June 15th, 2021 AT 4:37 PM
Tiny
TAP PERKINS
  • MEMBER
  • 3 POSTS
Thanks for the info, Kenny! What I've found since hearing from your reply is a short to ground on fuse 14 and a bad wire in a connector, so I took that wire out of connector and butt spliced it and that cleared all codes, and fuse 11 is now good . Then I went through all the connectors in the engine compartment and at some point, I cleared the short and everything worked but the brake light and turn signal, and it stayed that way for about 1 mile driving the truck, and then reappeared and blew fuse 14 again. So I started tracing wires but haven't found the short still.14 still has the ground and is causing the ABS and brake light to stay on, the A/C doesn't work, nor do the reversing lights, and still have the issue with the brake light on the left side as well as the turn signal. I have found out that possibly resetting the BCM will clear up the brake light and signal light not working by using a ELM327 OBD2 Bluetooth Scanner Code Reader and I have it on the way. 20 bux so if it works it works and if not I haven't lost much and can still use the code reader. Any ideas on where the short could be? I've been through all the wires from front to back and no luck. But I noticed by unplugging the center PCM connector the light on tester would change and get dimmer. Plug it back and it would brighten up. I'm thinking it's whatever those wires in that particular connector are powering is where the short lies. Any feedback is welcome, and thank you so much for the diagrams. ;)
Tap
Was this
answer
helpful?
Yes
No
Tuesday, June 15th, 2021 AT 10:24 PM
Tiny
KASEKENNY
  • MECHANIC
  • 18,907 POSTS
Can you get a quick video of what you are looking at with the dimming test light? Clearly it appears you are on the right path but seeing what you are looking at will help.

Then even if the A/C is not working, have you tried unplugging the compressor and then retesting the fuse?
Was this
answer
helpful?
Yes
No
Wednesday, June 16th, 2021 AT 7:23 PM
Tiny
TAP PERKINS
  • MEMBER
  • 3 POSTS
Sorry for the delay Kenny I had to put it in the shop and the mechanics that I deal with are experts and have had the truck for 2 days and still looking. The Fuel Pump Driver Module was bad, which I knew and had ordered one. They put it on and said they had to run an outside ground to it to get the truck started. I will find out more tomorrow hopefully !
Thanks for your time. You've been a big help and your knowledge is extraordinary!
Was this
answer
helpful?
Yes
No
Monday, June 21st, 2021 AT 6:16 PM
Tiny
KASEKENNY
  • MECHANIC
  • 18,907 POSTS
Thank you so much for the kind words. Plus I really appreciate you coming back to update us.

Please keep us posted on what you find with this. Thanks again
Was this
answer
helpful?
Yes
No
Tuesday, June 22nd, 2021 AT 6:31 PM

Please login or register to post a reply.