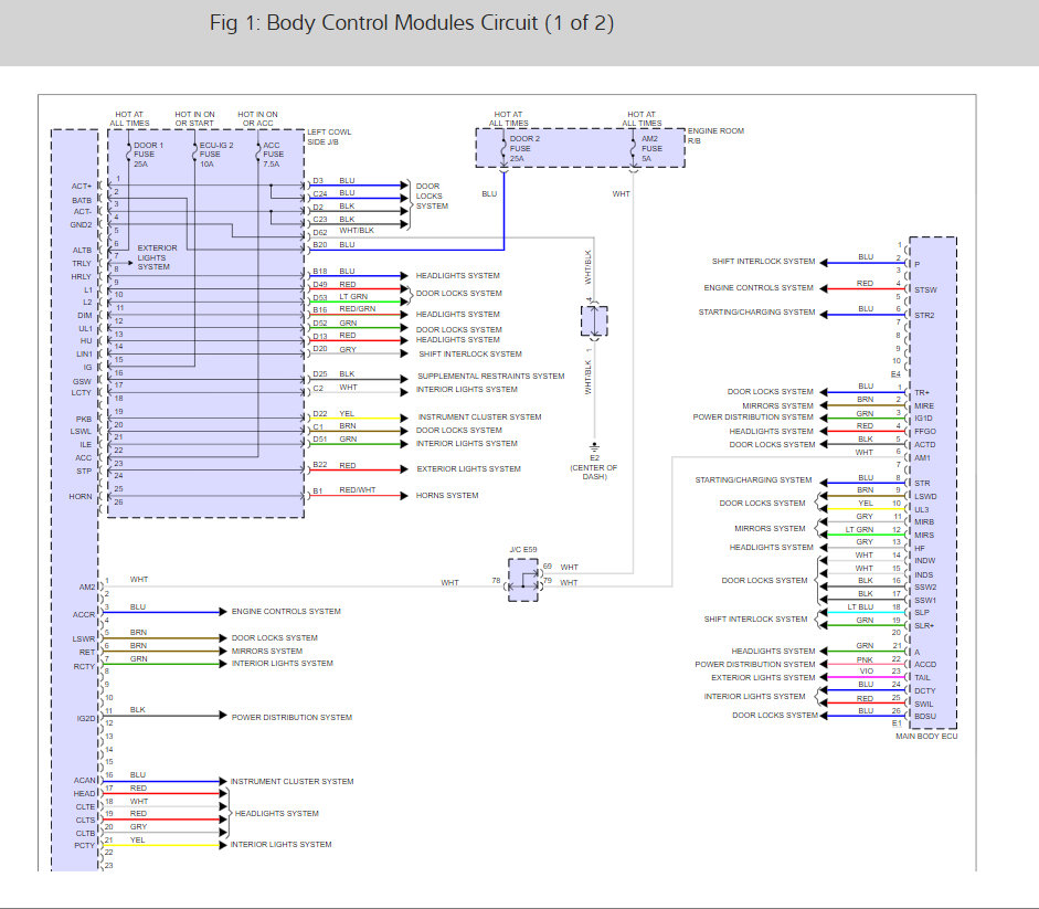
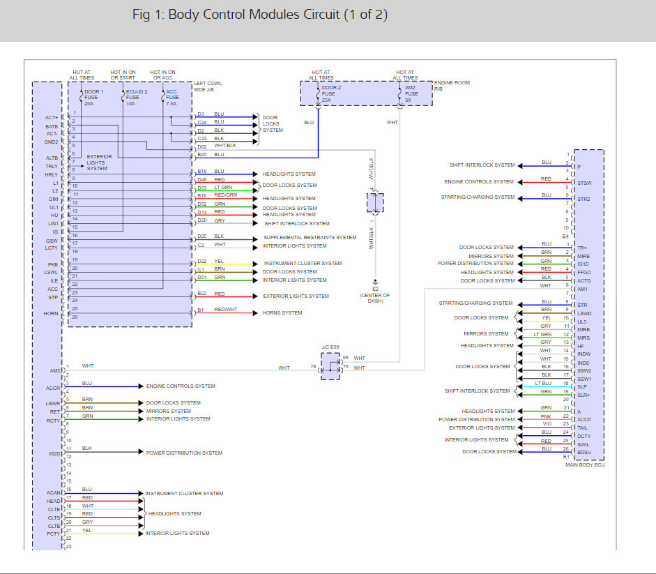
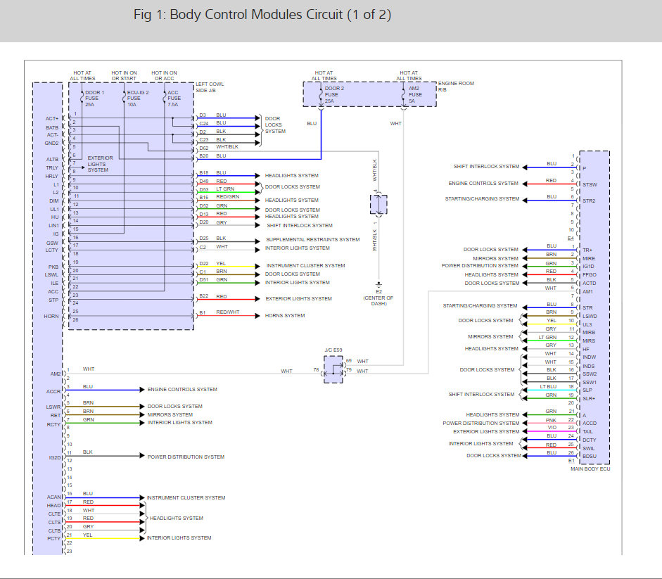
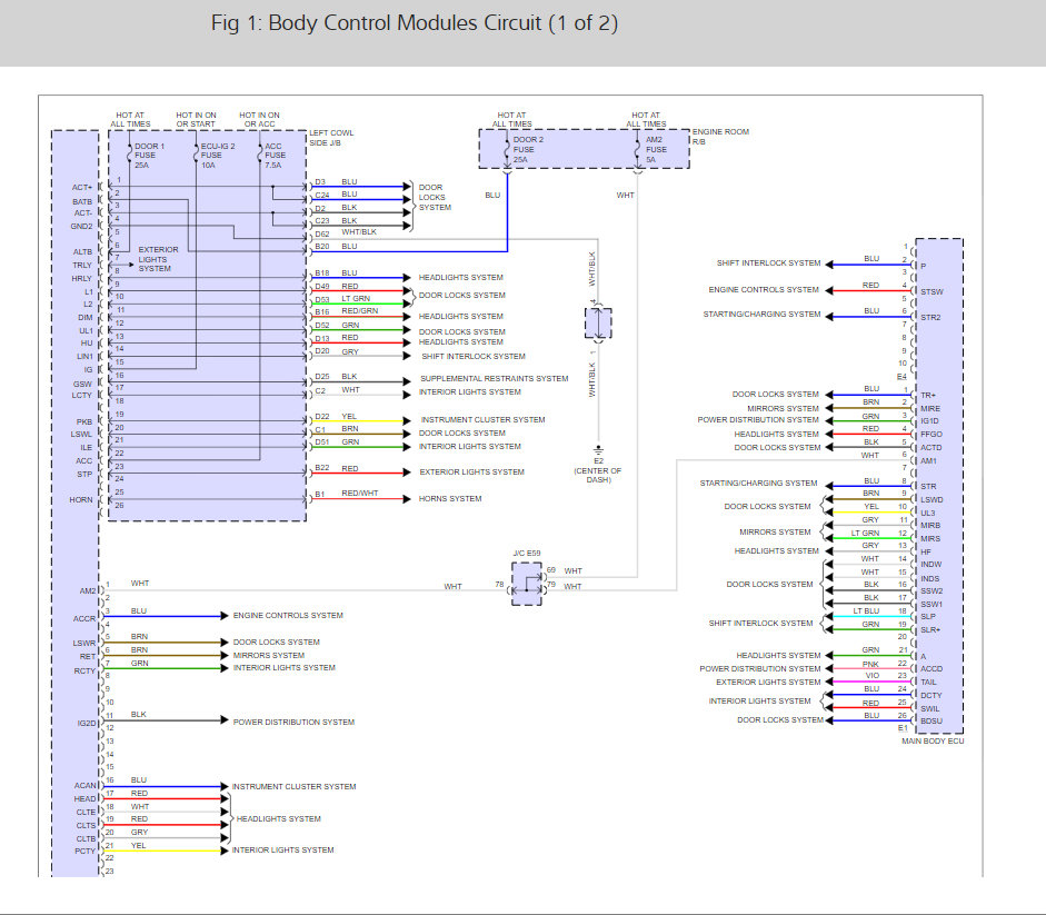
My compass will not stay calibrated, my trip odometers are erased every time I turn it off and my key fob will not unlock the doors.
I noticed all of these issues at the same time.
I hope you can help, no one else has been able to.
I have been to your site several times,
And you have helped me several times on several vehicles
Thank you,
G Bigelow
H, Texas
Saturday, June 22nd, 2019 AT 11:56 PM

















