After replacing the headlight switch, the blower motor, the turn signals do not work

Tiny
KURT001
  • MEMBER
  • 1994 JEEP GRAND CHEROKEE
  • 6 CYL
  • 2WD
  • AUTOMATIC
  • 118,000 MILES
I just picked up the vehicle listed above. I was told that the individual that I bought it from had to replace the headlight switch. After replacing the switch, the blower motor, the turn signals would not work. All fuses have been checked. Any ideas?
Sunday, May 30th, 2021 AT 9:47 AM

1 Reply

Tiny
JACOBANDNICKOLAS
  • MECHANIC
  • 110,194 POSTS
Hi,

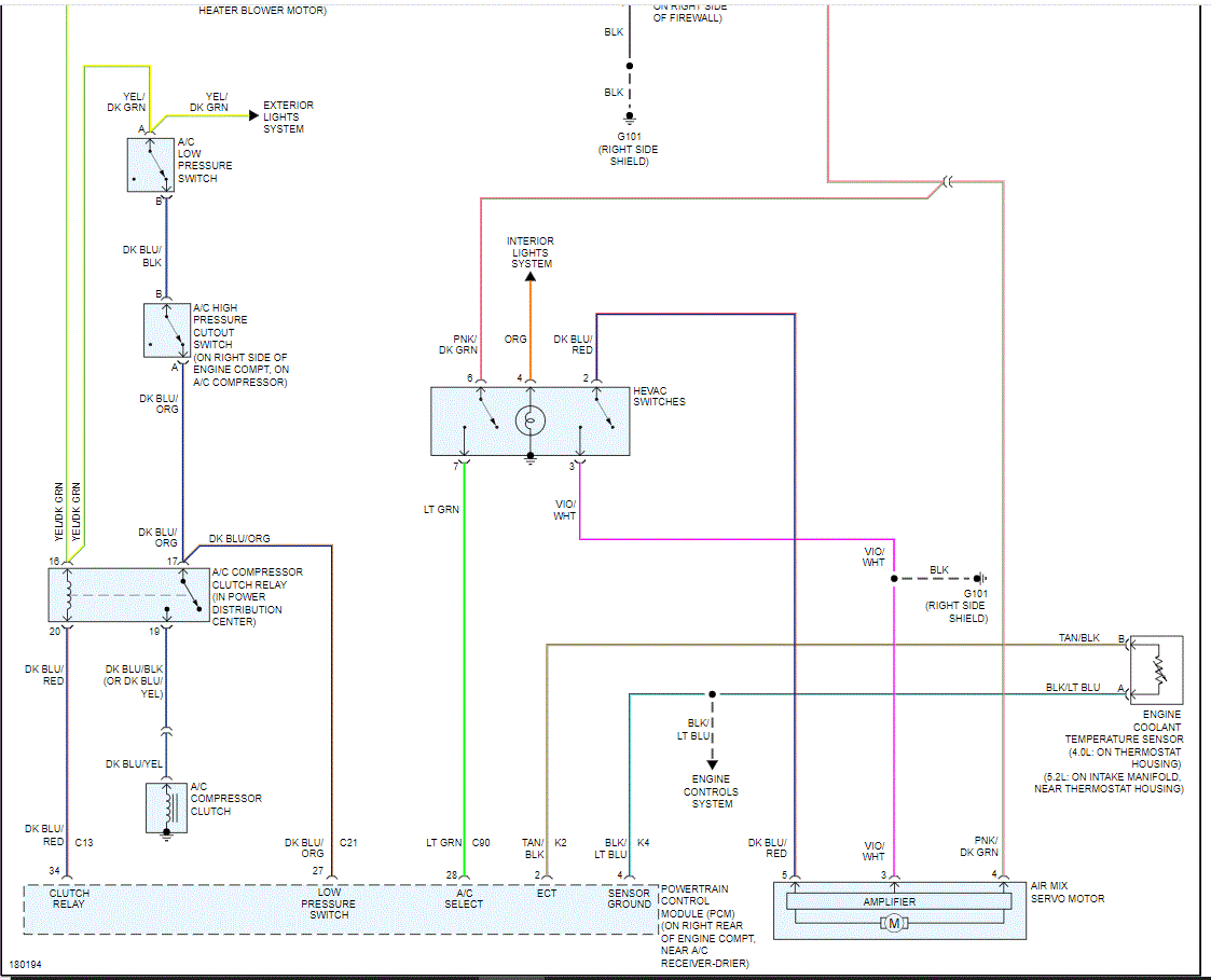
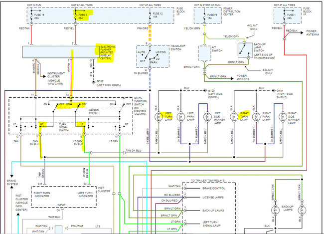
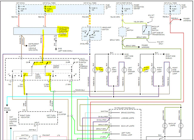
I don't see how the two things could have been affected by the switch being replaced. If you look at pics 1 and 2 below, I included the wiring schematic for the signals. I realize you checked the fuses, but did you confirm there is power to and from them? If you haven't, it needs to be done. Here is a link that will help with doing that:

https://www.2carpros.com/articles/how-to-check-a-car-fuse

Next, I need to know if anything happens when you turn the signals on. For example, they light but don't flash. Also, does the blower motor work on any speed?

The only relationship I see that can tie together the blower motor and the signals is a ground. The blower motor and right turn signal (front lights) share the same ground. But that wouldn't stop the entire system from working because the opposite side has a different ground location as well as the rear lights.

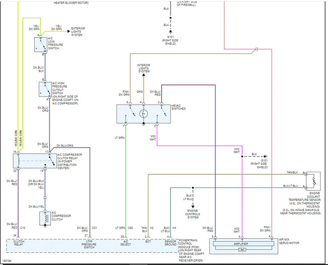
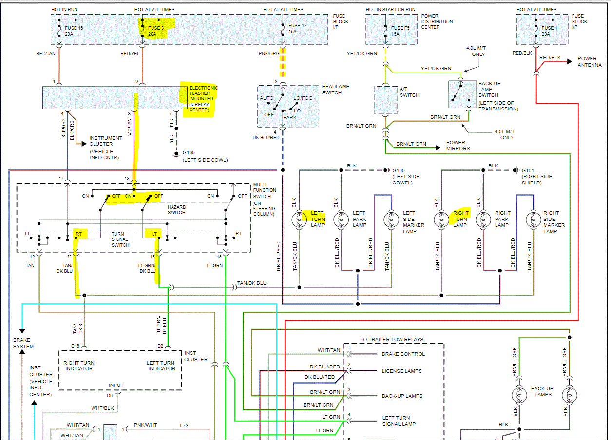
If you look at pics 3 and 4, they are the wiring schematic for the blower motor. I need you to check two things. First, check fuse 11 in the fuse box and confirm there is 12v to the switch (see schematic for wire color). If there is power, then I need you to check for continuity to ground via the black wire at the motor.

Here is a link you may find helpful:

https://www.2carpros.com/articles/how-to-check-wiring

I went through the ground distributions and if G101 is bad, many other things wouldn't be working such as the horn, starter relay, and so on.

Let me know what you find when checking. I have a feeling this isn't related to the headlamp switch, but instead, there are two different problems.

Take care,

Jioe

See pics below.
Was this
answer
helpful?
Yes
No
Sunday, May 30th, 2021 AT 7:59 PM

Please login or register to post a reply.