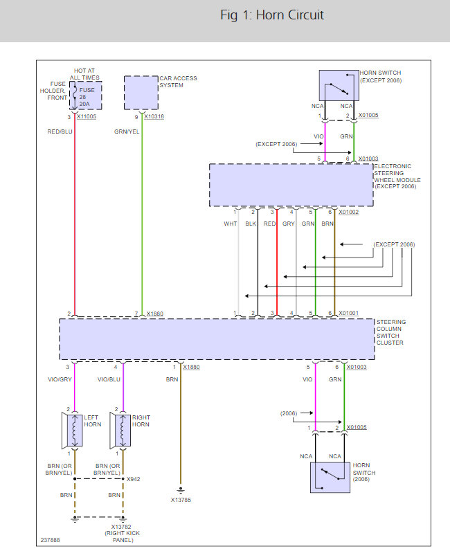
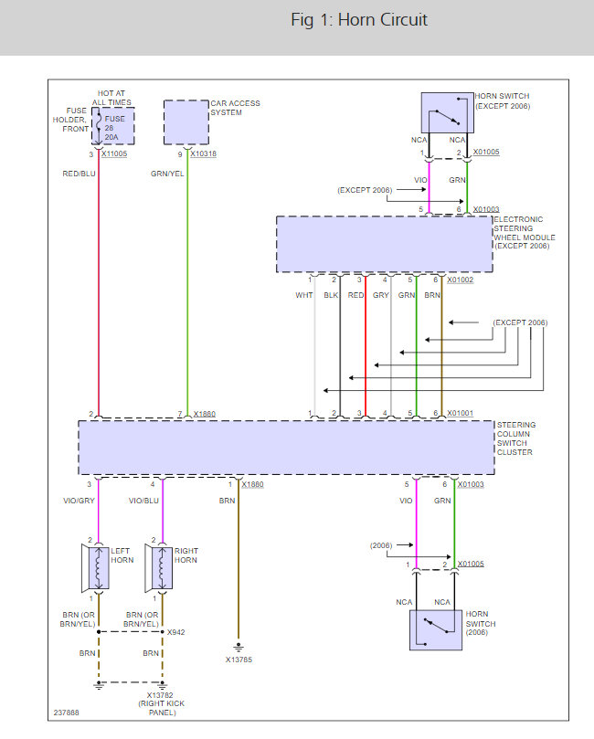
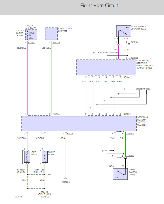
Sunday, February 17th, 2019 AT 10:46 AM
I was in the middle of driving and all of the sudden my car horn went on. The horn stays on unless I put the car in park and turn it off. As soon as I turn my key to turn the car back on, the horn starts up again. How do I get it to turn off?






