Idiot lights all flashing sometimes, along with the radio screen?

Tiny
TOTALMC
  • MEMBER
  • 158 POSTS
I have unplugged and checked the connections to the computer. Everything looks brand new and spotless

I'm in Vegas, so corrosion is rarely an issue in the desert Southwest

I may have a clue to a connection possibly being loose. Can sometimes duplicate the electrical glitch by rapidly pressing the brake pedal while at a stop, causing the truck to lurch, but even the violent bucking will only cause the dash lights to come on maybe 20% of the time or less, and like always they're off within a few seconds

Seeing I'm unable to narrow down the issue, I can't even determine if it's safe to drive the vehicle or not without risking more damage
Was this
answer
helpful?
Yes
No
Monday, February 23rd, 2026 AT 9:36 AM
Tiny
TOTALMC
  • MEMBER
  • 158 POSTS
I previously inspected the connections to the computer, and all looked shiny and new. I'm in Vegas, so it's very rare to see any type of corrosion
Was this
answer
helpful?
Yes
No
Monday, February 23rd, 2026 AT 4:23 PM
Tiny
TOTALMC
  • MEMBER
  • 158 POSTS
I'm not sure if I should tell my customer she can even drive her truck, without possibly doing more damage
Was this
answer
helpful?
Yes
No
Monday, February 23rd, 2026 AT 4:24 PM
Tiny
KEN L
  • MASTER CERTIFIED MECHANIC
  • 55,302 POSTS
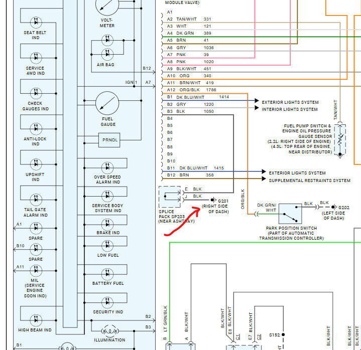
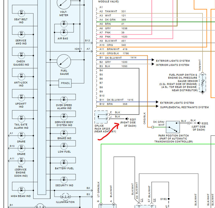
Yep, good call. Between the cluster and the radio the BCM is the only thing that ties them together besides the grounds. So this would be the next place to check. Ground G201 on the right side of the dash. Check out the images (below). Please let us know what happens.
Was this
answer
helpful?
Yes
No
+1
Tuesday, February 24th, 2026 AT 8:56 AM
Tiny
TOTALMC
  • MEMBER
  • 158 POSTS
I looked everywhere for the g201 ground, but was unable to find it. I removed both lower dash panels - not sure if the instrument cluster has to be removed to gain access or not, or if I have to disassemble the duct work behind the center console

This is the best image I could find for location, but it still didn't help
Was this
answer
helpful?
Yes
No
Friday, February 27th, 2026 AT 5:47 PM
Tiny
KEN L
  • MASTER CERTIFIED MECHANIC
  • 55,302 POSTS
The ground location will be at the right side of the dash near the dash mount to the inside of the car near the glove box. Or you can test the ground from the cluster or radio.
Was this
answer
helpful?
Yes
No
Saturday, February 28th, 2026 AT 9:39 AM
Tiny
TOTALMC
  • MEMBER
  • 158 POSTS
Would that be between the glove box and the door, or the glove box and the center of the dash. And will the evaporator be blocking my access?

Thanks
Was this
answer
helpful?
Yes
No
Saturday, February 28th, 2026 AT 4:58 PM
Tiny
KEN L
  • MASTER CERTIFIED MECHANIC
  • 55,302 POSTS
Hmm good question, usually the ground are near the dash mount bolt on the door sill. They don't show actually say where. But you can test from the cluster and radio directly if you can find the ground location.
Was this
answer
helpful?
Yes
No
Sunday, March 1st, 2026 AT 11:03 AM
Tiny
TOTALMC
  • MEMBER
  • 158 POSTS
I need to get hands on the ground location. The electrical problem is very intermittent, and when everything drops out it's only for a few seconds, and then right back on

So you could test everything and it would show good, because as the truck sits there running nothing goes wrong - only shows up intermittently while driving
Was this
answer
helpful?
Yes
No
Sunday, March 1st, 2026 AT 3:07 PM
Tiny
TOTALMC
  • MEMBER
  • 158 POSTS
I might give it one more shot before having to give up
Was this
answer
helpful?
Yes
No
Sunday, March 1st, 2026 AT 3:07 PM
Tiny
KEN L
  • MASTER CERTIFIED MECHANIC
  • 55,302 POSTS
Yep, give it a try, also with the car running you should try moving the wiring harness around to see if that affects the screens.
Was this
answer
helpful?
Yes
No
+1
Monday, March 2nd, 2026 AT 8:37 AM
Tiny
KEN L
  • MASTER CERTIFIED MECHANIC
  • 55,302 POSTS
I have a feeling the dash cluster might be shorting out causing the issue, have you tried a different cluster?
Was this
answer
helpful?
Yes
No
Monday, March 2nd, 2026 AT 8:39 AM
Tiny
TOTALMC
  • MEMBER
  • 158 POSTS
Have not touched the dash cluster. I believe column has to be dropped, airbag disconnected, and possibly dash cap removed to gain access - and was really trying to avoid all that

I will try moving stuff around with the vehicle running, haven't thought of that
Was this
answer
helpful?
Yes
No
Monday, March 2nd, 2026 AT 9:21 AM
Tiny
KEN L
  • MASTER CERTIFIED MECHANIC
  • 55,302 POSTS
Yep, this will help us see if the wiring is causing it, but the cluster shorting can do this as well.
Was this
answer
helpful?
Yes
No
Tuesday, March 3rd, 2026 AT 9:14 AM
Tiny
TOTALMC
  • MEMBER
  • 158 POSTS
UPDATE

Removed lower dash panels, one side to the other. Proceeded to reach up and wiggled all wiring harnesses, could not duplicate issue

Also could not find anywhere ground 201, even stuck my inspection camera and to all the little spaces and nothing. Nowhere near the ashtray on either side, and the factory diagrams I've looked at seems to place it somewhere behind the instrument cluster

Odometer screen is now blank, but will come back on with removal of the #4 instrument cluster fuse on side driver dash, but of course nothing else on the dash will work without the fuse, which the legend states also powers BCM, along with a few other fuses that the circuits are controlled by the BCM

I performed a OEM enhanced scan and found 21 codes, some of which began with a U which are related to the BCM. I figured they were from driving the vehicle without the #4 / #7 fuses and erase them, which resulted in my scanner saying erase successful - but then showing 41 codes, none of which began with U, mostly every powertrain code there is , none of which would show up on a regular OBD scan, which I completely don't understand

Truck now seems to be glitching more than ever, and having a negative effect on driving

I'm getting more and more confused with every step I take, any ideas or suggestions would be greatly appreciated
Was this
answer
helpful?
Yes
No
Saturday, March 7th, 2026 AT 8:57 AM
Tiny
KEN L
  • MASTER CERTIFIED MECHANIC
  • 55,302 POSTS
Yep, the cluster holds the odometer logic, I would pull the cluster and check the ground there. If is is okay swap out the cluster again, and then the BCM next.
Was this
answer
helpful?
Yes
No
Saturday, March 7th, 2026 AT 11:29 AM
Tiny
TOTALMC
  • MEMBER
  • 158 POSTS
Customer has been looking up lots of videos and stuff on her own. She found one today that said check the TBC fuse under hood, and replace it even if it looks good

It's another fuse that's linked to the BCM

She tried that, and says all of the problems went away - even the CEL that was on went off after a short drive

Fingers crossed it was as simple as a fix like that. After I've spent 8 hours trying to chase down bad wiring
Was this
answer
helpful?
Yes
No
Saturday, March 7th, 2026 AT 6:31 PM
Tiny
KEN L
  • MASTER CERTIFIED MECHANIC
  • 55,302 POSTS
Yep, a bad fuse ill cause this issue. Glad you got it fixed and let me know. Ken
Was this
answer
helpful?
Yes
No
Sunday, March 8th, 2026 AT 8:32 AM
Tiny
TOTALMC
  • MEMBER
  • 158 POSTS
From what I'm told, that fuse is a common issue among 99 - 06 GM

. And the fuse will look fine, but somehow a replacement provides to fix
Was this
answer
helpful?
Yes
No
Sunday, March 8th, 2026 AT 10:00 AM
Tiny
KEN L
  • MASTER CERTIFIED MECHANIC
  • 55,302 POSTS
Yep, this is way I do the test with a test light :)

https://www.2carpros.com/articles/how-to-check-a-car-fuse

That way we know for sure, we are here to help, please use 2CarPros anytime.
Was this
answer
helpful?
Yes
No
Monday, March 9th, 2026 AT 7:14 AM

Please login or register to post a reply.