Tuesday, April 22nd, 2025 AT 8:22 PM
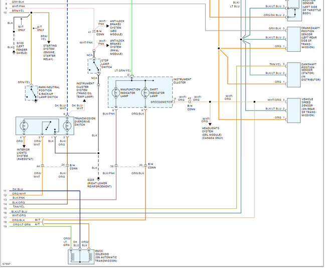
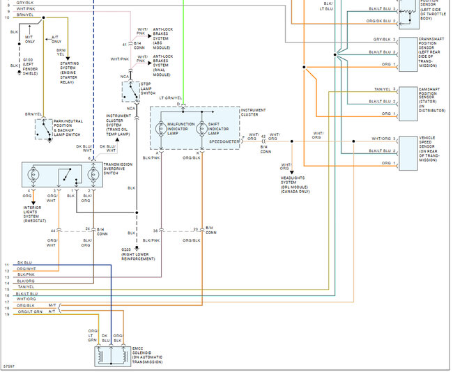
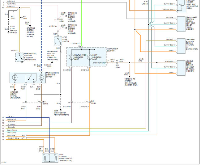
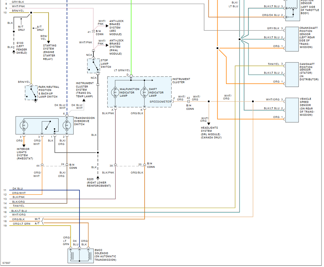
Vehicle has no spark no fuel condition. I've replaced the famous junction located under the fuse box in the engine bay I have power into and out of the ASD (Automatic fuel shutdown) relay something strange I noticed is that the shift light is now constantly illuminated when the vehicle has power regardless of when the key is turned one question I have is where does the PCM get the signal to activate the shift light I'd assume cam and crank signal so following up on that question if its constantly illuminated could that mean there's a short somewhere either in the sensor wiring or one of the sensors themselves causing it to have constant signal from there to the PCM leading it to not pulse for the coil when I turn the key the fuel pump also does not run at all and the CEL never comes on and I mean never not even when the key is cycled I replaced the PCM thinking it just wasn't communicating but with a used confirmed working PCM the problem continues the cam and crank sensors as well as the coil distributor cap and rotor have all been replaced but something to add is the problem occurred from bad alternator wiring shorting out that problem has since been fixed but maybe that took out the new cam or crank sensors because those were replaced new before this issue for a separate rough running issue I know this problem is wiring related because it's a brand new short block with mostly new parts on it any diagrams available for the engine and cluster wiring would help immensely or maybe some insight to the problem itself.




