Monday, October 2nd, 2023 AT 9:30 PM
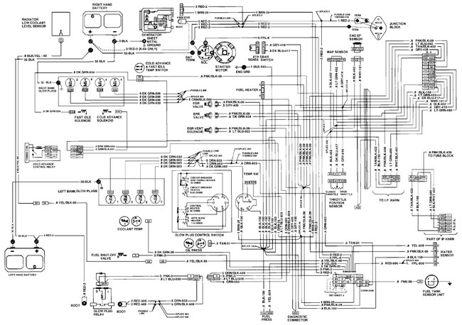
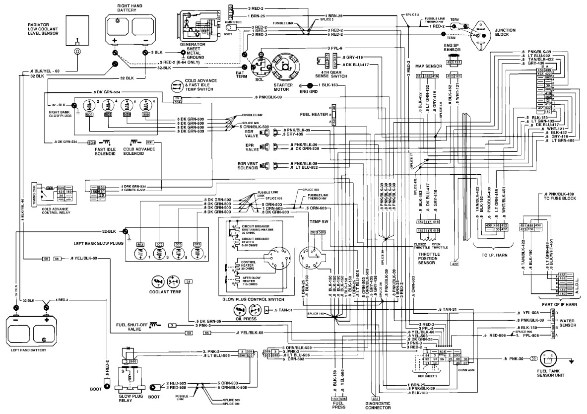
I can't get power to my ignition from my starter to firewall terminal, checked the fusible links at the starter and they are fine but can't find any other fusible links in the harness but when I try and jumper to terminal the wires start smoking at the stater when I try and start the engine.


