Not charging after the battery cables were hooked up backwards

2000 DODGE DURANGO
200,000 MILES • 5.9L • V8 • 2WD • AUTOMATIC
Avatar
DAVID KEMP2
  • MEMBER
  • 1 POST
Battery was hooked up backwards, replaced 140amp alt fuse, alt tests good, new wire from alternator to fuse, new battery, still not charging.
Feb 8, 2022 at 9:22 PM
Advertisement
Avatar
JACOBANDNICKOLAS
  • CAR REPAIR CONTRIBUTOR
  • 110,190 POSTS
Hi,

If the terminals were reversed, there is a chance you took out the PCM. The alternator is regulated via the PCM. Have you removed the alternator and bench tested it to confirm it wasn't damaged? If you haven't, remove it and take it to a parts store and have them bench test it. If you already have and it's good, my first suspect is the PCM.

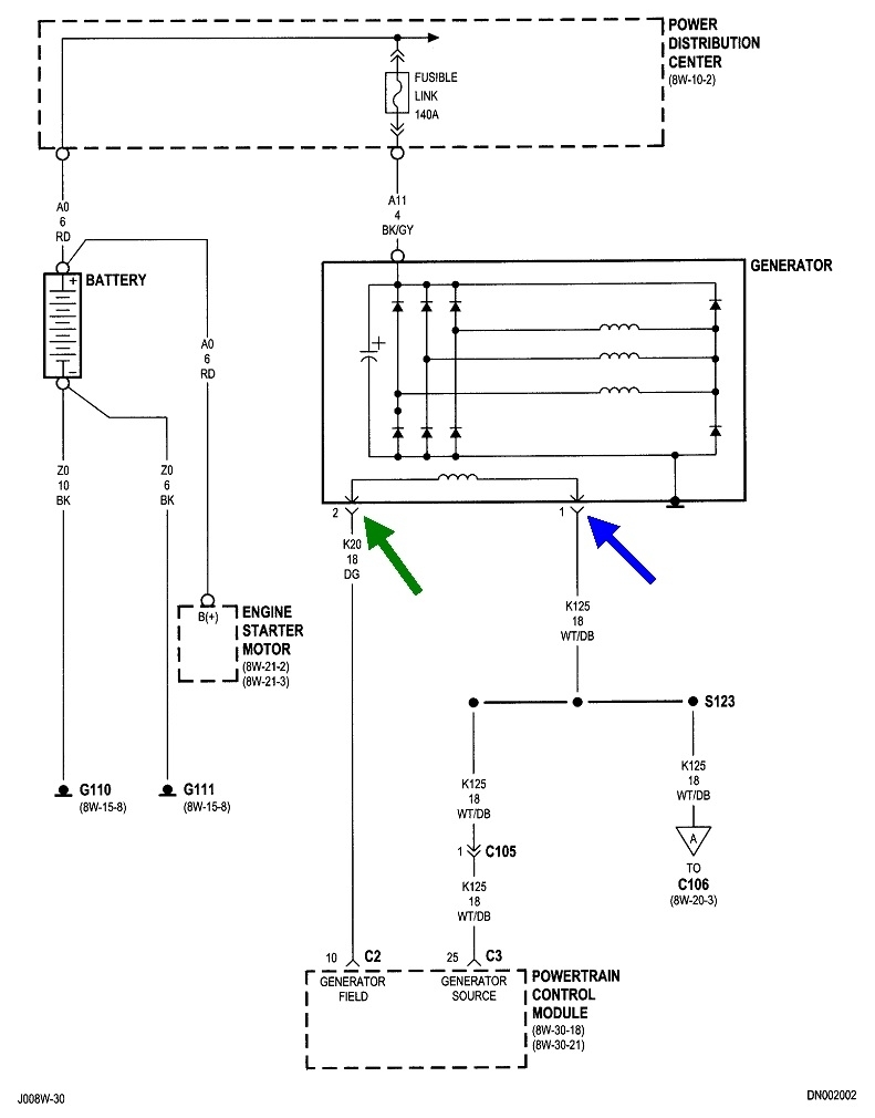
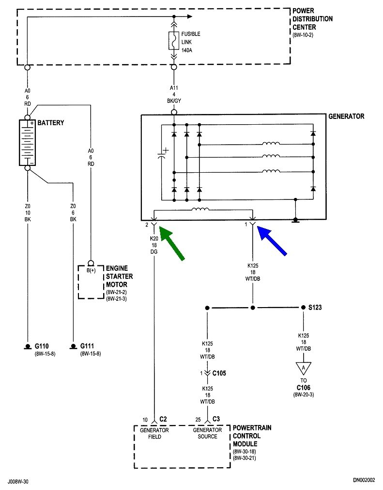
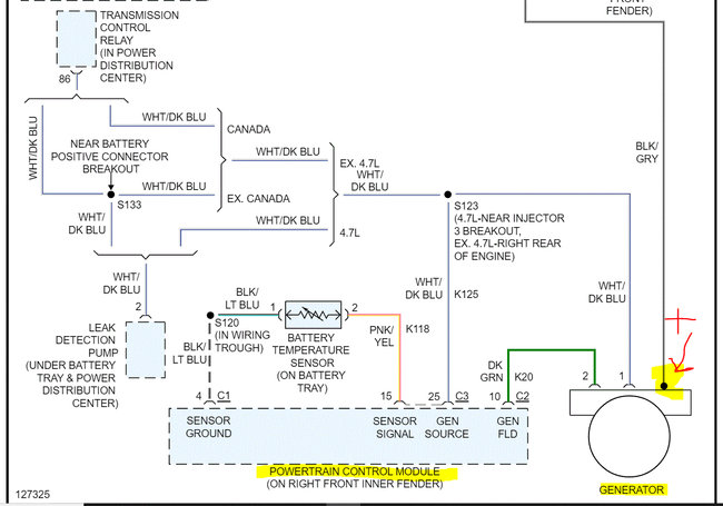
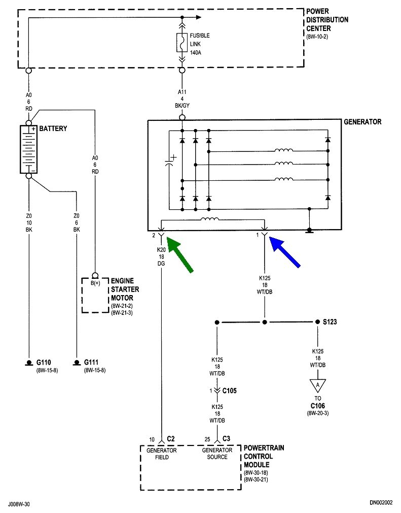
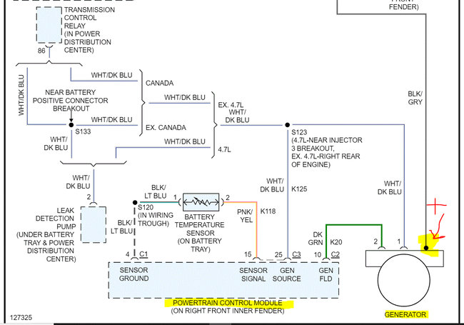
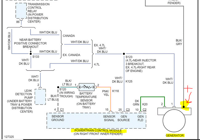
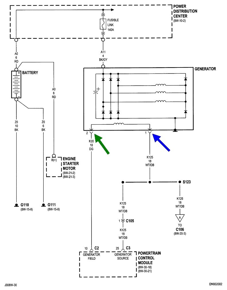
I attached the charging system wiring schematic below for your reference.

Let me know.

Joe
Feb 9, 2022 at 4:41 PM
Advertisement
Avatar
CARADIODOC
  • CAR REPAIR CONTRIBUTOR
  • 34,308 POSTS
How was the alternator tested and what were the results?

This system is very simple and easy to diagnose with a few voltage measurements. You'll need an inexpensive digital voltmeter or a test light. If you need help with either, look at these articles:

https://www.2carpros.com/articles/how-to-use-a-voltmeter

https://www.2carpros.com/articles/how-to-use-a-test-light-circuit-tester

Both are available at Harbor Freight Tools, Walmart, or any hardware store for less than $7.00.

Start by checking for 12 volts on the large output stud on the back of the alternator. You should find full battery voltage there all the time, (bright test light). That circuit is protected by the fuse you replaced. With reversed cables, it would be expected for that fuse to blow to prevent further damage.

Next, we need to know the voltages on the two smaller terminals bolted to the back of the alternator. Those have to be taken with the engine running. Those wires go through a black plastic block so it's impossible to know which wire goes to which terminal. Fortunately, it doesn't matter. We can tell which is which by the voltages. One must have full battery voltage, in this case, near 12.6 volts, (or a bright test light), if the system isn't working. It will be between 13.75 and 14.75 once the system is working. That's terminal # 1 with the blue arrow in the first diagram.

What's important is what you find on the second small terminal, # 2, green arrow. It should be less than the first one, but not 0 volts, (test light is not quite as bright). Typically you'll find it to be between roughly 4 - 11 volts. The lower that voltage is, the harder the system is working to keep up to the demands of the electrical system.

If you find 0 volts on the second terminal, the internal brushes are worn. That will cause the alternator to be dead, and that always starts out as an intermittent problem for a few months. It gets progressively worse over the next few hundred miles.

If you find the same voltage on both small terminals, there's a break in the circuit after terminal # 2, (green arrow). Given the recent history, the best suspect is a damaged voltage regulator. That circuitry is inside the Engine Computer. Before you replace the computer, there's one more test we can do to verify replacement is necessary. It involves grounding terminal # 2, but there's a trick to figure out which terminal that is when both read the same voltage.
Feb 9, 2022 at 4:52 PM
Repair Safety Notice: This information is for general instructional purposes only. Vehicle repair can be dangerous. Verify all information, follow manufacturer service procedures, use proper tools and safety equipment, and consult a qualified repair shop when needed.