HOME
ASK A QUESTION
REPAIR GUIDES
BECOME A MEMBER
LOG IN
Login with Facebook
OR
Remember me
NOT A MEMBER?
FORGOT PASSWORD?
CONTACT US
PRIVACY POLICY
TERMS AND CONDITIONS
☰
Home
Saturn
SC1
Engine Cooling
Cooling Fan
Relay
Cooling fan and air conditioner not getting power
JOANN HADLEY
MEMBER
1996 SATURN SC1
4 CYL
FWD
MANUAL
248,000 MILES
The cooling fan and air conditioner both are not getting power. Tried new relay. No change. Any ideas.
Sunday, July 2nd, 2017 AT 1:08 PM
1 Reply
KEN L
MASTER CERTIFIED MECHANIC
55,297 POSTS
Hello,
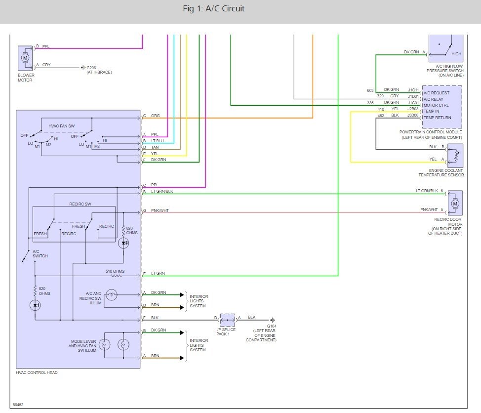
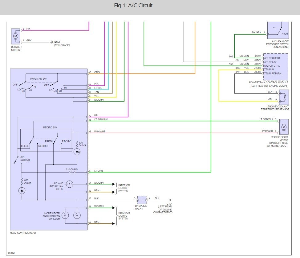
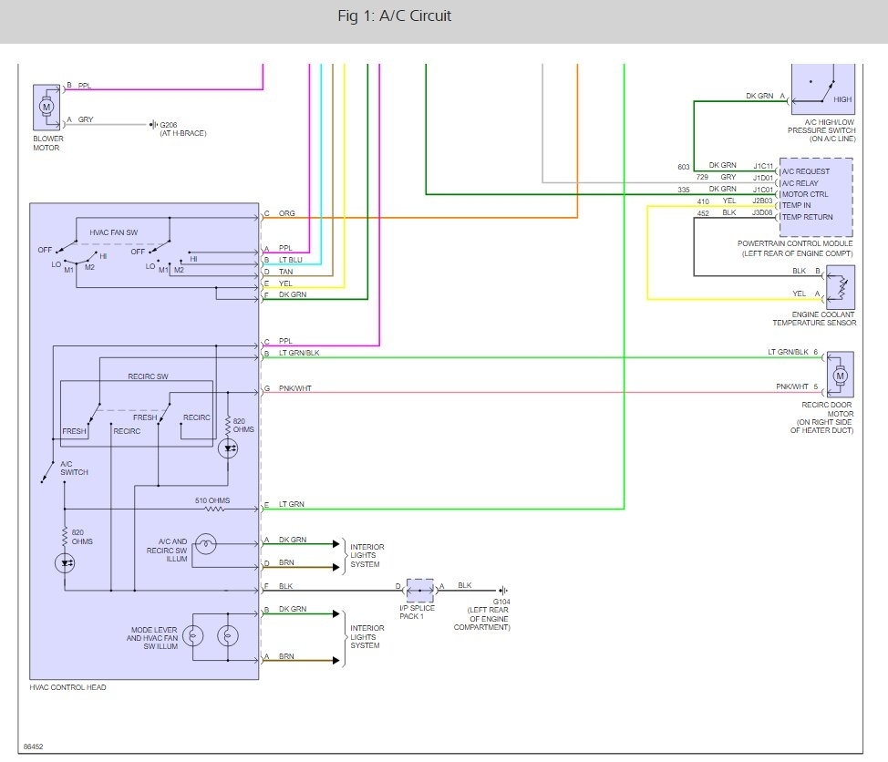
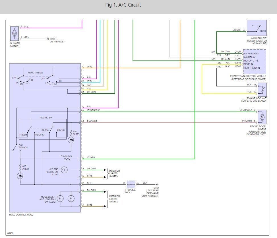
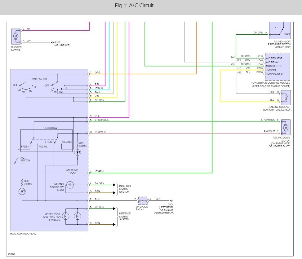
There is two fuses that must be checked, here is a wiring diagram and a fuse box diagram (below) that will help you do some checks.
https://www.2carpros.com/articles/how-to-check-a-car-fuse
and
https://www.2carpros.com/articles/how-to-use-a-test-light-circuit-tester
Please run some tests and get back to us we are interested to see what it is.
Cheers, Ken
Images (Click to make bigger)
Was this
answer
helpful?
Yes
No
Monday, July 3rd, 2017 AT 1:59 PM
Please
login
or
register
to post a reply.
Related Cooling Fan Relay Content
2000 Saturn Sc1 Cooling Fan Not Running
The Cooling Fan On My Car Is Not Running When The Car Warms Up. 1. Where Is The Temperature Sensor Located? 2. How Do I Test The Relay?
Asked by
glovercraig
·
2 ANSWERS
2000
SATURN SC1
My Radiator Fan Will Not Turn On
I Just Replaced The Fan With A Brand New Fan. The Fan Still Does Not Turn On. I Have Checked The Fuses And Relays They Are All Fine. Also...
Asked by
edgdro2
·
2 ANSWERS
1992
SATURN SC1
1997 Saturn Sc1 Cooling Fan Temp Sensor
I Replaced The Temp Sensor With One From Advanced Auto Parts $11.00 The Cooling Fan Doesn't Come On It Just Sits There And Over Heats. If I...
Asked by
wanabewest
·
1 ANSWER
1997
SATURN SC1
1999 Saturn Sc1 Cooling Fan Inop
Engine Cooling Problem 1999 Saturn Sc1 4 Cyl Front Wheel Drive Automatic The Car Overheats When At A Idle. I Replaced The Heater...
Asked by
Ohio28
·
2 ANSWERS
1999
SATURN SC1
How To Take Out And Replace The Radiator Fan Motor
The Fan Doesnt Come On When Its Supposed To And Car Overheats
Asked by
patrickjdavis
·
3 ANSWERS
1998
SATURN SC1
VIEW MORE
Ask a Car Question. It's Free!
How to Use a Test Light