Sunday, October 28th, 2018 AT 1:22 AM
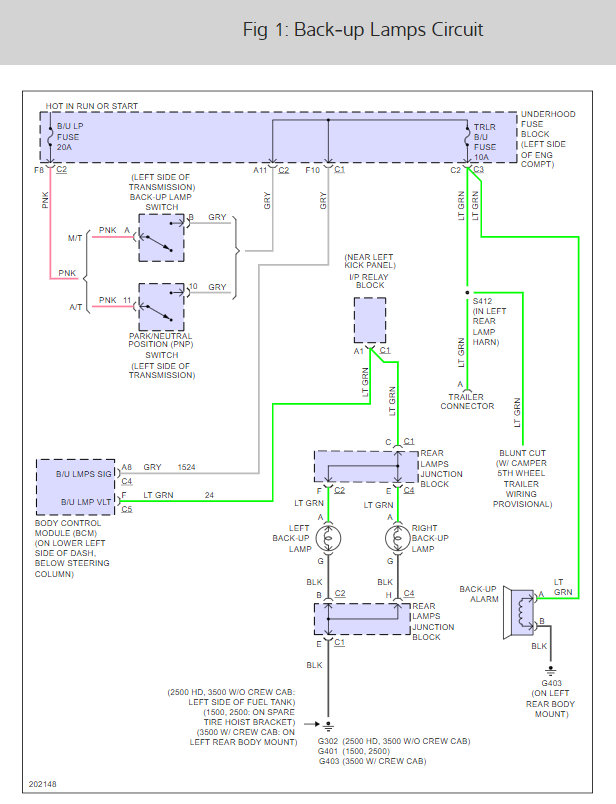
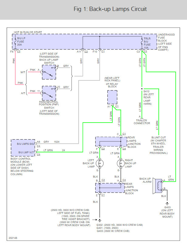
While in drive the reverse lights are still on & stay on most the time. Also every time I make a right turn, my brights come on when I hit the right blinker on.



