Headlights not coming on

Tiny
ALSAN99
  • MEMBER
  • 2003 MITSUBISHI GALANT
  • 150,000 MILES
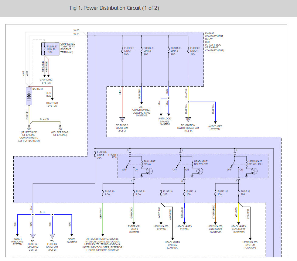
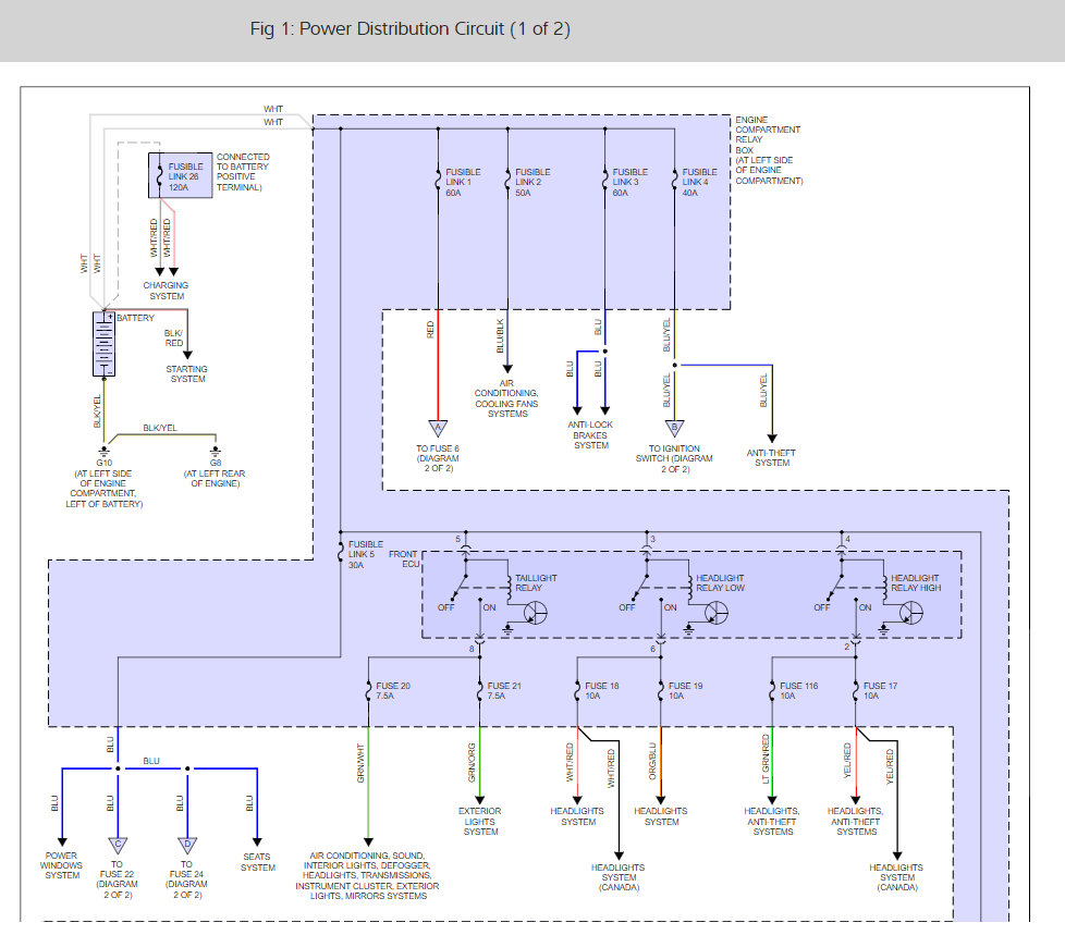
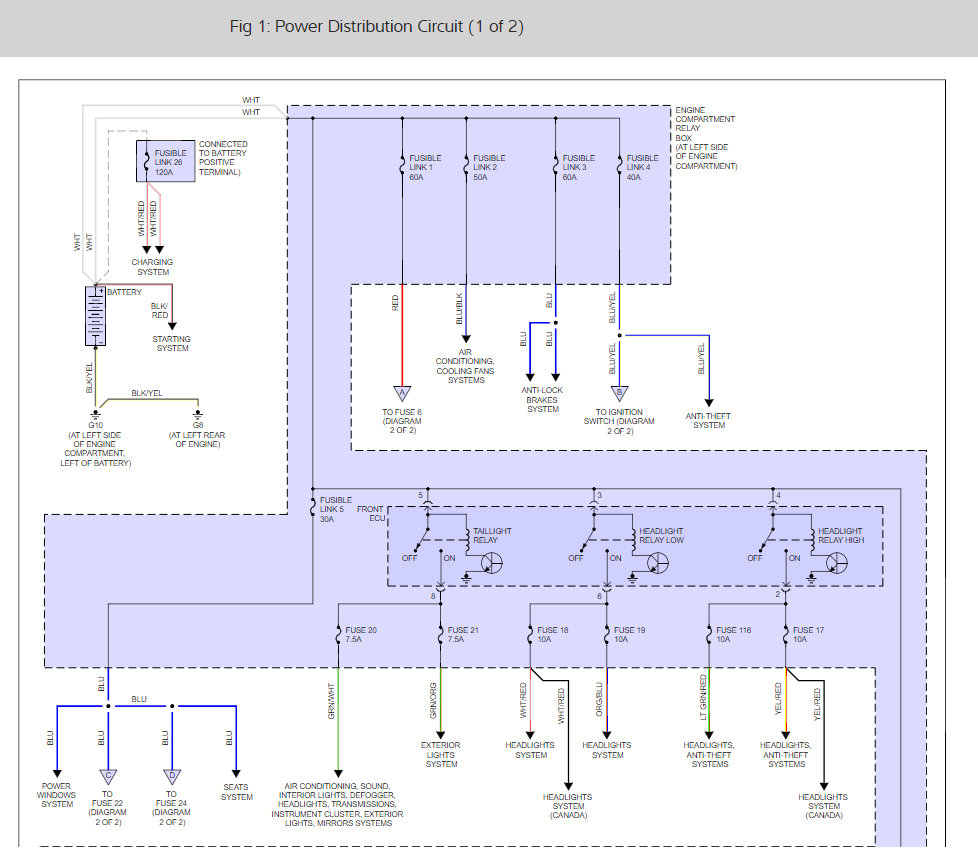
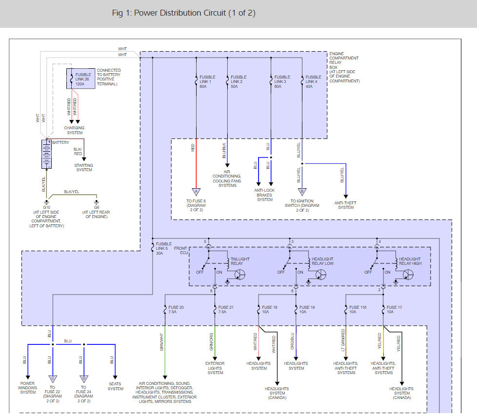
Hi thanks for the chance. Turn car on and lights do not come on, head lights, rear lights, fog lights, dash lights. Only turn signal when lever moved to right or left. Brake light do come on when applied. Fuses are okay. Help please!
Thanks
Wednesday, September 20th, 2017 AT 10:53 AM

3 Replies

Tiny
KEN L
  • MASTER CERTIFIED MECHANIC
  • 55,499 POSTS
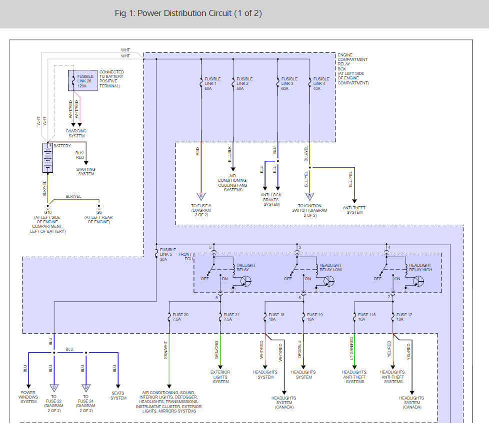
A few things come to mind for this problem, of course we should make sure the battery is okay. An auto parts store can do this for you for free. Next is you have a fusible link that is out here is a guide and some diagrams (Below) so you can do some testing there.

https://www.2carpros.com/articles/how-to-replace-a-car-battery

and

https://www.2carpros.com/articles/how-to-check-a-car-fuse

If they check out the next place I would test is the ignition switch. Check to see if power is flowing through it.

Please let us know what happens and upload pictures or videos of the problem.

Cheers, Ken
Was this
answer
helpful?
Yes
No
+1
Thursday, September 21st, 2017 AT 2:21 PM
Tiny
ALSAN99
  • MEMBER
  • 2 POSTS
I thank you for your time. I will try this as soon as possible.
Was this
answer
helpful?
Yes
No
Friday, September 22nd, 2017 AT 7:42 PM
Tiny
KEN L
  • MASTER CERTIFIED MECHANIC
  • 55,499 POSTS
Please let us know what happens so it will help others.

Cheers, Ken
Was this
answer
helpful?
Yes
No
Saturday, September 23rd, 2017 AT 12:20 PM

Please login or register to post a reply.