Battery keeps draining fast and passenger side headlight is only half bright

Tiny
JAMBAM405
  • MEMBER
  • 1995 FORD F-150
  • 5.8L
  • V8
  • 4WD
  • AUTOMATIC
  • 195,000 MILES
I checked all the grounds and made sure there were no exposed wires and there was a clicking sound from the starter.
Friday, April 15th, 2022 AT 5:46 PM

1 Reply

Tiny
KASEKENNY
  • MECHANIC
  • 18,907 POSTS
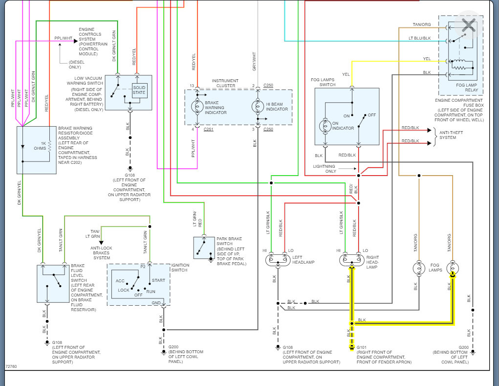
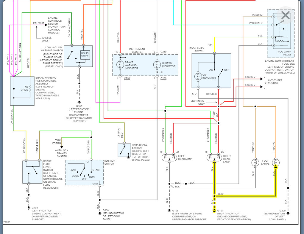
If the battery is draining and the passenger side headlight is only half bright, we need to start right there. I understand you checked all the grounds, but I assume this means you checked to see if they are tight, but we need to actually find out what the resistance is to ground.

This should be minimal, which would be less then a half ohm. Here is a guide that will help with this:

https://www.2carpros.com/articles/how-to-use-a-voltmeter

Basically, we need to go to the head lamp and unplug it. Then check the resistance from the ground terminal to the negative battery terminal.

This is going to test the complete resistance all the way back through the frame to the battery.

You can test to the G101 bolt, but this is only going to test the wire.

I suspect this would be the issue if the headlight is the only issue but let me know what you find with this, and we can go from there.

Thanks
Was this
answer
helpful?
Yes
No
Saturday, April 16th, 2022 AT 4:16 PM

Please login or register to post a reply.