Thursday, June 19th, 2025 AT 3:43 PM
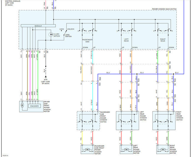
None of my windows go down from any switches on the doors. I tested for continuity with the key on and don't seem to have power going to the master switch. I thought maybe it was the relay or fuse, so I replaced the relay under the hood and tested all the fuses in both fuse boxes but still no power.







