4X4 switch on dash has 2.4 volts negative feeding out on lo and neutral?

Tiny
CONNELLYM
  • MEMBER
  • 2008 CHEVROLET 2500
  • 6.6L
  • V8
  • 4WD
  • AUTOMATIC
  • 270,000 MILES
4x4 switch on dash has 2.4 volts negative feeding out on hi lo and neutral, what's the problem?
Saturday, May 6th, 2023 AT 2:55 PM

1 Reply

Tiny
KEN L
  • MASTER CERTIFIED MECHANIC
  • 55,090 POSTS
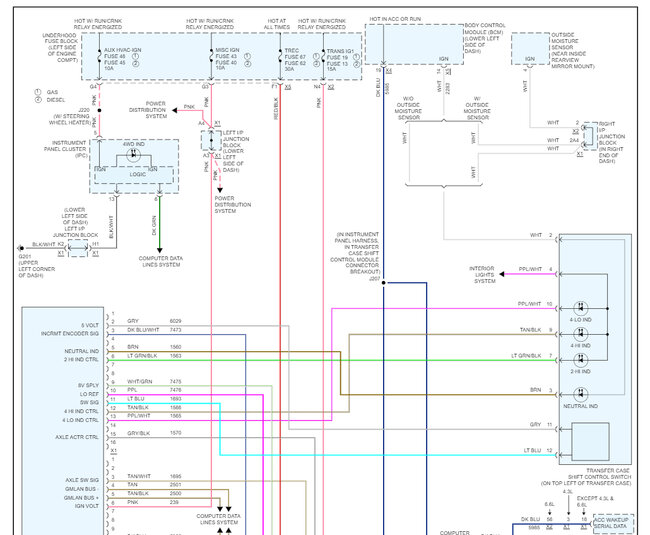
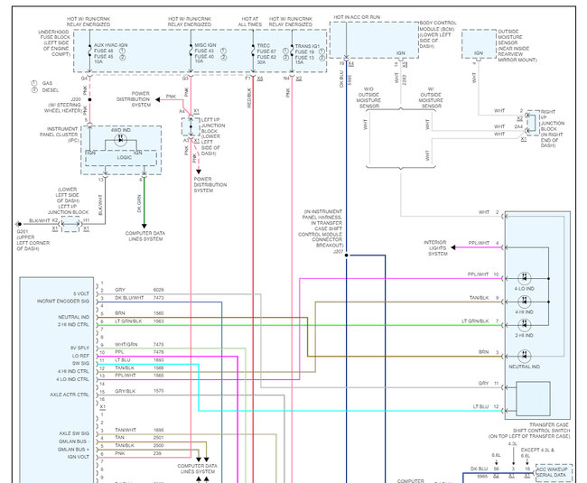
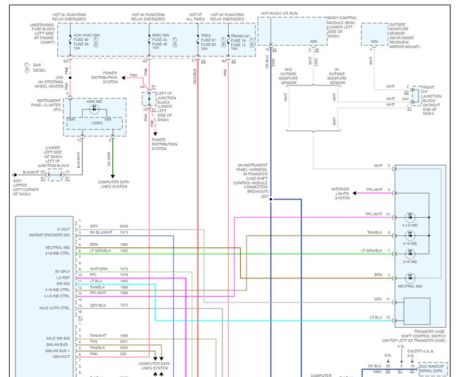
It sounds like the transfer case control module is not working correctly but I would check the grounds and power inputs to confirm here is a guide to help and the transfer case wiring diagrams to help with the tests and so you can see how the system works.

https://www.2carpros.com/articles/how-to-check-wiring

Check out the images (below). Please let us know what happens.
Was this
answer
helpful?
Yes
No
Sunday, May 7th, 2023 AT 10:18 AM

Please login or register to post a reply.