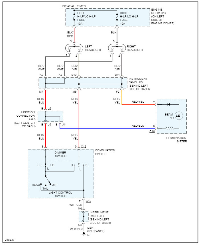
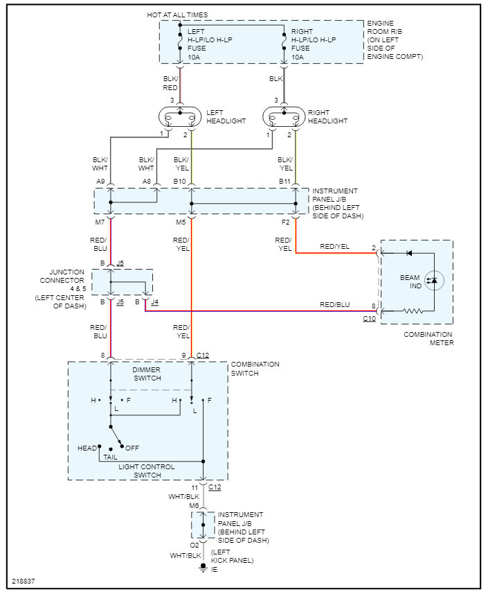
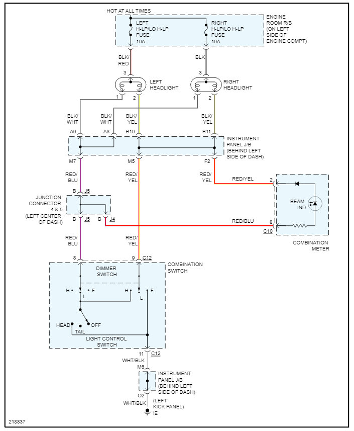
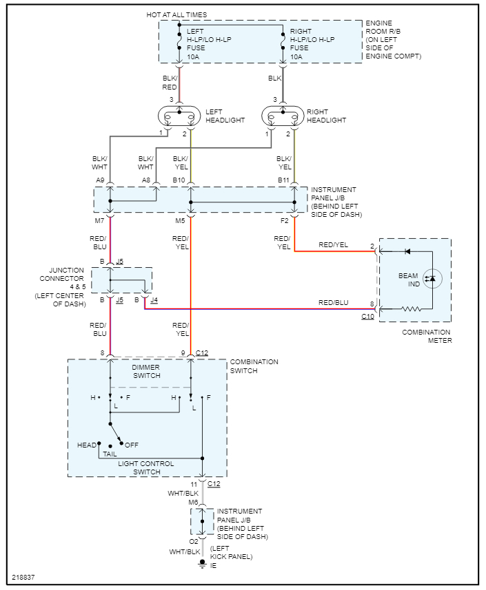
Tuesday, June 28th, 2022 AT 8:40 PM
All my other lights worked, so I took it to the shop, and they said it was the combination switch (headlight switch). So, I ordered a new one online and put it in, now all my lights work except for my headlights. What should I do next?


