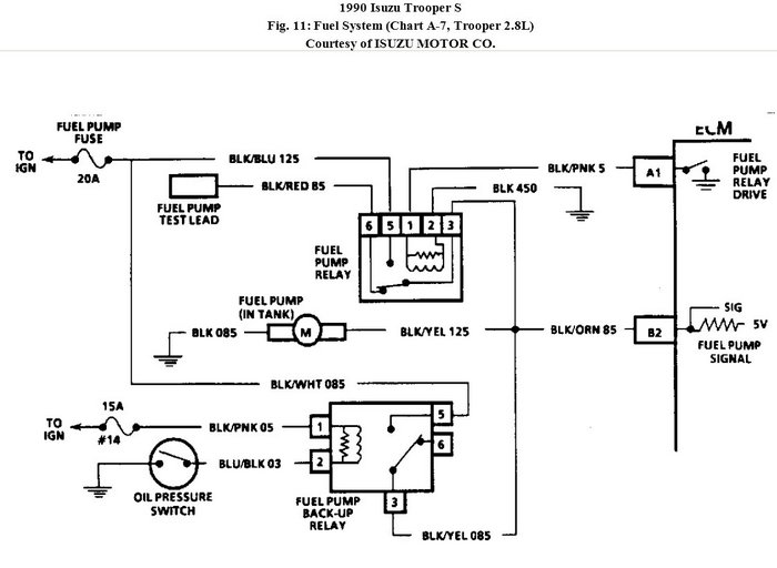
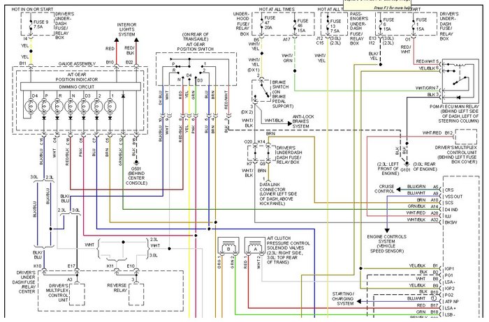
Tuesday, April 25th, 2017 AT 9:50 PM
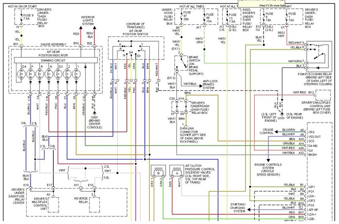
I drove into a water hole and water came into the floor boards ever since it has rained real bad. I replaced the fuel pump and the alternator and it do not run at all. There does not seem to be any power to the fuse running the fuel pump. What do I need to do? Thank you.














