Tuesday, April 27th, 2021 AT 3:03 PM
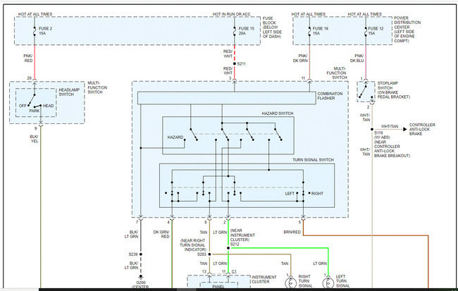
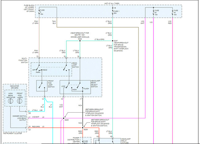
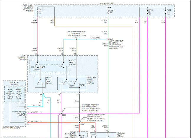
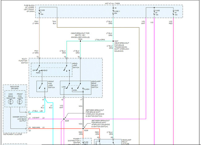
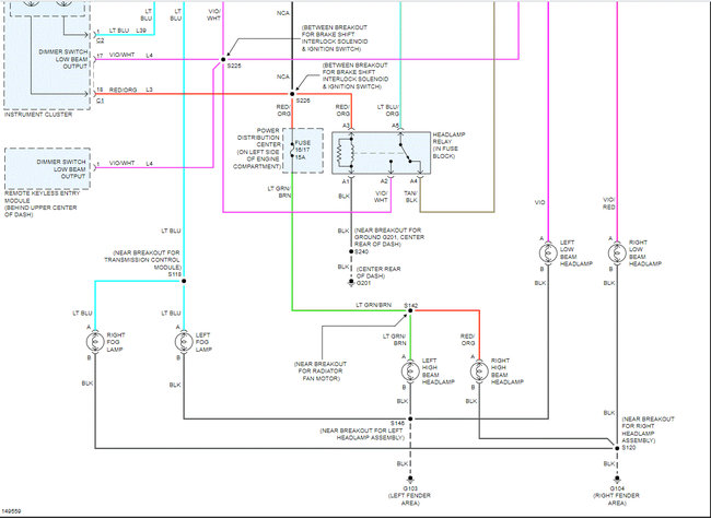
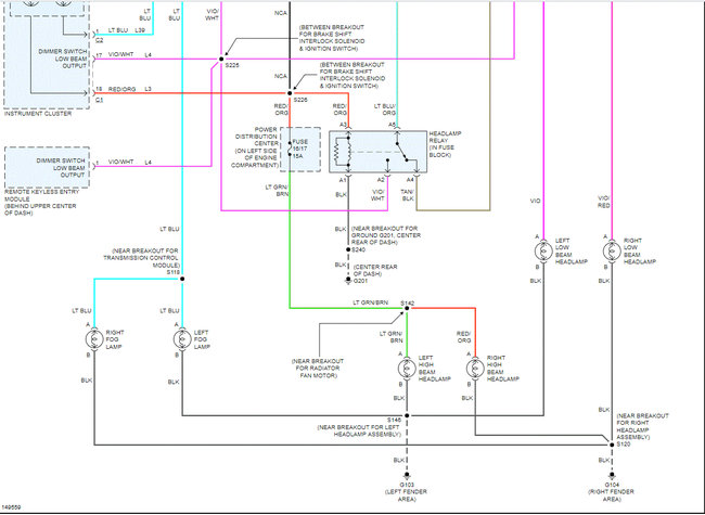
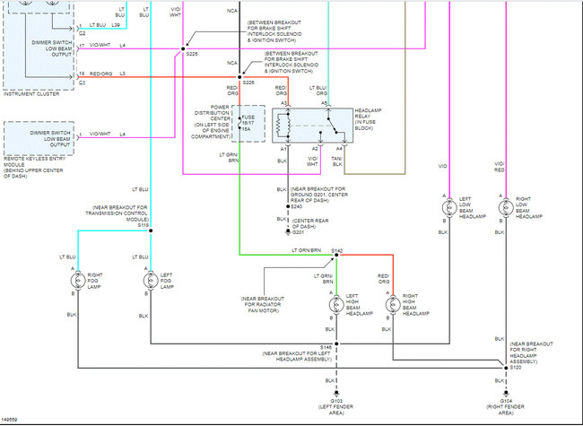
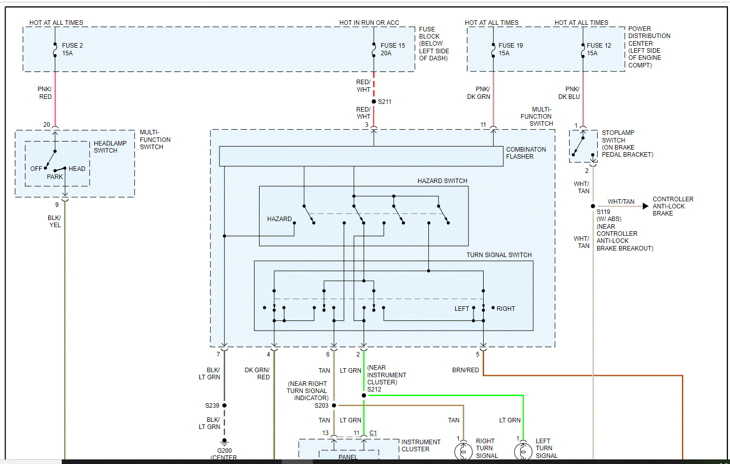
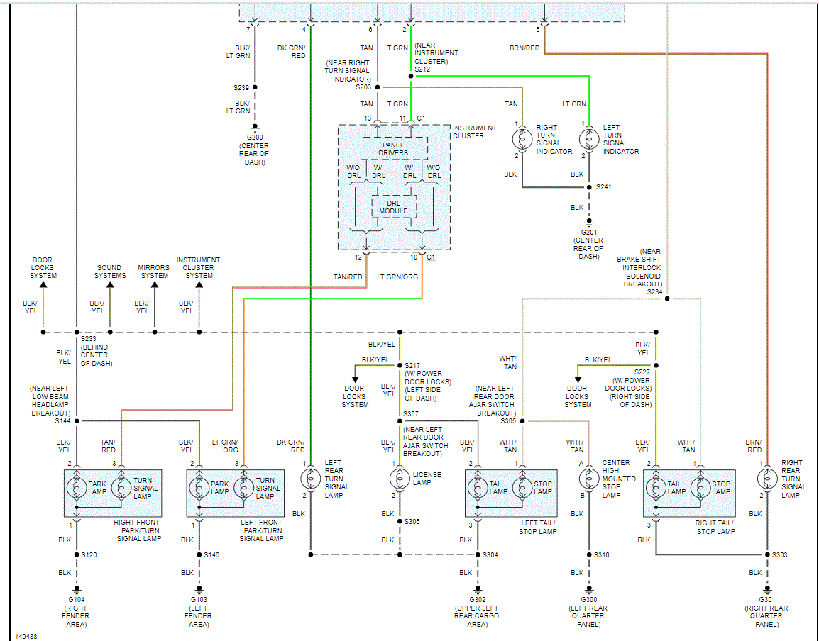
I am looking for a wiring diagram for under the hood. Since Pt Cruisers don't have daytime running lights I purchased led tube lights that are 24in long. Flexible and bendable. But I need to splice a red into the Acc. A yellow into the positive on the turn signal & a black into the negitive battery post. The neg. Battery post is simple on the drivers side. But I don't know were the Acc and the positive turn signal wires are on either side. And don't know where the neg would be at behind the headlight on the passenger side headlight. Couldn't find a wiring diagram. All were for fuse block.




