Headlight, speedometer and odometer are not working

Tiny
RD66
  • MEMBER
  • 2008 KIA SPECTRA
  • 2.0L
  • 4 CYL
  • 2WD
  • MANUAL
  • 1 MILES
On the car listed above (Spectra5) the speedometer, odometer, and headlight don't work.
Tuesday, April 5th, 2022 AT 7:35 PM

5 Replies

Tiny
KASEKENNY
  • MECHANIC
  • 18,907 POSTS
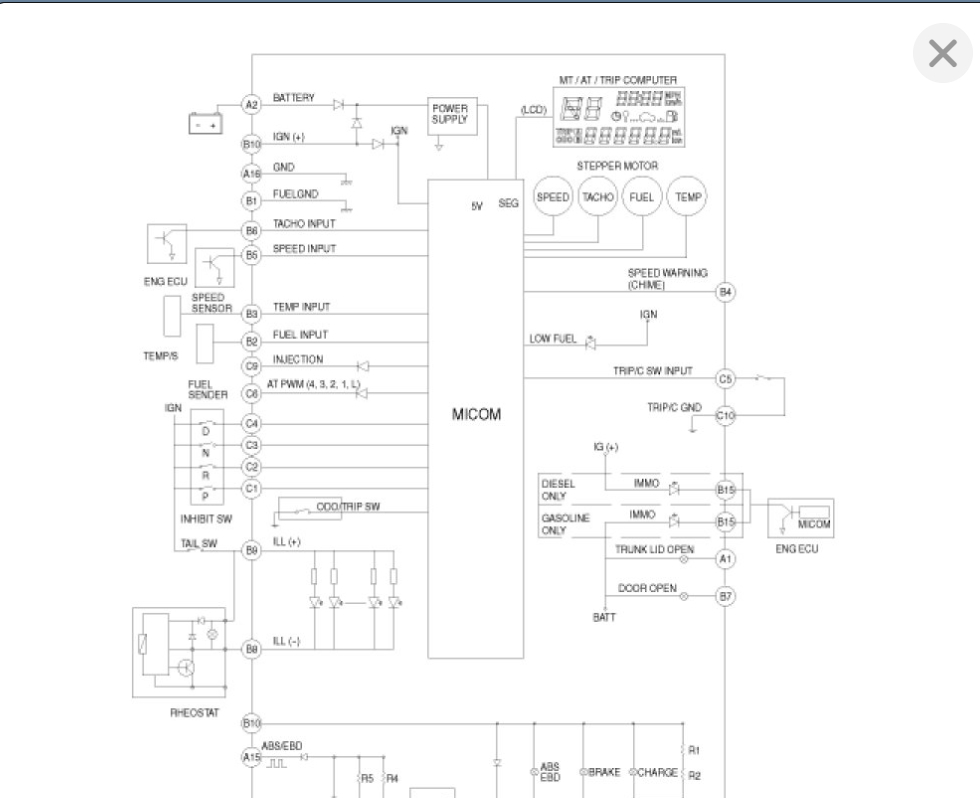
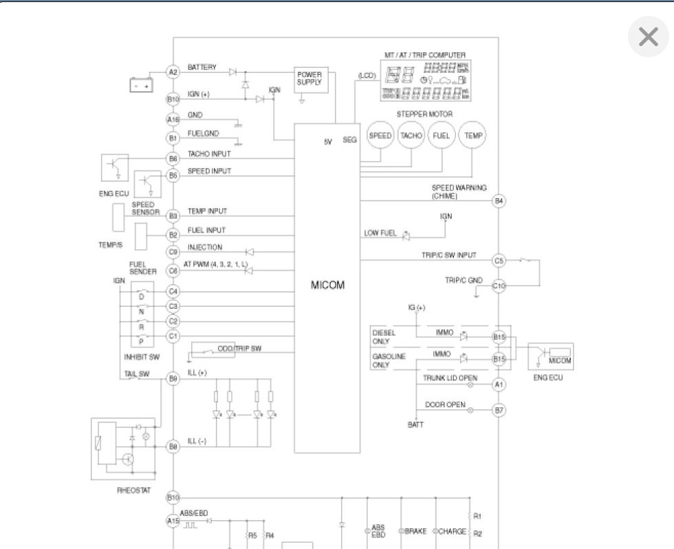
The odometer and speedometer are most likely related, but the headlights are most likely not. So, I would suggest we start with the headlights and if that happens to fix the others then that is great. However, if not, then we most likely have a speed sensor or cluster issue.

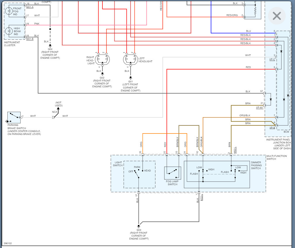
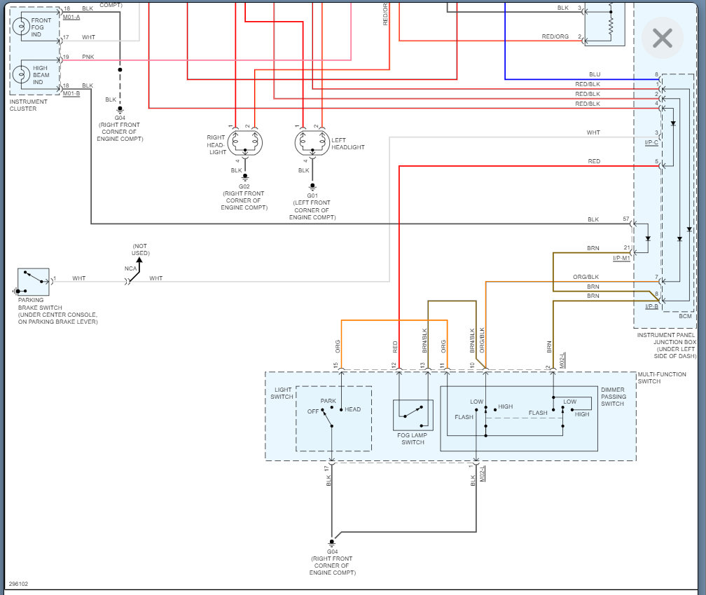
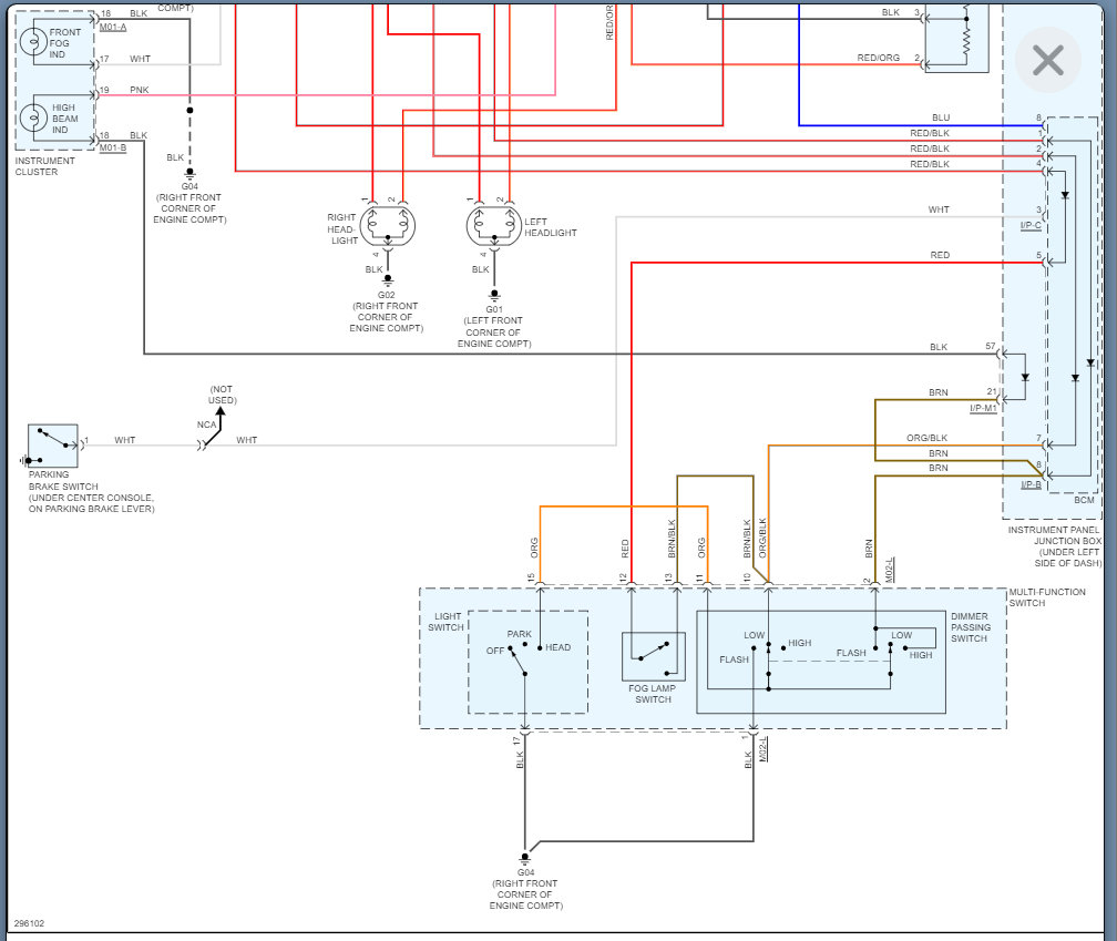
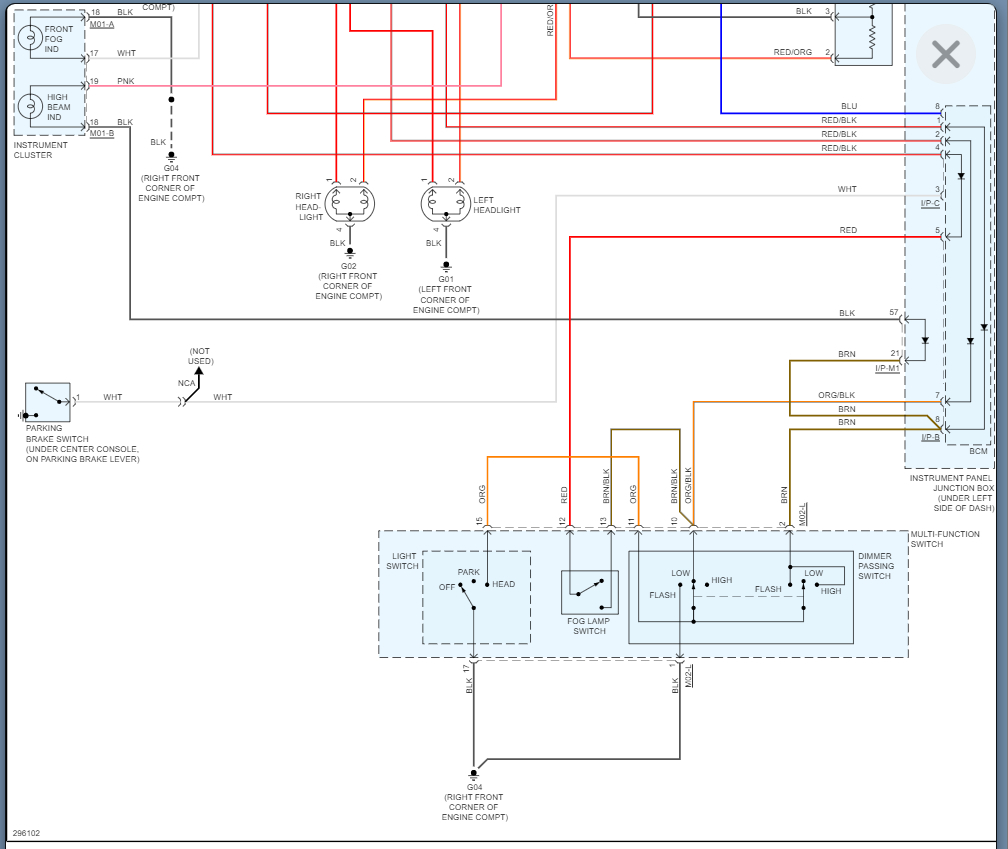
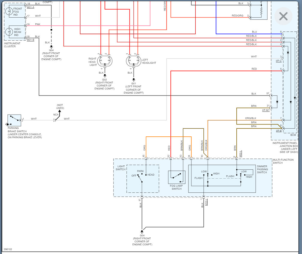
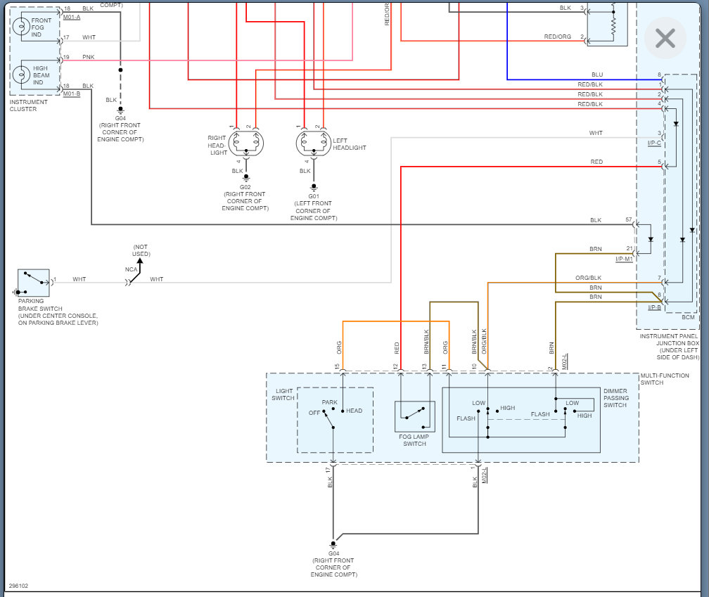
So, let's check the voltage coming out of the relay going to the head lights.

Here are a couple of guides that will help with this:

https://www.2carpros.com/articles/how-to-check-wiring

https://www.2carpros.com/articles/how-to-check-an-electrical-relay-and-wiring-control-circuit

I am attaching the wiring diagram below so let's start with this and we can go from there.

Thanks
Was this
answer
helpful?
Yes
No
Wednesday, April 6th, 2022 AT 2:14 PM
Tiny
RD66
  • MEMBER
  • 61 POSTS
Headlights are working again. I'm thinking it's a bad light switch because now the front parking lights and the cluster light have gone out. I have no codes.
Was this
answer
helpful?
Yes
No
Tuesday, April 12th, 2022 AT 8:32 PM
Tiny
RD66
  • MEMBER
  • 61 POSTS
Just so you know, I replaced the transmission speed sensor (manual transmission) and one wheel speed sensor.
Was this
answer
helpful?
Yes
No
-1
Tuesday, April 12th, 2022 AT 8:34 PM
Tiny
KASEKENNY
  • MECHANIC
  • 18,907 POSTS
Okay. Can you get a picture of the speed sensor that you replaced in the transmission? I just want to verify this was the output sensor.

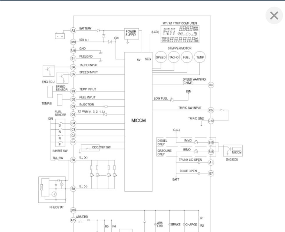
Also, if this is ok then the likely cause of this is the cluster itself. This cluster has a logic circuit board that takes the speed sensor input and displays the speed and odometer. So, if this is getting a speed signal then the cluster is the likely issue.
Was this
answer
helpful?
Yes
No
Wednesday, April 13th, 2022 AT 6:27 PM
Tiny
RD66
  • MEMBER
  • 61 POSTS
Sorry for the delay.
Was this
answer
helpful?
Yes
No
Monday, April 18th, 2022 AT 7:48 AM

Please login or register to post a reply.