Monday, February 20th, 2017 AT 12:38 PM
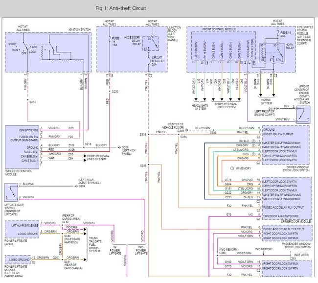
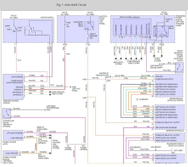
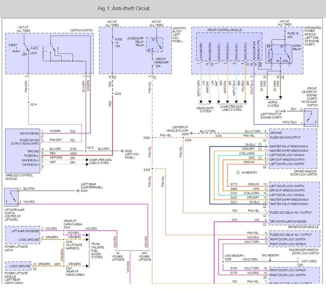
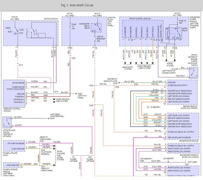
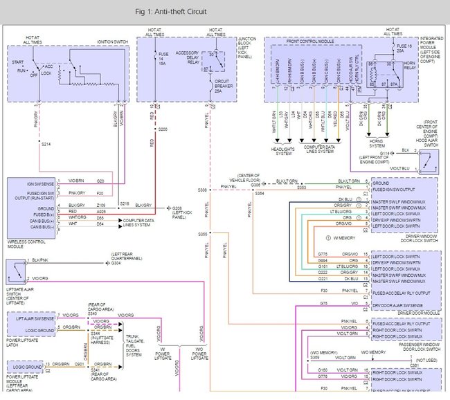
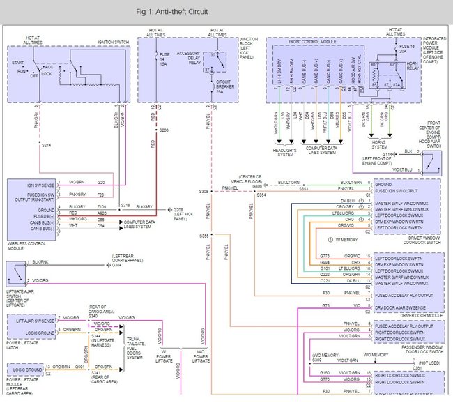
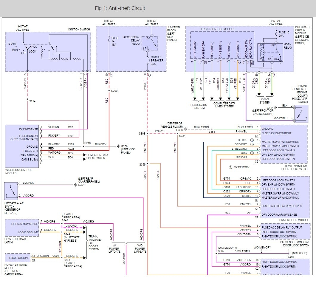
The anti theft light on top of the dash does not work, what can I do to find out why and the replace what needs to be replaced. This is a great deterrent and I need to get it fixed


